Buon giorno,
sto cercando di provare a creare il circuito con un pulsante a 12 volt collegandolo ad arduino per leggere lo stato senza alcun carico.
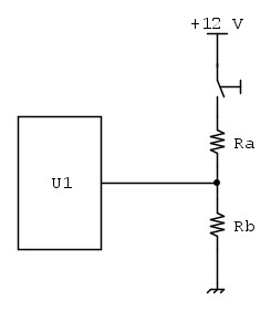
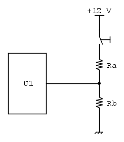
Per il momento sono arrivato a questo schema che non credo sia corretto
pulsante collegato ad Arduino
12 messaggi
• Pagina 1 di 2 • 1, 2
0
voti
Se il tuo obiettivo è leggere lo stato del pulsante a 12 V penso che si possa semplificare il tutto con un partitore di tensione, in modo che sul pin di Arduino risultino ~3 V quando il pulsante è premuto.
"Computers, operating systems, networks are a hot mess. They're barely manageable, even if you know a decent amount about what you're doing. Nine out of ten software engineers agree: it's a miracle anything works at all."
@fasterthanlime
@fasterthanlime
0
voti
Il PIN Arduino Digital sarebbe un uscita digitale? Quindi quando vai a premere il pulsante la andrai a mandare in corto verso massa? Non mi pare un gran che. C'è un motivo per questo giro di segnale tra i due PIN?
Se devi solo leggere il pulsante ti e già stato risposto come fare. Se non chiarisci cosà devi fare è difficile dare risposte corrette.
Se devi solo leggere il pulsante ti e già stato risposto come fare. Se non chiarisci cosà devi fare è difficile dare risposte corrette.
-

lelerelele
4.899 3 7 9 - Master

- Messaggi: 5505
- Iscritto il: 8 giu 2011, 8:57
- Località: Reggio Emilia
0
voti
Nel tuo schema i gnd sono separati, se vuoi collegare direttamente il tuo pulsante devono essere in comune i gnd, altrimenti temo serva un optoisolatore
0
voti
illuminor ha scritto:questo schema che non credo sia corretto
Tecnicamente è corretto e funziona (a patto di configurare digital 2 solo come ingresso e di considerare lettura LOW come pulsante premuto e lettura HIGH non premuto).
In pratica invece ci possono essere due tipi di problemi: il rimbalzo di qualche millisecondo dei contatti meccanici (da risolvere con un filtro hardware o con una routine software), e i disturbi introdotti unendo circuiti con diverse fonti di alimentazione (che si eviterebbero usando un optoisolatore).
Una domanda ben posta è già mezza risposta.
0
voti
The Good, the Bad and the Ugly
- Cominciamo dall'"ugly"
Per solo come hai disegnato lo schema meriteresti di essere bastonato sotto la pianta dei piedi
C'e' una sezione dell'Horowitz and Hill che spiega come (non) disegnare uno schema elettronico - ecco il tuo e' "peggio".
In Fig.1a c'e' il tuo schema ridisegnato in forma "potabile" (si puo' fare molto meglio).
- The bad
Il tuo schema - come ha gia' detto
MarcoD
ma se non definisci meglio l'uso e' difficile indovinare se funzionera' nel caso reale.
Ad es. - ma non solo - perche' la resistenza sul collettore del transistor e' coillegata al Pin Arduino 5 V e non direttamente al 5V (come in Fig. 1b)?
Potrebbe esserci un ottimo motivo (molto sottile che riguarda la "sicurezza") ma occorrerebbe espicitarlo.
Ed ancora - molto piu' banale - come viene gestito il rimbalzo del pulsante? via Sw?
Il pullup sul collettore del transistor potrebbe NON essere necessario perche' interno ad Arduino
La tensione 12 V che tolleranza e "rumore" ha?
- The good
A questo link trovi
5V to 3.3V logic level translation/conversion/shifting: how to interface a 5V output to a 3.3V input.
Le tecniche illustrate sono specifiche per 5V 3.3V ma sono implementabili anche per 12V e 5 V
https://next-hack.com/index.php/2017/09 ... -3v-input/
- Cominciamo dall'"ugly"
Per solo come hai disegnato lo schema meriteresti di essere bastonato sotto la pianta dei piedi
C'e' una sezione dell'Horowitz and Hill che spiega come (non) disegnare uno schema elettronico - ecco il tuo e' "peggio".
In Fig.1a c'e' il tuo schema ridisegnato in forma "potabile" (si puo' fare molto meglio).
- The bad
Il tuo schema - come ha gia' detto
MarcoD ha scritto:Non è malaccio, potrebbe funzionare.
Solo il pull up è un pull down.
ma se non definisci meglio l'uso e' difficile indovinare se funzionera' nel caso reale.
Ad es. - ma non solo - perche' la resistenza sul collettore del transistor e' coillegata al Pin Arduino 5 V e non direttamente al 5V (come in Fig. 1b)?
Potrebbe esserci un ottimo motivo (molto sottile che riguarda la "sicurezza") ma occorrerebbe espicitarlo.
Ed ancora - molto piu' banale - come viene gestito il rimbalzo del pulsante? via Sw?
Il pullup sul collettore del transistor potrebbe NON essere necessario perche' interno ad Arduino
La tensione 12 V che tolleranza e "rumore" ha?
- The good
A questo link trovi
5V to 3.3V logic level translation/conversion/shifting: how to interface a 5V output to a 3.3V input.
Le tecniche illustrate sono specifiche per 5V 3.3V ma sono implementabili anche per 12V e 5 V
https://next-hack.com/index.php/2017/09 ... -3v-input/
0
voti
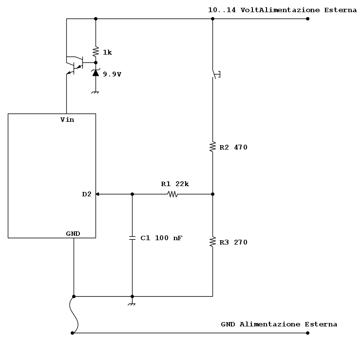
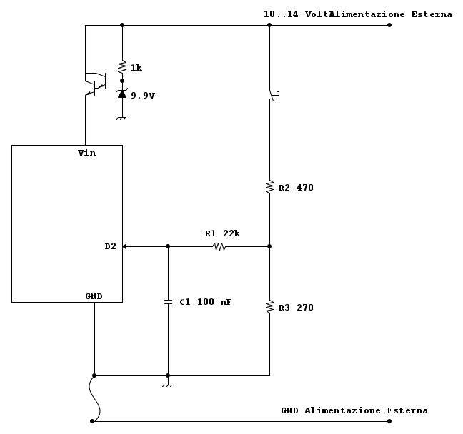
elfo mi ha preceduto, pubblico lo stesso lo schema abbellito e migliorato
Se arduino è alimentato a 9 -12 V usando il 78L05 della scheda, allora il pin 5 V arduino e il +5V coincidono.
....saluti a tutti di buona Pasqua....
1
voti
Rilancio
il circuito ha cinque funzioni:
- partitore
- 16 mA di corrente di bagnatura per il contatto
- filtro RC per debounce (sfruttiamo l'ingresso trigger del micro)
- disaccoppiamento D2 dal resto del mondo (R1)
- fuga a massa della RF (C1)
Potremmo anche dare 24 V al pulsante e, a parte la potenza quadrupla dissipata da R2 e R3, non succederebbe niente.
Facoltativa, ma molto utile, preregolazione dell'alimentazione a circa 8,6V
- partitore
- 16 mA di corrente di bagnatura per il contatto
- filtro RC per debounce (sfruttiamo l'ingresso trigger del micro)
- disaccoppiamento D2 dal resto del mondo (R1)
- fuga a massa della RF (C1)
Potremmo anche dare 24 V al pulsante e, a parte la potenza quadrupla dissipata da R2 e R3, non succederebbe niente.
Facoltativa, ma molto utile, preregolazione dell'alimentazione a circa 8,6V
Una domanda ben posta è già mezza risposta.
0
voti
MarcoD ha scritto:
elfo mi ha preceduto, pubblico lo stesso lo schema abbellito e migliorato
Se arduino è alimentato a 9 -12 V usando il 78L05 della scheda, allora il pin 5 V arduino e il +5V coincidono.
....saluti a tutti di buona Pasqua....
- Appena mi arriva la scheda proverò e vedremo che succede mi auguro di non bruciarla nuovamente.
12 messaggi
• Pagina 1 di 2 • 1, 2
Chi c’è in linea
Visitano il forum: Nessuno e 4 ospiti

Elettrotecnica e non solo (admin)
Un gatto tra gli elettroni (IsidoroKZ)
Esperienza e simulazioni (g.schgor)
Moleskine di un idraulico (RenzoDF)
Il Blog di ElectroYou (webmaster)
Idee microcontrollate (TardoFreak)
PICcoli grandi PICMicro (Paolino)
Il blog elettrico di carloc (carloc)
DirtEYblooog (dirtydeeds)
Di tutto... un po' (jordan20)
AK47 (lillo)
Esperienze elettroniche (marco438)
Telecomunicazioni musicali (clavicordo)
Automazione ed Elettronica (gustavo)
Direttive per la sicurezza (ErnestoCappelletti)
EYnfo dall'Alaska (mir)
Apriamo il quadro! (attilio)
H7-25 (asdf)
Passione Elettrica (massimob)
Elettroni a spasso (guidob)
Bloguerra (guerra)












