Buon giorno a tutti!
Sono un nuovo utente e gradirei avere una vostra opinione in merito a questo argomento:
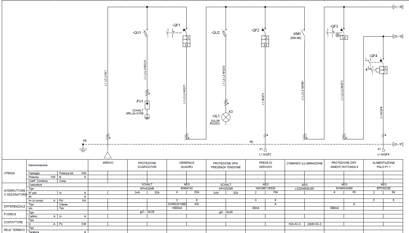
Come da immagine allegata mi trovo su uno schema tre interruttori con queste caratteristiche da monte a valle:
1)Generale quadro, interruttore magneto termico differenziale da 32A, Protezione differenziale innesti rotonda 4 da 63A e in fine Alimentazione palo P1 (ce ne sono diversi) da 6A.
Che motivo ci potrebbe essere per aver messo un 63A a metà e non a monte?
Grazie
davide
Interruttori differenziali
Moderatori:
sebago,
MASSIMO-G,
lillo,
Mike
9 messaggi
• Pagina 1 di 1
0
voti
E' un differenziale puro, quindi può darsi che non sia disponibile (di quella marca) un differenziale puro con In 32 A .
Tale differenziale infatti, per essere corretamente protetto dalle sovracorrenti deve avere In > In interruttore a monte.
Forse c'è da chiedersi soprattutto perché c'è un differenziale a monte di tutto....
Tale differenziale infatti, per essere corretamente protetto dalle sovracorrenti deve avere In > In interruttore a monte.
Forse c'è da chiedersi soprattutto perché c'è un differenziale a monte di tutto....
0
voti
Grazie!
D
PS
In effetti sto verificando anche con il progettista...
D
PS
In effetti sto verificando anche con il progettista...
0
voti
In che senso a metà? Quel differenziale puro protegge la linea innesto rotonda 4. Se non ci fosse salterebbe, in caso di disperazione a terra, il blocco differenziale dell'interruttore generale (anch'esso da 63A). Questo creerebbe un disservizio su tutti gli interruttori a valle di tale interruttore e non solo della linea innesto rotonda 4. In ogni caso non ha senso che il differenziale puro sia da 63A, in quanto oltre i 32A scatta il magnetotermico dell' interruttore generale, quindi tale differenziale puro lo puoi mettere da 40A. Inoltre, dato che alimenta circuiti terminali servirebbe da 30mA. AEG li fa anche da 40A.
0
voti
Il progettista ha scelto dispositivi differenziali con corrente differenziale nominale differente tra di loro.
Probabilmente non ci sarà completa selettività perché il differenziale a monte dovrebbe essere regolabile in tempo ma forse la valuta come un compromesso accettabile.
Probabilmente non ci sarà completa selettività perché il differenziale a monte dovrebbe essere regolabile in tempo ma forse la valuta come un compromesso accettabile.
0
voti
Aria ha scritto:Il progettista ha scelto dispositivi differenziali con corrente differenziale nominale differente tra di loro.
Probabilmente non ci sarà completa selettività perché il differenziale a monte dovrebbe essere regolabile in tempo ma forse la valuta come un compromesso accettabile.
Ma dato che alimenta una serie di circuiti terminali non servirebbe da 30mA il differenziale puro?
0
voti
DavNic ha scritto:Che motivo ci potrebbe essere per aver messo un 63A a metà e non a monte?
Quello "a metà è un differenziale puro e pertanto si ragiona sulla Id, non sulla In (4x63A) che serve solo per garantire il sezionamento (se è previsto da costruttore) e la corrente nominale derivante dai carichi a valle. Ha usato una In da 63A probabilmente perché quel costruttore ha solo quella taglia per i differenziali puri.
Il MTD a monte potrebbe essere il DG ed è stata prevista la protezione differenziale perché probabilmente il quadro elettrico è metallico; ecco perché è stato messo con Id = 1A. Però, se gli SPD a monte sono solo del tipo a varistore, non è garantita in ogni caso la protezione dai contatti indiretti.
--
Michele Lysander Guetta
--
"Non pensare mai al dolore, al pericolo o ai nemici un momento più lungo del necessario per combatterli." — Ayn Rand
Michele Lysander Guetta
--
"Non pensare mai al dolore, al pericolo o ai nemici un momento più lungo del necessario per combatterli." — Ayn Rand
-

Mike
55,6k 7 10 12 - G.Master EY

- Messaggi: 17006
- Iscritto il: 1 ott 2004, 18:25
- Località: Conegliano (TV)
0
voti
Mike ha scritto:DavNic ha scritto:Che motivo ci potrebbe essere per aver messo un 63A a metà e non a monte?
Ha usato una In da 63A probabilmente perché quel costruttore ha solo quella taglia per i differenziali puri.
Esiste anche da 40A. Si chiama AEG EHFI40/300-4, codice AEG604494.
Inutile avere il 63A se più di 32A non ci passeranno mai.
1
voti
Esiste anche da 40A. Si chiama AEG EHFI40/300-4, codice AEG604494.
Inutile avere il 63A se più di 32A non ci passeranno mai.
Hai ragione,magari è semplicemente un motivo di gestione di magazzino o di acquisti per avere meno codici
9 messaggi
• Pagina 1 di 1
Torna a Impianti, sicurezza e quadristica
Chi c’è in linea
Visitano il forum: Nessuno e 140 ospiti

Elettrotecnica e non solo (admin)
Un gatto tra gli elettroni (IsidoroKZ)
Esperienza e simulazioni (g.schgor)
Moleskine di un idraulico (RenzoDF)
Il Blog di ElectroYou (webmaster)
Idee microcontrollate (TardoFreak)
PICcoli grandi PICMicro (Paolino)
Il blog elettrico di carloc (carloc)
DirtEYblooog (dirtydeeds)
Di tutto... un po' (jordan20)
AK47 (lillo)
Esperienze elettroniche (marco438)
Telecomunicazioni musicali (clavicordo)
Automazione ed Elettronica (gustavo)
Direttive per la sicurezza (ErnestoCappelletti)
EYnfo dall'Alaska (mir)
Apriamo il quadro! (attilio)
H7-25 (asdf)
Passione Elettrica (massimob)
Elettroni a spasso (guidob)
Bloguerra (guerra)




