Ragazzi, mi sento veramente scemo (e purtroppo questo accade piuttosto spesso quando mi cimento con l'elettronica e l'elettrotecnica), perdonatemi se le mie domande sono sempre così sceme :|
Ma veniamo al problema di oggi.
Sto cercando di far scattare un relé da un segnale di arduino. Il circuito è alimentato da un trasformatore 12V DC che alimenta sia i LED che Arduino, ma quest ultimo attraverso uno stepdown che porta la tensione al microcontrollore a 5V. Quindi il segnale che va al rele' (il filo giallo) è 5v (misurando, per la verita' e' anche un po' meno)
Ebbene il relé si attiva, ma misuro 0 volt in uscita, e quindi ovviamente i Led non si accendono.
Ora, è vero che il relé è 12V mentre il segnale è 5V però 1- in ogni caso sento che si attiva quando il segnale sale 2- ho provato a misurare sia COM-NC che COM-NO e non ho tensione in nessuno dei casi 3- ho provato a dargli un "segnale" da una 12V esterna e di nuovo vedo che trigga, ma nessuna tensione
e infine 4- ho cambiato il relé
Niente, non si accende niente. Buio come la fine del mondo.
Dove sto sbagliando? Oo?
Relé si attiva, ma non ho tensione sull'uscita
11 messaggi
• Pagina 1 di 2 • 1, 2
0
voti
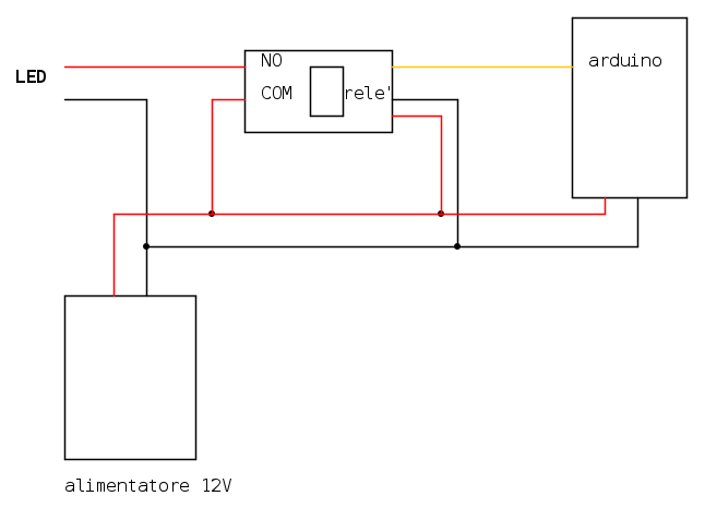
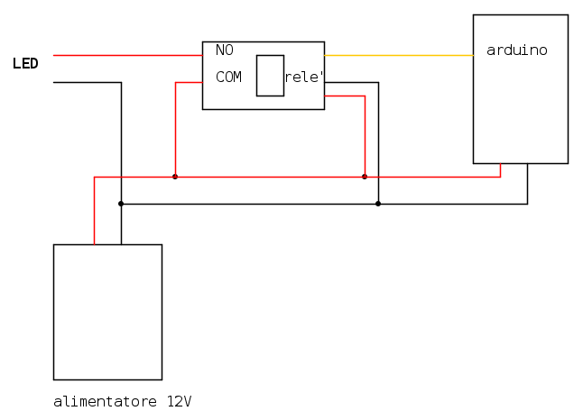
Allora, premesso che almeno uno schema dei collegamenti potevi farcelo, comunque:
Se hai disponibile 12V perché non porti quelli al relè, visto che è anche la sua tensione di intervento ?
Perché sulla morsettiera del relè vedo un filo rosso e uno nero ?
Nel caso che non lo sapessi il relè fa solo da interruttore non porta alimentazione, in genere si seziona un terminale con il relè.
Se hai disponibile 12V perché non porti quelli al relè, visto che è anche la sua tensione di intervento ?
Perché sulla morsettiera del relè vedo un filo rosso e uno nero ?
Nel caso che non lo sapessi il relè fa solo da interruttore non porta alimentazione, in genere si seziona un terminale con il relè.
0
voti
0
voti
Non credevo servisse uno schema, pensavo di aver sbagliato a collegare il relé quindi uno schema non avrebbe detto nulla di piu'.
Non ho a disposizione un segnale a 12V in realtà. Ho provvisoriamente fornito 12V sul terminale di attivazione dal mio alimentatore da banco perché mi era venuto il dubbio che potesse essere insufficiente la 5V ad attivarlo (anche se lo sentivo scattare), ma non è cambiato nulla. Ok potrei alzare il segnale a 12V con un transistor immagino, ma farei prima a cambiare il relé suppongo.
Aspetta che pero' quello che mi hai detto mi è suonato come un cartone nella mia testa annebbiata. Ok il rele' e' solo un interruttore certo....ma questo modulino in quanto tale non e' pensato per specchiarmi la tensione in uscita e disaccoppiare i circuiti di ingresso e uscita?
Ergo, dove io ho attaccato sull'uscita una massa (filo nero?) in realta' dovevo dargli la VCC? O___O
Non ho a disposizione un segnale a 12V in realtà. Ho provvisoriamente fornito 12V sul terminale di attivazione dal mio alimentatore da banco perché mi era venuto il dubbio che potesse essere insufficiente la 5V ad attivarlo (anche se lo sentivo scattare), ma non è cambiato nulla. Ok potrei alzare il segnale a 12V con un transistor immagino, ma farei prima a cambiare il relé suppongo.
Aspetta che pero' quello che mi hai detto mi è suonato come un cartone nella mia testa annebbiata. Ok il rele' e' solo un interruttore certo....ma questo modulino in quanto tale non e' pensato per specchiarmi la tensione in uscita e disaccoppiare i circuiti di ingresso e uscita?
Ergo, dove io ho attaccato sull'uscita una massa (filo nero?) in realta' dovevo dargli la VCC? O___O
0
voti
Guarda, faccio fatica a seguirti, comunque il segnale per attivare il relè è a 5V, quindi vai diretto con una uscita digitale di arduino, è il modulo che lo devi alimentare a 12V per poter eccitare correttamente il relè.
Il modulo non da tensione in se, da in uscita solo i contatti del relè, quindi comune, normalmente aperto e normalmente chiuso.
Guada lo schema che ti postato, mi sembra abbastanza chiaro il collegamento che dei vare.
Il modulo non da tensione in se, da in uscita solo i contatti del relè, quindi comune, normalmente aperto e normalmente chiuso.
Guada lo schema che ti postato, mi sembra abbastanza chiaro il collegamento che dei vare.
0
voti
GabrioB ha scritto:...
Ergo, dove io ho attaccato sull'uscita una massa (filo nero?) in realta' dovevo dargli la VCC? O___O
Esatto, poi ovviamente devi portare il negativo direttamente ai led oltre a questo
0
voti
Perfetto!! Grazie mille funziona perfettamente!!
In realtà no, nel senso che il codice su Arduino non fa proprio per niente quello che avrebbe dovuto fare, ma questa e' un'altra storia
Grazie mille, non avevo idea che il "modulo" relé si collegasse in questo modo ^^ Ho imparato adesso :)
In realtà no, nel senso che il codice su Arduino non fa proprio per niente quello che avrebbe dovuto fare, ma questa e' un'altra storia
Grazie mille, non avevo idea che il "modulo" relé si collegasse in questo modo ^^ Ho imparato adesso :)
0
voti
GabrioB ha scritto:..
In realtà no, nel senso che il codice su Arduino non fa proprio per niente quello che avrebbe dovuto fare, ma questa e' un'altra storia
..
Posta il codice e spiega cosa vuoi che faccia e vediamo dove sta il problema.
0
voti
CI sbatto prima un pochino per conto mio :) se dal punto di vista elettronico posso essere giustificato, come informatico non ho alibi
un po' di debug e poi torno eheh
11 messaggi
• Pagina 1 di 2 • 1, 2
Torna a Costruzione, riparazione, riutilizzo
Chi c’è in linea
Visitano il forum: Google [Bot] e 31 ospiti

Elettrotecnica e non solo (admin)
Un gatto tra gli elettroni (IsidoroKZ)
Esperienza e simulazioni (g.schgor)
Moleskine di un idraulico (RenzoDF)
Il Blog di ElectroYou (webmaster)
Idee microcontrollate (TardoFreak)
PICcoli grandi PICMicro (Paolino)
Il blog elettrico di carloc (carloc)
DirtEYblooog (dirtydeeds)
Di tutto... un po' (jordan20)
AK47 (lillo)
Esperienze elettroniche (marco438)
Telecomunicazioni musicali (clavicordo)
Automazione ed Elettronica (gustavo)
Direttive per la sicurezza (ErnestoCappelletti)
EYnfo dall'Alaska (mir)
Apriamo il quadro! (attilio)
H7-25 (asdf)
Passione Elettrica (massimob)
Elettroni a spasso (guidob)
Bloguerra (guerra)




