Stabilità di un amplificatore retroazionato
Moderatori:
carloc,
g.schgor,
BrunoValente,
IsidoroKZ
49 messaggi
• Pagina 3 di 5 • 1, 2, 3, 4, 5
0
voti
-

MauroLombardi
15 1 3 - Messaggi: 16
- Iscritto il: 19 mag 2025, 10:02
1
voti
IsidoroKZ ha scritto:gill90 concordi?
Sono d'accordo. Di fatto i due differenziali di carico sono diversi tra loro e vedono una capacità di Miller differente, comunque l'uscita coinvolge solo il ramo che guadagna quindi è più sensato agire sulla sua di compensazione.
Sembra però che, inibendo l'effetto in AC della reotrazione più esterna (bloccando la reimmissione verso la base di Q502) e analizzando solo la reazione locale, cambiando il carico visto dal secondo differenziale si passi dall'avere due poli sinistri ad avere due poli destri (la funzione di trasferimento è sempre da Vin al collettore di Q503). Ho dato un'occhiata agli SPICE ma non ho notato nessuna induttanza parassita, penso quindi che questo sia dovuto all'asimmetria dei due rami, in particolare alla capacità di base-collettore che vede un'impedenza diversa nei due casi: se si mette anche sul collettore di Q504 una resistenza di valore opportuno si bilancia anche quel ramo, si rende lo stadio simmetrico e la fase torna ad avere un comportamento più umano.
Se dovessi "dare la colpa a qualcuno", direi che le capacità Cbc nei due casi inizino ad agire a frequenze diverse, creando dei percorsi a bassa impedenza non simmetrici che fanno sommare i due segnali con fasi stranissime. E alla fine, se il guadagno d'anello è sufficiente, si spostano i poli dal semipiano sinistro a quello destro, rendendo instabile il sistema già dopo il primo stadio.
Io comunque non ho mai visto usare questo tipo di retroazione locale nel primo stadio di un differenziale, anche secondo me è sufficiente usare uno specchio come carico se si vuole aumentare il guadagno, e in ogni caso utilizzare solo uno dei due rami come ingresso per il secondo stadio di guadagno onde evitare interazioni strane ad alta frequenza.
1
voti
Tornando a Q504, dal momento che effettivamente non ho capito a cosa serve e perché è collegato in quel modo ho provato ad eliminarlo e... MIRACOLO! Senza nessuna compensazione l'amplificatore funziona perfettamente, nel simulatore. In effetti c'è una piccola tensione di offset, ma quella si risolve.
Però il grafico comunque non mi convince, credo (ma in questo chiedo conferma a voi) che a una certa frequenza dovrebbe avere una brusca inversione di fase, o sbaglio?
-

MauroLombardi
15 1 3 - Messaggi: 16
- Iscritto il: 19 mag 2025, 10:02
2
voti
Chiacchierando con
IsidoroKZ sono stato invitato a dare un'occhiata a questo thread e magari anche dire la mia. Ci provo.
Anzitutto tengo a sottolineare che ormai, da un bel po' anche, mi sono abbastanza disinteressato agli amplificatori audio per la buona ragione che, al giorno d'oggi, non vi è più un granché da dire su di essi (in realtà sono almeno quarant'anni che non vi è più niente di veramente nuovo da dire ma almeno fino a una decina di anni fa c'era comunque molta passione intorno ad essi; ormai però si è molto smorzata).
Il secondo punto che voglio sottolineare è che, sebbene a suo tempo mi abbiano preso molto, oggi le simulazioni circuitali non mi scaldano davvero più di tanto: pur essendo alle volte molto utili per capire e mettere meglio a fuoco quel che sta succedendo, non sono esattamente lo specchio della realtà, anzi - e un bell'esempio è venuto fuori proprio qui: che percorsi multipli di segnale in un circuito possono generare dei bei pasticci te lo insegna l'esperienza, non certo il simulatore, che ti spiattella sì in faccia un risultato un risultato strano o balordo ma poi lascia a te l'onere di cavarne fuori le ragioni (questo quando tutto il resto fila liscio, altrimenti altro che spremitura di neuroni fresca!).
(continua)
Anzitutto tengo a sottolineare che ormai, da un bel po' anche, mi sono abbastanza disinteressato agli amplificatori audio per la buona ragione che, al giorno d'oggi, non vi è più un granché da dire su di essi (in realtà sono almeno quarant'anni che non vi è più niente di veramente nuovo da dire ma almeno fino a una decina di anni fa c'era comunque molta passione intorno ad essi; ormai però si è molto smorzata).
Il secondo punto che voglio sottolineare è che, sebbene a suo tempo mi abbiano preso molto, oggi le simulazioni circuitali non mi scaldano davvero più di tanto: pur essendo alle volte molto utili per capire e mettere meglio a fuoco quel che sta succedendo, non sono esattamente lo specchio della realtà, anzi - e un bell'esempio è venuto fuori proprio qui: che percorsi multipli di segnale in un circuito possono generare dei bei pasticci te lo insegna l'esperienza, non certo il simulatore, che ti spiattella sì in faccia un risultato un risultato strano o balordo ma poi lascia a te l'onere di cavarne fuori le ragioni (questo quando tutto il resto fila liscio, altrimenti altro che spremitura di neuroni fresca!).
(continua)
3
voti
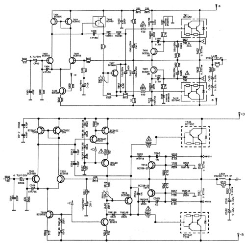
Tornando ora a noi, dalla mia esperienza è emerso che lo stadio differenziale all'ingresso degli amplificatori va tenuto ragionevolmente il più semplice possibile e che ogni sua complicazione (cascodi, doppi differenziali in cascata, complementarizzazioni ecc.) va adottata con le pinze e a ragion veduta, soprattutto quando di fatto si va a costruire una doppia catena di amplificazione convergente su un'unica uscita single ended - In figura uno schema d'esempio derivato da un vecchio ampli integrato della Grundig (prima metà degli anni ottanta)
(nello schema originale è stato omesso un pallino sul collegamento della base di T16 - un BC560B - grazie a
IsidoroKZ per avermelo segnalato)
Lo schema è uno dei tanti dello stesso genere che circolavano all'epoca (altri esempi si ritrovano in alcuni Kenwood e in alcuni circuiti proposti dalla Hitachi - da cui in fondo derivano - per i suoi MOSFET di potenza) e di cui vanno notate le numerose compensazioni locali adottate non solo per stabilizzare l'amplificatore ma soprattutto per assicurare che i diversi percorsi del segnale abbiano gli stessi tempi di percorrenza. Come si può immaginare, non sono esattamente una passeggiata da calibrare e, nonostante la cura postavi, il rischio che qualche instabilità "scappi" dalla gabbia delle compensazioni rimane piuttosto importante. Al giorno d'oggi, quando sono ancora usati, questi schemi si usano solo se e dove veramente servono, non certo per un amplificatore audio.
(continua)
(nello schema originale è stato omesso un pallino sul collegamento della base di T16 - un BC560B - grazie a
Lo schema è uno dei tanti dello stesso genere che circolavano all'epoca (altri esempi si ritrovano in alcuni Kenwood e in alcuni circuiti proposti dalla Hitachi - da cui in fondo derivano - per i suoi MOSFET di potenza) e di cui vanno notate le numerose compensazioni locali adottate non solo per stabilizzare l'amplificatore ma soprattutto per assicurare che i diversi percorsi del segnale abbiano gli stessi tempi di percorrenza. Come si può immaginare, non sono esattamente una passeggiata da calibrare e, nonostante la cura postavi, il rischio che qualche instabilità "scappi" dalla gabbia delle compensazioni rimane piuttosto importante. Al giorno d'oggi, quando sono ancora usati, questi schemi si usano solo se e dove veramente servono, non certo per un amplificatore audio.
(continua)
2
voti
Nel tempo si sono tentate varie strade per cercare di migliorare le caratteristiche degli stadi differenziali di ingresso degli amplificatori audio (si veda tra quelli descritti Douglas Self nei suoi libri) ma alla fine della fiera, oltre alle volte a introdurre nuovi problemi e instabilità proprie, si sono rivelate per lo più complicazioni inutili dai benefici abbastanza trascurabili. L'unica tra queste (peraltro la più semplice) che ha retto realmente la prova del tempo è il cascode, soprattutto per l'utilissimo aspetto pratico di poter combinare in un unico "supertransistor" le buone caratteristiche di molti transistor di segnale, ottimi in tutto tranne che nelle tensioni di lavoro, con la robustezza di buoni planari come i BD137 e analoghi usati come stadi di uscita.
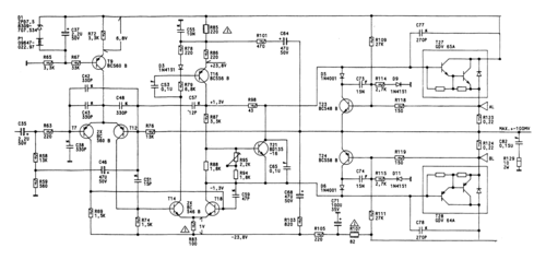
Nella maggioranza dei casi, salvo che in quelli dove è davvero richiesta una potenza di uscita molto elevata, lo schema tipico di uno stadio di uscita è grosso modo una delle due varianti proposte (con rete di bootstrap o generatore di corrente a caricare il VAS) nella figura sottostante:
Si tratta di uno schema abbastanza moderno ma assolutamente convenzionale in cui l'unico accenno (minimo) di sofisticazione è il carico attivo del differenziale che esce in single-ended a pilotare lo stadio seguente, il VAS. E checché ne pensino gli audiofili, è anche uno schema su cui ha poco senso stare a cavillare: fa il suo mestiere onestamente senza grandi pretese ma senza nemmeno deludere le aspettative minime che oggi si possono avere su un buon amplificatore audio domestico. Lo prendi, lo colleghi, l'accendi e va. Fine della storia.
(continua)
Nella maggioranza dei casi, salvo che in quelli dove è davvero richiesta una potenza di uscita molto elevata, lo schema tipico di uno stadio di uscita è grosso modo una delle due varianti proposte (con rete di bootstrap o generatore di corrente a caricare il VAS) nella figura sottostante:
Si tratta di uno schema abbastanza moderno ma assolutamente convenzionale in cui l'unico accenno (minimo) di sofisticazione è il carico attivo del differenziale che esce in single-ended a pilotare lo stadio seguente, il VAS. E checché ne pensino gli audiofili, è anche uno schema su cui ha poco senso stare a cavillare: fa il suo mestiere onestamente senza grandi pretese ma senza nemmeno deludere le aspettative minime che oggi si possono avere su un buon amplificatore audio domestico. Lo prendi, lo colleghi, l'accendi e va. Fine della storia.
(continua)
3
voti
Fine della storia ho detto prima - ma di quale storia? Beh, almeno di una, la storia (meglio la storiella) che i problemi qualitativi di una elettronica audio dipendano da fenomeni misteriosi, poco o punto compresi perfino dagli stessi ingegneri, e che per venirne a capo occorra sofisticare a tal i circuiti da renderli comprensibili solo a pochi eletti della scienza o persino ipotizzare facoltà dell'udito umano ancora sconosciute alla medicina e alla fisiologia contemporanee...
Tutte balle ovviamente e nemmeno delle migliori. La realtà e che i problemi qualitativi degli apparecchi audio (quando e se esistono e qualcuno in effetti esiste) dipendono non dai circuiti o dai componenti elettronici che impiegano ma piuttosto da altri fattori che, pur noti e anche affrontati e risolti quando occorre, sono spesso trascurati o considerati irrilevanti nelle loro conseguenze, non di rado senza aver riflettuto nel merito e verificato che lo siano realmente. Proverò ora a esporne qualcuno.
L'aspetto a mio avviso più frainteso e meno curato di buona parte degli amplificatori in circolazione è la loro alimentazione elettrica, un aspetto cruciale che sta peraltro alla base della "misteriosa" differenza di timbrica tra i moderni amplificatori a transistori e gli ormai stra-obsoleti amplificatori a tubi ancora oggi ricercati da molti e per la quale si è "teorizzato" di tutto e di più non arrivando quasi mai, nonostante il lungo tempo da cui è in corso la discussione, ad alcuna conclusione scientificamente plausibile. Al più è stato colto di tanto in tanto qualche elemento sicuramente importante del problema (la diversa impedenza di generatore con cui vengono pilotati gli altoparlanti per esempio) ma senza arrivare a una conclusione definitiva.
Eppure le chiavi per comprendere e risolvere la questione sono sempre state sotto il naso di tutti, fin dall'inizio. E queste sono le stesse per capire l'origine degli errori con cui viene generalmente impostata l'alimentazione degli amplificatori a transistori. Che in sostanza si riduce a uno solo sostanziale: mentre negli amplificatori a tubi, per l'impraticabilità di ottenere da essi alti tassi di retroazione in grado di contrastare non linearità e disturbi, l'alimentazione dei singoli stadi è curata, pulita e "dosata" per ciascuno di essi, negli schemi a transistori, strutturati per lo più come operazionali di potenza, questo in genere non avviene e ciò comporta le sue brave conseguenze.
(continua)
Tutte balle ovviamente e nemmeno delle migliori. La realtà e che i problemi qualitativi degli apparecchi audio (quando e se esistono e qualcuno in effetti esiste) dipendono non dai circuiti o dai componenti elettronici che impiegano ma piuttosto da altri fattori che, pur noti e anche affrontati e risolti quando occorre, sono spesso trascurati o considerati irrilevanti nelle loro conseguenze, non di rado senza aver riflettuto nel merito e verificato che lo siano realmente. Proverò ora a esporne qualcuno.
L'aspetto a mio avviso più frainteso e meno curato di buona parte degli amplificatori in circolazione è la loro alimentazione elettrica, un aspetto cruciale che sta peraltro alla base della "misteriosa" differenza di timbrica tra i moderni amplificatori a transistori e gli ormai stra-obsoleti amplificatori a tubi ancora oggi ricercati da molti e per la quale si è "teorizzato" di tutto e di più non arrivando quasi mai, nonostante il lungo tempo da cui è in corso la discussione, ad alcuna conclusione scientificamente plausibile. Al più è stato colto di tanto in tanto qualche elemento sicuramente importante del problema (la diversa impedenza di generatore con cui vengono pilotati gli altoparlanti per esempio) ma senza arrivare a una conclusione definitiva.
Eppure le chiavi per comprendere e risolvere la questione sono sempre state sotto il naso di tutti, fin dall'inizio. E queste sono le stesse per capire l'origine degli errori con cui viene generalmente impostata l'alimentazione degli amplificatori a transistori. Che in sostanza si riduce a uno solo sostanziale: mentre negli amplificatori a tubi, per l'impraticabilità di ottenere da essi alti tassi di retroazione in grado di contrastare non linearità e disturbi, l'alimentazione dei singoli stadi è curata, pulita e "dosata" per ciascuno di essi, negli schemi a transistori, strutturati per lo più come operazionali di potenza, questo in genere non avviene e ciò comporta le sue brave conseguenze.
(continua)
0
voti
Grazie
Piercarlo per tutte le preziose informazioni che stai condividendo.
Vorrei anche una risposta a questo, cito me stesso:
Magari tu o altri conoscete la risposta e la domanda è passata inosservata.
Vorrei anche una risposta a questo, cito me stesso:
Però il grafico comunque non mi convince, credo (ma in questo chiedo conferma a voi) che a una certa frequenza dovrebbe avere una brusca inversione di fase, o sbaglio?
Magari tu o altri conoscete la risposta e la domanda è passata inosservata.
-

MauroLombardi
15 1 3 - Messaggi: 16
- Iscritto il: 19 mag 2025, 10:02
0
voti
Bisogna vedere il grafico (dov'è?). La brusca inversione di fase a che frequenze avviene? Perché se avviene in una banda in cui non vi è più guadagno di potenza stiamo parlando praticamente di un fantasma senza importanza. I guai saltano fuori quando un circuito ha ancora del guadagno da spendere altrimenti è come chiedersi a che velocità può andare una macchina col serbatoio vuoto.
AGGIUNTA - Quando un circuito cessa di essere attivo e diventa un "mattone morto" può causare causare problemi solo se si pone sul percorso di un circuito ancora attivo, altrimenti non fa più nulla.
AGGIUNTA - Quando un circuito cessa di essere attivo e diventa un "mattone morto" può causare causare problemi solo se si pone sul percorso di un circuito ancora attivo, altrimenti non fa più nulla.
0
voti
Buongiorno
Piercarlo.
Nel settimo post della prima pagina c'è tutto, grafico, schema elettrico e due link per scaricare lo schema in formato asc e i modelli dei transitor utilizzati nel mio simulatore. Il post di cui parlo è questo:
viewtopic.php?f=1&t=92082#p993254
In effetti guardando il grafico la fase non scende mai nella zona negativa e a nessuna frequenza vedo una brusca inversione di fase. Io mi aspetterei invece enrambe le cose.
Colgo loccasione per taggare anche
gvee che scrisse:
Magari voleva aiutarmi ma gli è sfuggita la successiva pubblicazione degli schemi da parte mia.
Nel settimo post della prima pagina c'è tutto, grafico, schema elettrico e due link per scaricare lo schema in formato asc e i modelli dei transitor utilizzati nel mio simulatore. Il post di cui parlo è questo:
viewtopic.php?f=1&t=92082#p993254
In effetti guardando il grafico la fase non scende mai nella zona negativa e a nessuna frequenza vedo una brusca inversione di fase. Io mi aspetterei invece enrambe le cose.
Colgo loccasione per taggare anche
Uno schema vale più di mille parole.
Magari voleva aiutarmi ma gli è sfuggita la successiva pubblicazione degli schemi da parte mia.
-

MauroLombardi
15 1 3 - Messaggi: 16
- Iscritto il: 19 mag 2025, 10:02
49 messaggi
• Pagina 3 di 5 • 1, 2, 3, 4, 5
Chi c’è in linea
Visitano il forum: Nessuno e 161 ospiti

Elettrotecnica e non solo (admin)
Un gatto tra gli elettroni (IsidoroKZ)
Esperienza e simulazioni (g.schgor)
Moleskine di un idraulico (RenzoDF)
Il Blog di ElectroYou (webmaster)
Idee microcontrollate (TardoFreak)
PICcoli grandi PICMicro (Paolino)
Il blog elettrico di carloc (carloc)
DirtEYblooog (dirtydeeds)
Di tutto... un po' (jordan20)
AK47 (lillo)
Esperienze elettroniche (marco438)
Telecomunicazioni musicali (clavicordo)
Automazione ed Elettronica (gustavo)
Direttive per la sicurezza (ErnestoCappelletti)
EYnfo dall'Alaska (mir)
Apriamo il quadro! (attilio)
H7-25 (asdf)
Passione Elettrica (massimob)
Elettroni a spasso (guidob)
Bloguerra (guerra)

