Ciao a tutti,
mi trovo ancora in fase di progettazione (leggasi best practices) di sistemi fotovoltaici con accumulo.
Consideriamo ora il quadro elettrico che si trova a valle del regolatore di carica (MPPT), dell'inverter (DC) e del sistema di accumulo (BESS).
Ho letto in alcuni papers di Victron e visto nel suo sistema di barre equipotenziali positivo-negativo (Lynx) la possibilità di collegare il negativo a terra, per portare la corrente DC discendente.
Considerate che si tratta di tensioni tra i 50 e i 60 VDC, quindi NON sto parlando di corrente DC proveniente dal campo fotovoltaico e diretta al regolatore di carica MPPT.
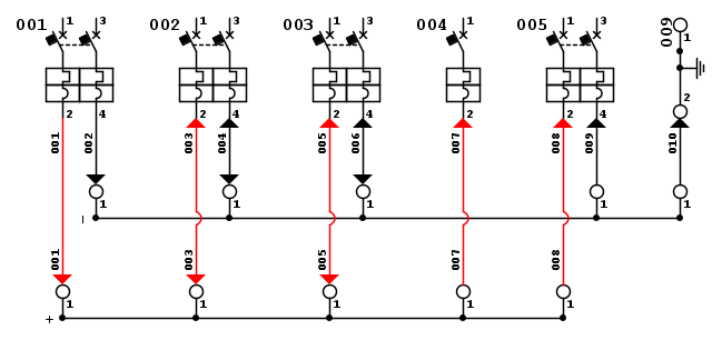
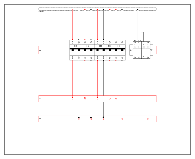
Allego schema installativo, cablaggio quadro-campo e layout per dare una contestualizzazione chiara.
Come vedrete ogni circuito utilizza idoneo magnetotermico per protezione da sovraccarichi e cortocircuiti e permettere la sezionabilità del dispositivo.
Consigliatemi se effettuare tale collegamento specificando pro e contro.
Grazie a tutti!
Quadro corrente continua inverter BESS.
Moderatori:
sebago,
MASSIMO-G,
lillo,
Mike
7 messaggi
• Pagina 1 di 1
0
voti
Il grande vantaggio di un sistema IT, quindi con negativo non collegato a terra, è la sua continuità di esercizio, infatti in caso di primo guasto su un sistema IT il sistema può continuare a funzionare.
Lo svantaggio è che devi mettere un sistema di controllo dell'isolamento per avere riscontro dell'anomalia in caso di guasto e quindi poterla poi gestire, questo in pratica si traduce in un aumento di costo.
Nel classico sistema con la messa a terra del negativo, in caso di guasto, se l'impianto è fatto bene, ti scatta solo la protezione di massima corrente della parte guasta.
Da valutare quindi se l'extra costo può portare un vantaggio o meno, a spanne ti direi che nel caso di un impianto fotovoltaico non ha molto senso, voglio dire potresti continuare a produrre se hai un guasto sulle batterie ma non vedo grandi vantaggi.
Poi chiaramente dipenderà da altri aspetti ad esempio: taglia, posizione, sistema di supervisione etc etc
Su un impianto a ciclo continuo ha senso nel caso in cui abbia un impatto sulla produzione del prodotto finale (es. acciaieria, impianto chimico/farmaceutico).
In generale non ci dovrebbero essere problemi ma se vuoi percorre questa strada direi di valutare anche se i vari dispositivi permettono l'esercizio con questo sistema.
Lo svantaggio è che devi mettere un sistema di controllo dell'isolamento per avere riscontro dell'anomalia in caso di guasto e quindi poterla poi gestire, questo in pratica si traduce in un aumento di costo.
Nel classico sistema con la messa a terra del negativo, in caso di guasto, se l'impianto è fatto bene, ti scatta solo la protezione di massima corrente della parte guasta.
Da valutare quindi se l'extra costo può portare un vantaggio o meno, a spanne ti direi che nel caso di un impianto fotovoltaico non ha molto senso, voglio dire potresti continuare a produrre se hai un guasto sulle batterie ma non vedo grandi vantaggi.
Poi chiaramente dipenderà da altri aspetti ad esempio: taglia, posizione, sistema di supervisione etc etc
Su un impianto a ciclo continuo ha senso nel caso in cui abbia un impatto sulla produzione del prodotto finale (es. acciaieria, impianto chimico/farmaceutico).
In generale non ci dovrebbero essere problemi ma se vuoi percorre questa strada direi di valutare anche se i vari dispositivi permettono l'esercizio con questo sistema.
0
voti
Ciao
Aria, grazie per l'intervento.
Considera che si tratta, come vedi dagli schemi, di una piccolissima porzione di impianto in DC che, fondamentalmente, si trova tra il regolatore di carica e l'inverter, aggiungendo l'in/out dal BESS e un solo utilizzatore in DC costituito da un PLC di controllo impianto.
Il tutto si estende su una porzione di muro di 250 cm x 91 cm.
Se ho compreso bene si finirebbe nel sistema TT con questo funzionamento:
al verificarsi di un guasto di isolamento del positivo all'interno della chassis di un dispositivo messo a terra, avendo il negativo a terra, la corrente DC fluirebbe verso terra generando un corto circuito interrotto dal magnetotermico associato al circuito, corretto?
Che altrimenti funzionerebbe solo nel caso di sovraccarico o cortocircuito franco tra positivo e negativo nello stesso dispositivo.
Mentre nel caso di sistema IT dovrebbero essere gli stessi dispositivi a permettere un monitoraggio dell'isolamento poiché in nessun manuale riporta il consiglio o l'obbligo di adottare un IMD in DC.
Come del resto di mettere a terra il negativo.
Per esempio alcuni MPPT Victron hanno un controllo sull'isolamento tra la struttura metallica che alloggia i pannelli e l'ingresso MPPT stesso, ma nulla al secondario, così come inverter e - credo - batterie.
Però, prendiamo ad esempio l'ecosistema Victron che in questo impianto fornisce MPPT, inverter mentre il BESS è la classica batteria cinese Basen o Manyi: come fare a sapere se viene supportato il collegamento a terra del negativo?
Grazie!
Considera che si tratta, come vedi dagli schemi, di una piccolissima porzione di impianto in DC che, fondamentalmente, si trova tra il regolatore di carica e l'inverter, aggiungendo l'in/out dal BESS e un solo utilizzatore in DC costituito da un PLC di controllo impianto.
Il tutto si estende su una porzione di muro di 250 cm x 91 cm.
Se ho compreso bene si finirebbe nel sistema TT con questo funzionamento:
al verificarsi di un guasto di isolamento del positivo all'interno della chassis di un dispositivo messo a terra, avendo il negativo a terra, la corrente DC fluirebbe verso terra generando un corto circuito interrotto dal magnetotermico associato al circuito, corretto?
Che altrimenti funzionerebbe solo nel caso di sovraccarico o cortocircuito franco tra positivo e negativo nello stesso dispositivo.
Mentre nel caso di sistema IT dovrebbero essere gli stessi dispositivi a permettere un monitoraggio dell'isolamento poiché in nessun manuale riporta il consiglio o l'obbligo di adottare un IMD in DC.
Come del resto di mettere a terra il negativo.
Per esempio alcuni MPPT Victron hanno un controllo sull'isolamento tra la struttura metallica che alloggia i pannelli e l'ingresso MPPT stesso, ma nulla al secondario, così come inverter e - credo - batterie.
Però, prendiamo ad esempio l'ecosistema Victron che in questo impianto fornisce MPPT, inverter mentre il BESS è la classica batteria cinese Basen o Manyi: come fare a sapere se viene supportato il collegamento a terra del negativo?
Grazie!
0
voti
Victron SmartSolar MPPT RS, Victron Multiplus II 48 V, mentre l'accumulo sarà o Basen o Manyi, brand cinesi produttori di batterie e BESS.
Non vedo comunque una criticità nel mettere a terra il negativo, non credo che i dispositivi debbano essere costruiti con accortezze particolari per permettere una loro installazione in un sistema così distribuito.
Dal momento che si verificasse una mancanza di isolamento tra il positivo e lo chassis (chiaramente in classe di isolamento I e messo a terra) avverrebbe un cto verso terra per permettere alla corrente continua di fluire verso il negativo (discendente) e provocherebbe l'apertura della protezione magnetotermica associata a quel circuito.
Sbaglio?
Vedi criticità particolari?
Non vedo comunque una criticità nel mettere a terra il negativo, non credo che i dispositivi debbano essere costruiti con accortezze particolari per permettere una loro installazione in un sistema così distribuito.
Dal momento che si verificasse una mancanza di isolamento tra il positivo e lo chassis (chiaramente in classe di isolamento I e messo a terra) avverrebbe un cto verso terra per permettere alla corrente continua di fluire verso il negativo (discendente) e provocherebbe l'apertura della protezione magnetotermica associata a quel circuito.
Sbaglio?
Vedi criticità particolari?
7 messaggi
• Pagina 1 di 1
Torna a Impianti, sicurezza e quadristica
Chi c’è in linea
Visitano il forum: Nessuno e 251 ospiti

Elettrotecnica e non solo (admin)
Un gatto tra gli elettroni (IsidoroKZ)
Esperienza e simulazioni (g.schgor)
Moleskine di un idraulico (RenzoDF)
Il Blog di ElectroYou (webmaster)
Idee microcontrollate (TardoFreak)
PICcoli grandi PICMicro (Paolino)
Il blog elettrico di carloc (carloc)
DirtEYblooog (dirtydeeds)
Di tutto... un po' (jordan20)
AK47 (lillo)
Esperienze elettroniche (marco438)
Telecomunicazioni musicali (clavicordo)
Automazione ed Elettronica (gustavo)
Direttive per la sicurezza (ErnestoCappelletti)
EYnfo dall'Alaska (mir)
Apriamo il quadro! (attilio)
H7-25 (asdf)
Passione Elettrica (massimob)
Elettroni a spasso (guidob)
Bloguerra (guerra)





