Cos'è ElectroYou | Login Iscriviti

ElectroYou - la comunità dei professionisti del mondo elettrico

Progetto PWM SG3525A 100 kHz per Inverter DC/AC 12/230

Elettronica lineare e digitale: didattica ed applicazioni

Moderatori: Foto Utentecarloc, Foto Utenteg.schgor, Foto UtenteBrunoValente, Foto UtenteIsidoroKZ

1
voti

[41] Re: Progetto PWM SG3525A 100 kHz per Inverter DC/AC 12/230

Messaggioda Foto Utentefrankis » 26 lug 2025, 14:49

Ciao Foto Utentestefanodelfiore, grazie dell’aiuto.
Ecco dov’era il problema, nei Farad. Dovendo esprimere il valore in Farad devo mettere 8 o 9 e più decimali.
In più mi sono accorto che nello scrivere la formula ho sbagliato a digitarla, ho digitato il simbolo di divisione "/" invece della parentesi aperta "(" ma è solo un errore di digitazione sul forum e non nel calcolo.
Quella giusta è la seguente:

Freq=1 / {Ct (0.7 * Rt + 3 * Rd)}

Proverò a fare qualche calcolo per vedere se ho capito e se funziona.
Grazie ancora.
Avatar utente
Foto Utentefrankis
745 1 4 8
Stabilizzato
Stabilizzato
 
Messaggi: 427
Iscritto il: 5 set 2024, 15:42

1
voti

[42] Re: Progetto PWM SG3525A 100 kHz per Inverter DC/AC 12/230

Messaggioda Foto UtenteIsidoroKZ » 26 lug 2025, 17:44

Se usi kiloohm e nanofarad, il risultato viene in megahertz.
Per usare proficuamente un simulatore, bisogna sapere molta più elettronica di lui
Plug it in - it works better!
Il 555 sta all'elettronica come Arduino all'informatica! (entrambi loro malgrado)
Se volete risposte rispondete a tutte le mie domande
Avatar utente
Foto UtenteIsidoroKZ
121,2k 1 3 8
G.Master EY
G.Master EY
 
Messaggi: 21059
Iscritto il: 17 ott 2009, 0:00

1
voti

[43] Re: Progetto PWM SG3525A 100 kHz per Inverter DC/AC 12/230

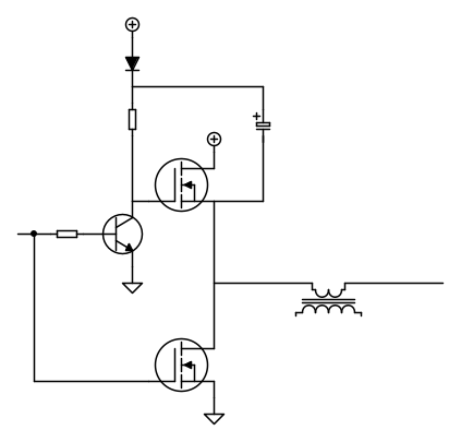
Messaggioda Foto Utentegianniniivo » 27 lug 2025, 1:25

Buonasera Foto UtenteIsidoroKZ, ben ritrovato.
Personalmente, seppur seza pretese, sono contrario ad iniziare con il buffer e procederei come da schema seguente. La frequenza di lavoro è elevata e andrebbe ridotta ma la soluzione in sé mi sembra meno rognosa. Cosa ne pensi?

Avatar utente
Foto Utentegianniniivo
9.035 7 11 13
No Rank
 
Messaggi: 2874
Iscritto il: 5 feb 2019, 23:50

2
voti

[44] Re: Progetto PWM SG3525A 100 kHz per Inverter DC/AC 12/230

Messaggioda Foto Utenteboiler » 27 lug 2025, 9:48

Visto che state rivoluzionando lo schema, un consiglio grafico: smettetela di portarvi a spasso il GND e l'alimentazione. Ci sono simboli da usare che alleggeriscono lo schema e lo rendono leggibile. È uno schema, non un layout.

In un primo passaggio si ottiene questo:


E già il signal to noise migliora (quello degli occhi, non del circuito).
Poi si possono rettificare tutte le scelte stilistiche opinabili frutto dei vincoli causati dal routing dell'alimentazione. Uno dei rami della parte destra diventa così:


Quanto piú arioso e leggibile è? O è solo un'impressione mia?
I flussi di segnale e potenza sono come da convenzione da sinistra a destra e dall'alto al basso.

No ho messo i valori dei componenti non perché non ce li voglio, ma solo perché non ho voglia di ridisegnare accuratamente lo schema, era solo una questione di ottica.

Scusate per l'intromissione e saluti,
Boiler
Avatar utente
Foto Utenteboiler
26,4k 5 9 13
G.Master EY
G.Master EY
 
Messaggi: 5602
Iscritto il: 9 nov 2011, 12:27

0
voti

[45] Re: Progetto PWM SG3525A 100 kHz per Inverter DC/AC 12/230

Messaggioda Foto UtenteSuperfelix » 27 lug 2025, 9:56

il discorso del buffer si e buffer no penso che sia sempre correlato alla frequenza ma anche alla potenza che si vuole generare. Fino a 20-30 kHz ( a trasformatore ) ce la potrebbe anche fare senza buffer ma con frequenze maggiori i 400 mA delle uscite SG3525 possono avere difficoltà.
Inoltre, il buffer permette di pilotare stadi a mosfet anche con relativamente Qg alta senza dover ripiegare su mosfet specifici a basso Qg e si può dimensionare lo stadio di potenza anche con più mosfet per aumentare la potenza. Indubbiamente sarebbe un controllo più robusto ed efficace.
Diciamo che la parte PWM e buffer, fatta bene, poi resterebbe sempre quella anche per inverter di potenze e frequenze maggiori, che sarebbe comoda come cosa.
Per il resto il tuo schema full-bridge è interessante, specialmente per riutilizzare trasformatori senza presa centrale. Io ho disegnato un push-pull perché ho diversi trasformatori audio e vorrei recuperarne l'utilizzo. Buona giornata
Avatar utente
Foto UtenteSuperfelix
180 2 8
Stabilizzato
Stabilizzato
 
Messaggi: 342
Iscritto il: 7 dic 2024, 23:34

0
voti

[46] Re: Progetto PWM SG3525A 100 kHz per Inverter DC/AC 12/230

Messaggioda Foto UtenteSuperfelix » 27 lug 2025, 10:04

boiler ha scritto:Scusate per l'intromissione e saluti,
Boiler


Scusa tu per questi pastrocchi ma è il mio primo schema, devo imparare sia il Cad che le varie convenzioni per disegnare correttamente in modo che lo schema sia più "digeribile" per tutti... colgo l'occasione per scusarmi anche con tutti gli altri che se lo sono dovuto sorbire così com'è... :oops:
Nessuna intromissione... figurati... fa sempre piacere ricevere consigli.
Siamo qui apposta, almeno io. Gli autori dei post, al 99% chiedono consigli e cercano aiuto, quindi figuriamoci.
Prossimi schemi userò le simbologie per Vcc e GND anzichè disegnare tutti i rail di alimentazione :ok:
Avatar utente
Foto UtenteSuperfelix
180 2 8
Stabilizzato
Stabilizzato
 
Messaggi: 342
Iscritto il: 7 dic 2024, 23:34

0
voti

[47] Re: Progetto PWM SG3525A 100 kHz per Inverter DC/AC 12/230

Messaggioda Foto Utenteboiler » 27 lug 2025, 10:05

Ah, ma non era un'osservazione diretta solo a te. Molta gente segue questa terribile prassi. Nulla di personale!

Boiler
Avatar utente
Foto Utenteboiler
26,4k 5 9 13
G.Master EY
G.Master EY
 
Messaggi: 5602
Iscritto il: 9 nov 2011, 12:27

0
voti

[48] Re: Progetto PWM SG3525A 100 kHz per Inverter DC/AC 12/230

Messaggioda Foto UtenteSuperfelix » 27 lug 2025, 11:31

ok, ok no problem... :ok:
Avatar utente
Foto UtenteSuperfelix
180 2 8
Stabilizzato
Stabilizzato
 
Messaggi: 342
Iscritto il: 7 dic 2024, 23:34

0
voti

[49] Re: Progetto PWM SG3525A 100 kHz per Inverter DC/AC 12/230

Messaggioda Foto Utentestefanodelfiore » 27 lug 2025, 14:40

gianniniivo ha scritto:Buonasera Foto UtenteIsidoroKZ, ben ritrovato.
Personalmente, seppur seza pretese, sono contrario ad iniziare con il buffer e procederei come da schema seguente. La frequenza di lavoro è elevata e andrebbe ridotta ma la soluzione in sé mi sembra meno rognosa. Cosa ne pensi?

Aspettando il parere di Isidorokz mi sembra che per una potenza d'uscita di 300 W usare un ponte intero sia esagerato, si complica tutto.
I mosfet1 e mosfet2 hanno in serie al gate un resistore da 1 KΩ, è troppo alto.
I due diodi 1n4148 mi sembrano molto sollecitati.
Poi ho la sensazione che per un istante ci sia la conduzione contemporanea dei due rami del ponte, magari è solo una sensazione.
Avatar utente
Foto Utentestefanodelfiore
1.673 3 8
Master
Master
 
Messaggi: 569
Iscritto il: 28 mar 2009, 20:15
Località: Bologna

0
voti

[50] Re: Progetto PWM SG3525A 100 kHz per Inverter DC/AC 12/230

Messaggioda Foto UtenteEcoTan » 27 lug 2025, 16:17

Per eliminare questa sensazione, con quel tipo di ponte, ci vorrebbe un modulatore dotato di 4 uscite o un adatto microcontrollor.
Avatar utente
Foto UtenteEcoTan
7.720 4 12 13
Expert EY
Expert EY
 
Messaggi: 5422
Iscritto il: 29 gen 2014, 8:54

PrecedenteProssimo

Torna a Elettronica generale

Chi c’è in linea

Visitano il forum: Nessuno e 189 ospiti