Cos'è ElectroYou | Login Iscriviti

ElectroYou - la comunità dei professionisti del mondo elettrico

Protezione ingressi PLC.

Progettazione, esercizio, manutenzione, sicurezza, leggi, normative...

Moderatori: Foto Utentesebago, Foto UtenteMASSIMO-G, Foto Utentelillo, Foto UtenteMike

0
voti

[21] Re: Protezione ingressi PLC.

Messaggioda Foto Utenteaarrdd » 30 lug 2025, 16:54

Aria ha scritto:Li farei lato quadro ma esterni quindi sul lato non Interno al quadro perché almeno con ogni coppia di morsetti puoi sezionare il relativo pulsante, se guardi il primo gruppo di pulsanti funziona solo il morsetto 5, mentre il 6 e 7 sono solo da appoggio per il cablaggio


E' già così!
i terminali 1 e 3 sono riferiti al lato quadro e, rispettivamente, accettano la fase in ingresso (parallelizzata su tutti i morsetti) e la fase di ritorno dal comando (pulsante) in campo (parallelizzata su tutti i morsetti di quel singolo comando);
i terminali 2 e 4 sono riferiti al lato campo e, rispettivamente, accettano la fase in uscita e la fase di ritorno verso il comando in campo.

Capisci bene che se apro i due sezionatori del morsetto 005 il comando in campo "luce 01 - ON/OFF" sarà escluso completamente dalla fase condivisa e dal ritorno della stessa, quindi i comandi 006 e 007 funzioneranno completamente perché il loro ponte di parallelo è lato quadro dopo i sezionatori.

Questi morsetti (https://www.phoenixcontact.com/it-it/pr ... gb-3210402) sono equipaggiabili con spine di sezionamento (https://www.phoenixcontact.com/it-it/pr ... di-3036783), con connettori passanti (https://www.phoenixcontact.com/it-it/pr ... ix-3038956) che ho usato nello 022 per portare la fase condivisa e il ritorno della stessa nel lato opposto del morsetto per cablare i contatti di segnalazione di sezionatore e SPD lato quadro ad un ingresso del PLC.

Come vedi la flessibilità è massima e l'ordine di cablaggio maniacale.

Cosa ne dite?!

Avatar utente
Foto Utenteaarrdd
55 2 7
Frequentatore
Frequentatore
 
Messaggi: 216
Iscritto il: 11 ott 2018, 16:43

0
voti

[22] Re: Protezione ingressi PLC.

Messaggioda Foto UtenteAria » 31 lug 2025, 9:50

Forse non ho capito come funziona il morsetto.
Tu faresti così?
Allegati
TB.jpg
Avatar utente
Foto UtenteAria
562 2 6
Expert EY
Expert EY
 
Messaggi: 447
Iscritto il: 6 lug 2019, 8:53

1
voti

[23] Re: Protezione ingressi PLC.

Messaggioda Foto Utenteaarrdd » 31 lug 2025, 11:06

Foto UtenteAria esattamente.
Come vedi i ponti ad innesto sono quattro file da due: due lato quadro e due lato campo.
Avatar utente
Foto Utenteaarrdd
55 2 7
Frequentatore
Frequentatore
 
Messaggi: 216
Iscritto il: 11 ott 2018, 16:43

0
voti

[24] Re: Protezione ingressi PLC.

Messaggioda Foto UtenteAria » 31 lug 2025, 11:32

OK, allora perfetto.
Ma quanto costano questi suoer morsetti?
Avatar utente
Foto UtenteAria
562 2 6
Expert EY
Expert EY
 
Messaggi: 447
Iscritto il: 6 lug 2019, 8:53

0
voti

[25] Re: Protezione ingressi PLC.

Messaggioda Foto Utenteaarrdd » 31 lug 2025, 11:37

Aria ha scritto:OK, allora perfetto.
Ma quanto costano questi suoer morsetti?


Se ho compreso bene quello che scrive Mouser: 13,70€ 50 pezzi.
https://www.mouser.it/ProductDetail/Pho ... j5XrgfLCQl
Avatar utente
Foto Utenteaarrdd
55 2 7
Frequentatore
Frequentatore
 
Messaggi: 216
Iscritto il: 11 ott 2018, 16:43

0
voti

[26] Re: Protezione ingressi PLC.

Messaggioda Foto Utenteaarrdd » 31 lug 2025, 11:45

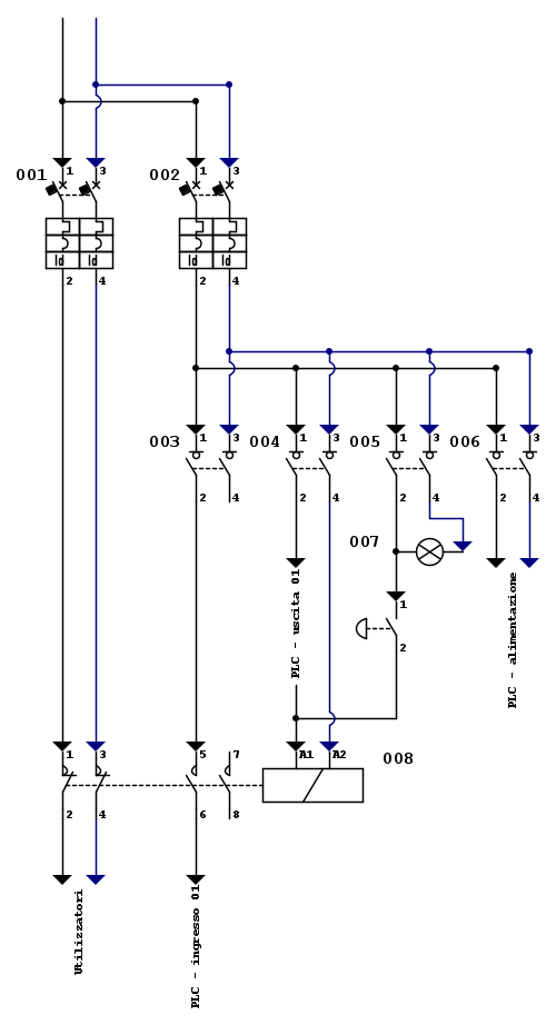
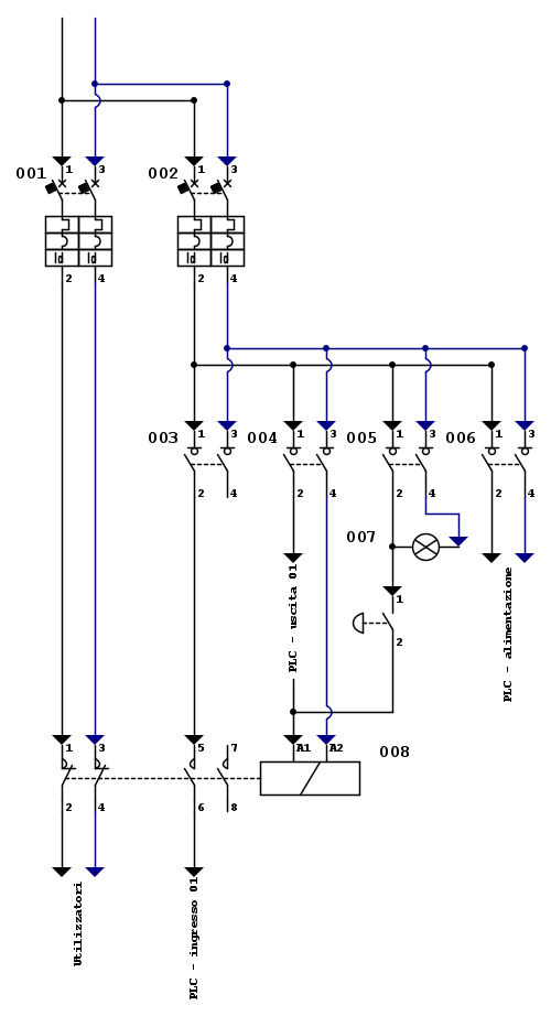
Ultimo dubbio che mi permane su questa implementazione di automazione con PLC è lo sgancio.
Consideriamo di avere una linea che alimenta una serie di prese con utilizzatori e voler mettere, in campo, un pulsante di sgancio a fungo che permetta di disalimentare le suddette prese.
Aggiungiamo che anche da remoto si vuole disattivare.
Ho pensato di sezionare in un'ulteriore linea il circuito "automazione" che vada a servire solo il pulsante in campo, con dovuta segnalazione luminosa essendo "a lancio di corrente" e vada ad agire su un contattore normalmente chiuso con uno dei contatti di potenza che comunichi lo stato ad un ingresso dello stesso PLC.
Per sicurezza forse sarebbe meglio usare un secondo contattore in serie come rincalzo.
Qui lo schema: che ne pensate?!

Avatar utente
Foto Utenteaarrdd
55 2 7
Frequentatore
Frequentatore
 
Messaggi: 216
Iscritto il: 11 ott 2018, 16:43

0
voti

[27] Re: Protezione ingressi PLC.

Messaggioda Foto UtenteAria » 1 ago 2025, 10:00

Io non esagererei a complicare il sistema con doppio contattore visto che mi sembra uno sgancio di "emergenza" non richiesto dalla normativa.
Avatar utente
Foto UtenteAria
562 2 6
Expert EY
Expert EY
 
Messaggi: 447
Iscritto il: 6 lug 2019, 8:53

0
voti

[28] Re: Protezione ingressi PLC.

Messaggioda Foto Utenteaarrdd » 1 ago 2025, 10:26

Aria ha scritto:Io non esagererei a complicare il sistema con doppio contattore visto che mi sembra uno sgancio di "emergenza" non richiesto dalla normativa.


In accordo con te, era solo un dubbio che mi ero posto!
Il resto come lo vedi?
Lo accendiamo?! :D
Avatar utente
Foto Utenteaarrdd
55 2 7
Frequentatore
Frequentatore
 
Messaggi: 216
Iscritto il: 11 ott 2018, 16:43

0
voti

[29] Re: Protezione ingressi PLC.

Messaggioda Foto UtenteAria » 1 ago 2025, 10:28

:ok:
Avatar utente
Foto UtenteAria
562 2 6
Expert EY
Expert EY
 
Messaggi: 447
Iscritto il: 6 lug 2019, 8:53

Precedente

Torna a Impianti, sicurezza e quadristica

Chi c’è in linea

Visitano il forum: Nessuno e 285 ospiti