
Un igrometro da compagnia (e come calibrarlo)
Moderatori:
IsidoroKZ,
PietroBaima,
Ianero
14 messaggi
• Pagina 2 di 2 • 1, 2
0
voti
Ciao
boiler, come sempre complimenti bellissimo progetto!
Per curiosità hai qualche foto del PCB finale e dello schematico?
Sempre affascinante vedere le scelte e il progetto finito nei dettagli di montaggio.
Grazie mille!
Per curiosità hai qualche foto del PCB finale e dello schematico?
Sempre affascinante vedere le scelte e il progetto finito nei dettagli di montaggio.
Grazie mille!
2
voti
dadduni ha scritto:Per curiosità hai qualche foto del PCB finale e dello schematico?
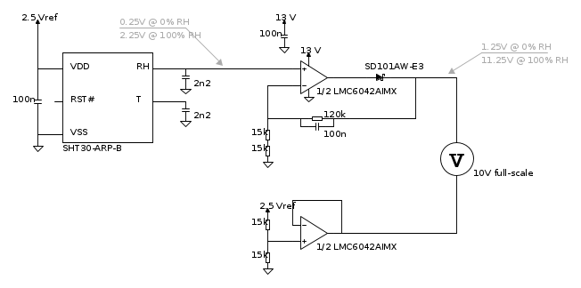
Schema (solo la parte interessante, il riferimento a 2.5V e i 13 V sono generati usando gli schemi standard contenuti nei datasheet dei componenti che ho citato in apertura):
Avrei potuto mettere un resistore in serie al diodo per aggiungere una protezione da cortocircuiti accidentali, ma me ne sono accorto dopo aver prodotto il PCB.
PCB (rosso: top layer, blu: bottom layer):
Render 3D:
Avrete notato che il testpoint in alto a destra riporta la dicitura 12V5, questa era la tensione che avevo previsto di usare inizialmente, ma poi ho l'ho portata a 13V per avere un po' piú di headroom e mi sono dimenticato di aggiornare il silkscreen
La foto del PCB assemblato te la faccio nei prossimi giorni.
Boiler
14 messaggi
• Pagina 2 di 2 • 1, 2
Chi c’è in linea
Visitano il forum: Nessuno e 4 ospiti

Elettrotecnica e non solo (admin)
Un gatto tra gli elettroni (IsidoroKZ)
Esperienza e simulazioni (g.schgor)
Moleskine di un idraulico (RenzoDF)
Il Blog di ElectroYou (webmaster)
Idee microcontrollate (TardoFreak)
PICcoli grandi PICMicro (Paolino)
Il blog elettrico di carloc (carloc)
DirtEYblooog (dirtydeeds)
Di tutto... un po' (jordan20)
AK47 (lillo)
Esperienze elettroniche (marco438)
Telecomunicazioni musicali (clavicordo)
Automazione ed Elettronica (gustavo)
Direttive per la sicurezza (ErnestoCappelletti)
EYnfo dall'Alaska (mir)
Apriamo il quadro! (attilio)
H7-25 (asdf)
Passione Elettrica (massimob)
Elettroni a spasso (guidob)
Bloguerra (guerra)




