
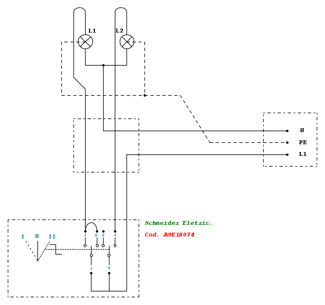
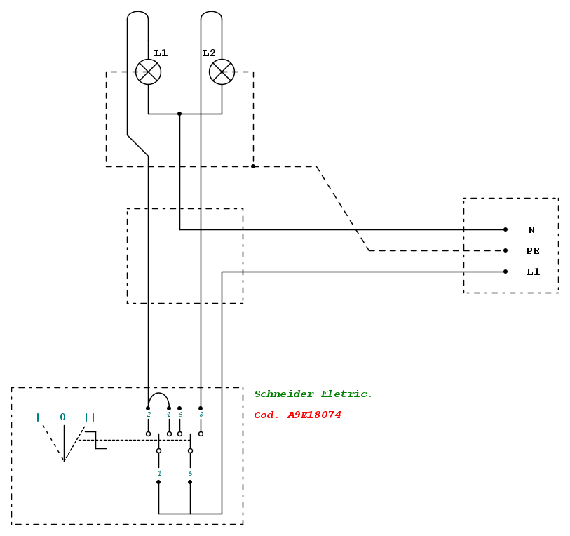
Questa soluzione non va bene, perché la corrente che scorre nei nodi di sinistra è la somma delle correnti alla loro destra.
Moderatori:
sebago,
MASSIMO-G,
lillo,
Mike



illuminor ha scritto:Quindi andrebbe portata una linea per ogni Presa??


Torna a Impianti, sicurezza e quadristica
Visitano il forum: Nessuno e 129 ospiti