Cos'è ElectroYou | Login Iscriviti

ElectroYou - la comunità dei professionisti del mondo elettrico

Punto di lavoro circuiti con MOSFET

Elettronica lineare e digitale: didattica ed applicazioni

Moderatori: Foto Utentecarloc, Foto Utenteg.schgor, Foto UtenteBrunoValente, Foto UtenteIsidoroKZ

0
voti

[1] Punto di lavoro circuiti con MOSFET

Messaggioda Foto UtenteTechKnight » 1 set 2025, 14:06

Stavo giusto provando altri esercizi di elettronica, appelli straordinari credo e questi mi sono sembrati un po' più ambigui per me/più difficili e volevo chiedervi dei chiarimenti sul trovare il punto di lavoro giusto.
Ho provato a chiedere ad un amico già laureato, mi dice che ho scelto due circuiti difficili ?%

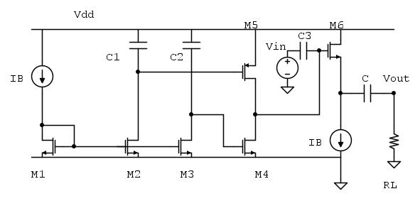
Il primo circuito è questo:


Il circuito è definito come un amplificatore CMOS a 4 stadi? Non ho trovato molto in rete oltre a 2 stadi

Senza dover fare calcoli qui comunque, è evidente che partendo da M1 si hanno due specchi di corrente M1-M2 e M1-M3.

In DC, Vin è a massa, i condensatori sono a circuito aperto, isolando la resistenza RL e lasciando i drain di M2 e M3 aperti.
Queste tensioni di drain di M2 ed M3 però dovrebbero pilotare i gate di M5 e M4 rispettivamente.
Qui mi sorge il dubbio, come procedere qui per trovare le tensioni di drain di M2 ed M3 correttametne? perché Partendo dal CMOS ho solo la tensine di source di M5 ed M4 (che vale 0).

Il mio dubbio è che dato che i drain di M2 ed M3 sono aperti, vuol dire semplicemente che non ci passa corrente, M2 ed M3 sono in interdizione, ma la tensione nei drain? Sempre zero?

Pertanto anche le tensioni di gate di M5 ed M4 sono zero? Insomma sono bloccato qui, appena tornato poco tempo ancora.



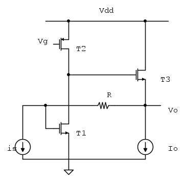
Il secondo circuito è questo:



Il tema d'esame da solo la Vdd, Vg, R e Io.
Ho provato a fare i kcl per entrambi i nodi al primo tentativo ma non mi esce niente di conclusivo. Entrambe le equazioni di kcl riportano il la tensione in R come incognita e non riesco a proseguire

Poi ho notato una piccolezza: che non c'è il segno di connessione tra R e il ramo che collega T1 con T2, ma che è il gate di T1 collegato al ramo tra R e Is? Naturalmente Is in DC è un circuito aperto ma come si svolgerebbe in questo caso?

Come proseguire insomma?

Nel caso posso fornire la lista un po' lunga(che impiego tanto a trascrivere) di Vt e k di tutti i mosfet per entrambi gli esercizi. Grazie e cordiali saluti
Avatar utente
Foto UtenteTechKnight
55 5
 
Messaggi: 27
Iscritto il: 2 lug 2025, 23:27

1
voti

[2] Re: Punto di lavoro circuiti con MOSFET

Messaggioda Foto UtenteIsidoroKZ » 2 set 2025, 2:22

Il primo circuito mi sembra abbia qualche problema: M2 e M3 non sono polarizzati (in continua i condensatori sono circuiti aperti). In queste condizioni M2 e M3 hanno ID=0 e si comportano come resistenze (sono in zona triodo nell'origine) e la tensione di drain di M2 ed M3 e` nulla.

In queste condizioni M4 e` spento e M5 e` acceso, con VSG=Vdd e visto che non puo` erogare corrente, anche lui e` una resistenza in zona triodo. Il gate di M6 e` a Vdd, e finalmente M6 puo` lavorare per il segnale. E` un common drain, in zona satura perche' VGD=0V.
Il condensatore di ingresso e la resistenza di M5 formano un filtro passa alto, come pure C ed RL. Il guadagno e` minore di 1, essendo un common drain.
Chi si e` sognato questo circuito deve aver mangiato pesante, perche' non mi pare abbia molto senso. I condensatori C1 e C2 sono proprio assurdi!

Il secondo circuito e` piu` "normale", ma richiede piu` calcoli. Il circuito e` un amplificatore a due stadi, T1 (common drain) e T3 (common source), mentre T2 e` solo il carico del primo stadio. La resistenza R e` la retroazione che va dal source di T3 al gate di T1, e come hai notato, NON e` collegata al drain di T1.
Per la polarizzazione Is non genera corrente, quindi in R non passa corrente.
Per il segnale R e` un retroazione con prelievo in tensione (parallelo) e confronto in corrente (parallelo), amplificatore di transresistenza, e il circuito si puo` risolvere in tanti modi diversi. Il controllo da farsi alla fine dei conti e` che il guadagno ideale vale -R, quello reale sara` moltiplicato per un coefficiente minore di 1.

Comincia a pensarci su, nei prossimi giorni dovrei avere un po' di tempo in piu`.

Mi sembra di aver risolto in passato un circuito ampli di transresistenza. La retroazione parallelo-parallelo e` quella che ha la massima flessibilita` di scelta del metodo di risoluzione. Si va da Miller, all'equivalente Norton, a Rosenstark, al teorema dell'elemento aggiunto, al teorema generale della retroazione, e ognuno puo` essere sviluppato usando metodi vari, a parte le eq. a nodi e maglie, si puo` usare la driving point impedance, la regula falsi...
Per usare proficuamente un simulatore, bisogna sapere molta più elettronica di lui
Plug it in - it works better!
Il 555 sta all'elettronica come Arduino all'informatica! (entrambi loro malgrado)
Se volete risposte rispondete a tutte le mie domande
Avatar utente
Foto UtenteIsidoroKZ
121,2k 1 3 8
G.Master EY
G.Master EY
 
Messaggi: 21059
Iscritto il: 17 ott 2009, 0:00

0
voti

[3] Re: Punto di lavoro circuiti con MOSFET

Messaggioda Foto UtenteTechKnight » 2 set 2025, 22:04

Sono arrivato a conclusioni simili, in questi giorni li riprovo e ti dico!
Avatar utente
Foto UtenteTechKnight
55 5
 
Messaggi: 27
Iscritto il: 2 lug 2025, 23:27


Torna a Elettronica generale

Chi c’è in linea

Visitano il forum: Nessuno e 213 ospiti