Dispositivo protezione uscita inverter
Moderatori:
sebago,
mario_maggi
26 messaggi
• Pagina 2 di 3 • 1, 2, 3
0
voti
Ciao
StefanoSunda grazie davvero.. anche se OT ricambio i tuoi auguri!! Un abbraccio
Ognuno sta solo sul cuor della terra
trafitto da un raggio di sole:
ed è subito sera
Salvatore Quasimodo
trafitto da un raggio di sole:
ed è subito sera
Salvatore Quasimodo
0
voti
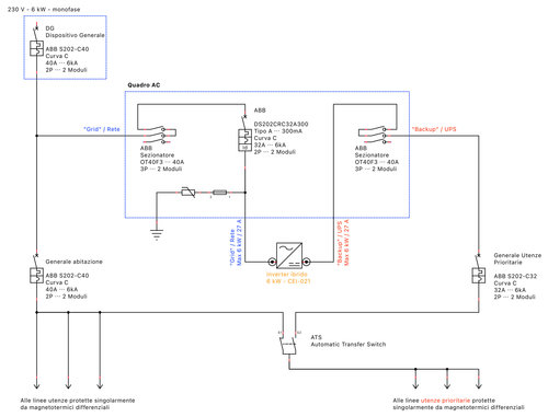
attilio ha scritto:Nel caso di installazione del contatore M2, non ricordo se richiesto dalla CEI 0-21, ho sempre montato un secondo interruttore, anche se agli operatori di e-distribuzione andava bene anche il solo interruttore dedicato (nel punto di parallelo)
Quindi mi sembra di capire che la soluzione ottimale, con o senza M2, sarebbe un MTD all''uscita dall'inverter che funge da DDG e un MT nel punto di parallelo (ad es. il quadro generale dall'abitazione).
Ultima modifica di
Franco012 il 12 set 2025, 12:44, modificato 1 volta in totale.
Motivazione: Ridotta citazione integrale.
Motivazione: Ridotta citazione integrale.
0
voti
Un saluto a tutti, anche a quelli sotto l'ombrellone!
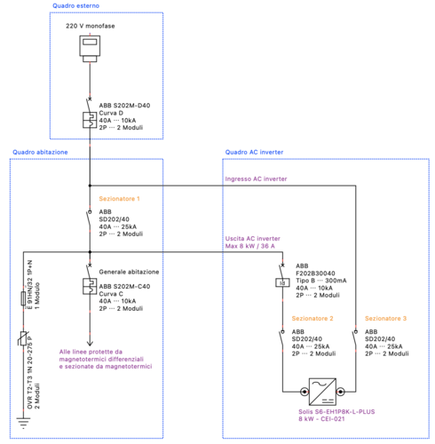
Mi accodo all'argomento per chiedervi una delucidazione: nel "quadro AC inverter" della figura allegata viene installato un differenziale puro a monte del magnetotermico del "quadro abitazione".
Secondo voi è corretta la posizione del differenziale o andrebbe spostato nel "quadro abitazione", magari sotto forma di blocco differenziale da accoppiare al magnetotermico?
Approfitto per chiedervi se esiste qualche dispositivo che impedisca al sezionatore 1 di chiudersi quando lo sono anche il sezionatore 2 e 3: in questa ipotesi, infatti, andrebbe a cortocircuitarsi l'inverter.
Vi ringrazio e buone vacanze.
P.
Mi accodo all'argomento per chiedervi una delucidazione: nel "quadro AC inverter" della figura allegata viene installato un differenziale puro a monte del magnetotermico del "quadro abitazione".
Secondo voi è corretta la posizione del differenziale o andrebbe spostato nel "quadro abitazione", magari sotto forma di blocco differenziale da accoppiare al magnetotermico?
Approfitto per chiedervi se esiste qualche dispositivo che impedisca al sezionatore 1 di chiudersi quando lo sono anche il sezionatore 2 e 3: in questa ipotesi, infatti, andrebbe a cortocircuitarsi l'inverter.
Vi ringrazio e buone vacanze.
P.
-

paolocesari
0 2 - Messaggi: 11
- Iscritto il: 8 lug 2025, 7:50
0
voti
Se non ci sono masse, a parte quella relativa agli SPD, bypassabile, non metterei nessun differenziale. Da quello che capisco è un UPS utilizzato come ausilio e non diretto, visto l'enormità di sezionamenti, a mio avviso inutili. Non ho capito la richiesta dell'impedimento al sezionatore 1 di chiudersi...
Con 40 A siamo a circa 8 kW, per cui > 6 kW e quindi soggetto a obbligo di progettazione?
Con 40 A siamo a circa 8 kW, per cui > 6 kW e quindi soggetto a obbligo di progettazione?
--
Michele Lysander Guetta
--
"Non pensare mai al dolore, al pericolo o ai nemici un momento più lungo del necessario per combatterli." — Ayn Rand
Michele Lysander Guetta
--
"Non pensare mai al dolore, al pericolo o ai nemici un momento più lungo del necessario per combatterli." — Ayn Rand
-

Mike
55,6k 7 10 12 - G.Master EY

- Messaggi: 17005
- Iscritto il: 1 ott 2004, 18:25
- Località: Conegliano (TV)
0
voti
Mike ha scritto:Non ho capito la richiesta dell'impedimento al sezionatore 1 di chiudersi
Ha assolutamente ragione, quella mia richiesta non ha alcun senso.
Mike ha scritto:Con 40 A siamo a circa 8 kW, per cui > 6 kW e quindi soggetto a obbligo di progettazione?
Dovrebbe essere limitato a 6 kW per l'immissione in rete... però verifico la questione dell'obbligo del progetto a cui non avevo minimamente pensato.
Grazie,
P.
-

paolocesari
0 2 - Messaggi: 11
- Iscritto il: 8 lug 2025, 7:50
0
voti
Non conta la potenza in immissione, ma la potenza nominale, se hai più di 6 kW di pannelli c'è obbligo di progetto, usando il modello da 8kW.
Per altro difficile che ti danno 8kW monofase.
Riguardo la domanda dell'interblocco: dipende da che porte usi.
Se quella di destra è "gen" e quella di sinistra è "grid" non ci sono problemi: se i sezionatori son tutti chiusi l'inverter non funziona essendo bypassato.
Se quella di sinistra è backup, potresti rompere l'inverter e sul manuale c'è scritto esplicitamente che deve essere separata.
Poi per me Sezionatore 2 deve essere un magnetotermico
Per altro difficile che ti danno 8kW monofase.
Riguardo la domanda dell'interblocco: dipende da che porte usi.
Se quella di destra è "gen" e quella di sinistra è "grid" non ci sono problemi: se i sezionatori son tutti chiusi l'inverter non funziona essendo bypassato.
Se quella di sinistra è backup, potresti rompere l'inverter e sul manuale c'è scritto esplicitamente che deve essere separata.
Poi per me Sezionatore 2 deve essere un magnetotermico
0
voti
Ma ... il differenziale da 300mA ci va perché è richiesto dall'inverter (a protezione dello/sullo stesso inverter), però va messo sulla porta grid, mentre su quella di back-up c'è già il centralino di casa con le sue protezioni, differenziale/i compreso/i.
Secondo me è inoltre necessario sostituire il sezionatore 1 con un commutatore manuale I-O-II, per poter alimentare il centralino di casa o dal parallelo tra rete e porta grid dell'inverter (e non poter sfruttare la funzione back-up dell'inverter, ma ad esempio in caso di avaria dell'inverter stesso) o dalla porta backup dell'inverter, in maniera mutualmente esclusiva.
Infine io sostituirei i sezionatori 1 e 2 con dei MT, a protezione delle linee corrispondenti (quando l'inverter alimenta casa e/o immette in rete).
In ogni caso anche secondo me serve il progetto di professionista abilitato e molto probabilmente anche il passaggio alla trifase.
Secondo me è inoltre necessario sostituire il sezionatore 1 con un commutatore manuale I-O-II, per poter alimentare il centralino di casa o dal parallelo tra rete e porta grid dell'inverter (e non poter sfruttare la funzione back-up dell'inverter, ma ad esempio in caso di avaria dell'inverter stesso) o dalla porta backup dell'inverter, in maniera mutualmente esclusiva.
Infine io sostituirei i sezionatori 1 e 2 con dei MT, a protezione delle linee corrispondenti (quando l'inverter alimenta casa e/o immette in rete).
In ogni caso anche secondo me serve il progetto di professionista abilitato e molto probabilmente anche il passaggio alla trifase.
0
voti
Ringrazio
sisu70,
GioArca67 e gli altri utenti che hanno risposto in precedenza.
Le vostre osservazioni ad un mio quesito - che solo ora mi rendo conto essere stato un po' strampalato - mi hanno fatto riflettere su molti aspetti che non avevo considerato.
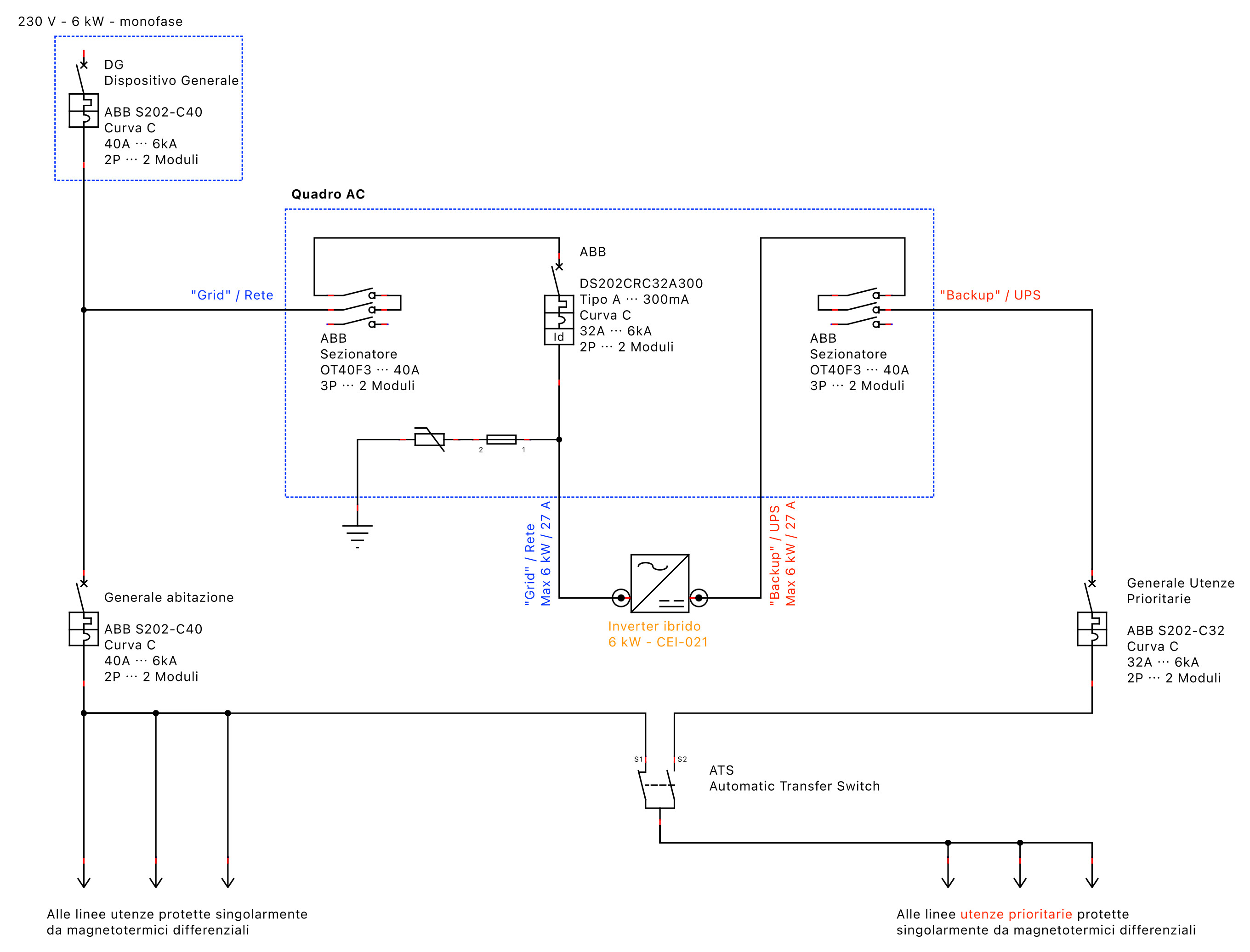
Vorrei proporvi a questo punto un progetto alternativo con l'inverter ibrido (senza immissione) connesso da un lato alla rete e dall'altro, tramite un dispositivo ATS, collegato ai carichi privilegiati dell'abitazione per fornire alimentazione in caso di assenza rete (modalità UPS).
Si vorrebbe realizzare l'ATS con relé temporizzati, contattori ed interblocco blocco elettrico (no meccanico perché occorrerebbe passare a contattori non installabili nel classico quadro elettrico domestico).
Vorrei semplicemente una vostra opinione ed eventualmente un suggerimento su modifiche o migliorie.
Ringrazio fin d'ora tutti coloro che vorranno contribuire.
P.
Le vostre osservazioni ad un mio quesito - che solo ora mi rendo conto essere stato un po' strampalato - mi hanno fatto riflettere su molti aspetti che non avevo considerato.
Vorrei proporvi a questo punto un progetto alternativo con l'inverter ibrido (senza immissione) connesso da un lato alla rete e dall'altro, tramite un dispositivo ATS, collegato ai carichi privilegiati dell'abitazione per fornire alimentazione in caso di assenza rete (modalità UPS).
Si vorrebbe realizzare l'ATS con relé temporizzati, contattori ed interblocco blocco elettrico (no meccanico perché occorrerebbe passare a contattori non installabili nel classico quadro elettrico domestico).
Vorrei semplicemente una vostra opinione ed eventualmente un suggerimento su modifiche o migliorie.
Ringrazio fin d'ora tutti coloro che vorranno contribuire.
P.
-

paolocesari
0 2 - Messaggi: 11
- Iscritto il: 8 lug 2025, 7:50
0
voti
Mah, io penso che l'inverter faccia già da solo quello che tu assumi di dover fare con l'ATS: a rete attiva la porta "backup" e' tenuta in parallelo alla porta "grid" e il generatore vero e proprio alimenta quel parallelo; se/quando cade la rete, la porta "grid" viene disconnessa, ma il generatore continua ad alimentare la porta "backup" (a parte un lasso di tempo che può essere ridotto fino a pochi millisecondi, necessario a commutare il neutro della porta "backup" dal neutro della porta "grid" alla terra).
0
voti
Grazie
sisu70,
sono certo anch'io che l'inverter abbia la propria funzione ATS interna (e molto più rapida di un qualsiasi dispositivo esterno) che commuta da "grid" a "backup" in assenza di rete.
La riflessione che mi ero posto riguardava se avesse senso mettere in parallelo "grid" e "backup" (evitando l'ATS esterno) per alimentare i carichi dell'intera abitazione - compresi quelli energivori - o se fosse più ragionevole alimentare in caso di assenza rete (ossia tramite l'ATS esterno) solo quelli strettamente necessari (frigorifero, cancello automatico, circuiti informatici, etc.).
Su questo punto sono aperto a consigli e suggerimenti.
Non ho ancora sciolto il dubbio sul magnetotermico differenziale da 300 mA posto sul lato "grid" a monte dell'intero impianto:
* ipotizzando sia di tipo A, i magnetotermici differenziali nei circuiti a valle (da 30 mA) possono essere anche di tipo F o occorre mantenere il tipo A?
* è corretta la posizione del MT differenziale nel "quadro AC" dell'inverter? Può eventualmente essere posizionato (soprattutto per un miglior controllo) nel quardro elettrico dell'abitazione?
Grazie per i vostri contributi,
P.
sono certo anch'io che l'inverter abbia la propria funzione ATS interna (e molto più rapida di un qualsiasi dispositivo esterno) che commuta da "grid" a "backup" in assenza di rete.
La riflessione che mi ero posto riguardava se avesse senso mettere in parallelo "grid" e "backup" (evitando l'ATS esterno) per alimentare i carichi dell'intera abitazione - compresi quelli energivori - o se fosse più ragionevole alimentare in caso di assenza rete (ossia tramite l'ATS esterno) solo quelli strettamente necessari (frigorifero, cancello automatico, circuiti informatici, etc.).
Su questo punto sono aperto a consigli e suggerimenti.
Non ho ancora sciolto il dubbio sul magnetotermico differenziale da 300 mA posto sul lato "grid" a monte dell'intero impianto:
* ipotizzando sia di tipo A, i magnetotermici differenziali nei circuiti a valle (da 30 mA) possono essere anche di tipo F o occorre mantenere il tipo A?
* è corretta la posizione del MT differenziale nel "quadro AC" dell'inverter? Può eventualmente essere posizionato (soprattutto per un miglior controllo) nel quardro elettrico dell'abitazione?
Grazie per i vostri contributi,
P.
-

paolocesari
0 2 - Messaggi: 11
- Iscritto il: 8 lug 2025, 7:50
26 messaggi
• Pagina 2 di 3 • 1, 2, 3
Torna a Energia e qualità dell'energia
Chi c’è in linea
Visitano il forum: Nessuno e 34 ospiti

Elettrotecnica e non solo (admin)
Un gatto tra gli elettroni (IsidoroKZ)
Esperienza e simulazioni (g.schgor)
Moleskine di un idraulico (RenzoDF)
Il Blog di ElectroYou (webmaster)
Idee microcontrollate (TardoFreak)
PICcoli grandi PICMicro (Paolino)
Il blog elettrico di carloc (carloc)
DirtEYblooog (dirtydeeds)
Di tutto... un po' (jordan20)
AK47 (lillo)
Esperienze elettroniche (marco438)
Telecomunicazioni musicali (clavicordo)
Automazione ed Elettronica (gustavo)
Direttive per la sicurezza (ErnestoCappelletti)
EYnfo dall'Alaska (mir)
Apriamo il quadro! (attilio)
H7-25 (asdf)
Passione Elettrica (massimob)
Elettroni a spasso (guidob)
Bloguerra (guerra)





