Cos'è ElectroYou | Login Iscriviti

ElectroYou - la comunità dei professionisti del mondo elettrico

questo PCB può funzionare?

Elettronica lineare e digitale: didattica ed applicazioni

Moderatori: Foto Utentecarloc, Foto Utenteg.schgor, Foto UtenteBrunoValente, Foto UtenteIsidoroKZ

0
voti

[1] questo PCB può funzionare?

Messaggioda Foto Utentestinger1 » 6 nov 2009, 18:11

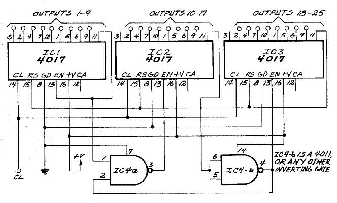
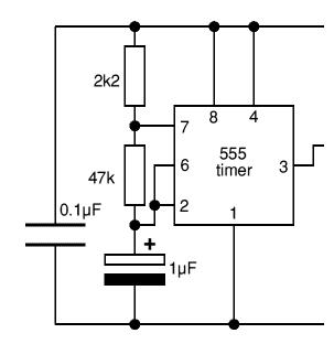
salve a tutti, ho realizzato con l'aiuto di g.schgor il seguente PCB. seguendo i due schemi sottostanti.
qualcuno gentilmente saprebbe dirmi se da qualche risultato oppure fa cilecca?
allora i morsetti sopra sono per i led, i due a sinistra per le masse dei led e i due a destra per la batteria/alimentatore
grazie..

3x4017.GIF
circuito relativo a 555
3x4017.GIF (19.12 KiB) Osservato 10220 volte


Immagine2.JPG
circuito per i 4017
Immagine2.JPG (11 KiB) Osservato 10218 volte


x_ultima_volta.jpg
x_ultima_volta.jpg (72.57 KiB) Osservato 10136 volte


Edit RenzoDF: la prossima volta controlla le dimensioni prima di postare OK ? :?
Avatar utente
Foto Utentestinger1
0 3
Frequentatore
Frequentatore
 
Messaggi: 149
Iscritto il: 28 lug 2007, 1:39

0
voti

[2] Re: questo PCB può funzionare?

Messaggioda Foto Utentestinger1 » 7 nov 2009, 19:16

up
Avatar utente
Foto Utentestinger1
0 3
Frequentatore
Frequentatore
 
Messaggi: 149
Iscritto il: 28 lug 2007, 1:39

0
voti

[3] Re: questo PCB può funzionare?

Messaggioda quenci » 7 nov 2009, 19:24

"up" :mrgreen:

Non mi suona bene com'è collegato l'NE555 :wink:
quenci
327 2 4 5
---
 

0
voti

[4] Re: questo PCB può funzionare?

Messaggioda Foto Utentestinger1 » 8 nov 2009, 2:42

intendi nello schema teorico o nel PCB?
perche mi hann fatto notare che effettivamente dovrebbe essere specchiato per funzionare..
Avatar utente
Foto Utentestinger1
0 3
Frequentatore
Frequentatore
 
Messaggi: 149
Iscritto il: 28 lug 2007, 1:39

0
voti

[5] Re: questo PCB può funzionare?

Messaggioda Foto Utenteg.schgor » 8 nov 2009, 9:04

Devo dire che sono deluso dal mancato auito al problema di stinger1.
L'avevo consigliato di rivolgersi nel Forum ai "pratici" di circuiti stampati per
esaminare criticamente quanto da lui fatto per in circuito in oggetto, prima
di procedere all'esecuzione.
A parte il laconico intervento di cinque (quando è evidente la scambio
del pin 1 con il 5 e del 3 con il 7 !), pensavo si chiarisse se è giusto disegnare
il circuito stampato come se fosse visto dal lato componenti (supponendo
trasparente la piastra) oppure se dovesse essere ribaltato.
Pensavo inoltre che chi è pratico di circuiti stampati potesse anche far notare
se ci sono ponti superflui ed il miglior modo di realizzare le piste.
Proprio nessuno di buona volontà?
Avatar utente
Foto Utenteg.schgor
57,8k 9 12 13
G.Master EY
G.Master EY
 
Messaggi: 16971
Iscritto il: 25 ott 2005, 9:58
Località: MILANO

0
voti

[6] Re: questo PCB può funzionare?

Messaggioda Foto Utentestinger1 » 8 nov 2009, 14:28

cavolo hai ragione! lo correggo subito..
grazie g.schgor per prendere le mie difese..
nel frattempo ho studiato il circuito e questo, teoricamente, dovrebbe essere quello che viene stampato sulla basetta di rame.
ho messo i circuiti stampati sotto da dritti e quando sono montati sul lato opposto al PCB con le relative numerazioni.
In piu ho messo i numeri dei pin sul circuito in modo da facilitare il lavoro agli esperti..
grazie ancora!
Allegati
PCB FINITO.jpg
PCB FINITO.jpg (94.05 KiB) Osservato 10061 volte
Avatar utente
Foto Utentestinger1
0 3
Frequentatore
Frequentatore
 
Messaggi: 149
Iscritto il: 28 lug 2007, 1:39

0
voti

[7] Re: questo PCB può funzionare?

Messaggioda Foto Utenteg.schgor » 8 nov 2009, 17:31

Aspettiamo i commenti degli esperti.
Avatar utente
Foto Utenteg.schgor
57,8k 9 12 13
G.Master EY
G.Master EY
 
Messaggi: 16971
Iscritto il: 25 ott 2005, 9:58
Località: MILANO

0
voti

[8] Re: questo PCB può funzionare?

Messaggioda Foto Utentedavidde » 8 nov 2009, 22:38

Ciao a tutti,

gli impegni in questo periodo non mi permettono di seguire, sia questo topic che quello relativo alla progettazione del circuito me li ero persi. Ora che li ho visti (e letti) mi offro più che volentieri per sistemare lo schema sul circuito stampato.

Per capire come sia meglio fare il disegno volevo chiedere a stinger1:

- Hai già costruito dei circuiti stampati o questo è il primo ?
- Sei certo che i componenti che utilizzerai siano compatibili a quelli disegnati sul circuito (mi riferisco al passo) ?
- Che programma usi per disegnare ?
- Hai tempo o sei di fretta ?

A parte queste domande ho paura che l' ultimo sbroglio sia da rivedere o meglio da rifare.
Solitamente quando si disegna un circuito stampato si immaginano le piste viste attraverso la basetta e quindi gli integrati non vanno montati invertiti. Inoltre anche se a te non interessa che il PCB sia esteticamente ben fatto si vedono nel disegno parecchie imperfezioni e inutili complicazioni. Troppe piste seguono percorsi tortuosi e questo rende indubbiamente più difficoltosa l' incisione della basetta.

Ti propongo quindi di ripartire da capo, disegnando prima di tutto uno schema completo e chiaro sul quale ragionare per costruire il PCB. Sei d' accordo ?
Avatar utente
Foto Utentedavidde
13,3k 4 9 12
G.Master EY
G.Master EY
 
Messaggi: 4026
Iscritto il: 2 ago 2007, 11:40
Località: Bologna

0
voti

[9] Re: questo PCB può funzionare?

Messaggioda Foto Utentestinger1 » 9 nov 2009, 1:03

grazie davide per aiutarmi, allora rispondendo alle tue domande:
in passato ho costruito circuiti stampati molto piu semplici di questo, l'ultimo risale a circa due settimane fa, ed ho usato una piccola fresa a controllo numerico per disegnare le piste.
per disegnare uso eagle, infatti, credo di rispondere anche alla seconda domanda per disegnare il PCB ho scelto gli integrati tra la lista.
Ti dico che a me non interessa particolarmente avere un circuito pulito ,esteticamente bello o con pochi ponti; mi servirebbe una cosa abbastanza pratica.
Si tratta infatti di un progetto artistico della mia ragazza per l'università, il circuito sarebbe nascosto e funzionerebbe per un'arco di tempo abbastanza limitato.
Quindi rispondendo alla tua domanda: non sono particolarmente di fretta, quindi non ho l'esigenza che sia bello se non per una soddisfazione personale.
Comunque sono d'accordo, cerchero di fare uno schema piu' semplice.. tu ti riferisci in generale o solamente dove il circuito principale viene unito a quello del ne555?
grazie ancora!
Avatar utente
Foto Utentestinger1
0 3
Frequentatore
Frequentatore
 
Messaggi: 149
Iscritto il: 28 lug 2007, 1:39

0
voti

[10] Re: questo PCB può funzionare?

Messaggioda Foto Utenteg.schgor » 9 nov 2009, 8:39

Bene, stinger1. Se ti aiuta davidde, sei in buone mani!
Avatar utente
Foto Utenteg.schgor
57,8k 9 12 13
G.Master EY
G.Master EY
 
Messaggi: 16971
Iscritto il: 25 ott 2005, 9:58
Località: MILANO

Prossimo

Torna a Elettronica generale

Chi c’è in linea

Visitano il forum: Nessuno e 37 ospiti