sto cercando di preparare un esame di elettrotecnica e ho già usato le risorse offerte dal sito per cercare di capire qualcosa di più
ho trovato questo esercizio con relativa soluzione in delle dispense, ma non riesco assolutamente a capire il seguente passaggio
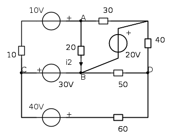
da:
all'equivalente:
non riesco in particolare a capire per quale motivo vengono eliminati quei lati della maglia per effettuare la semplificazione.
dopo la semplificazione l'esercizio dovrebbe essere facilmente risolvibile con il teorema di Millman.
vorrei anche sapere se ci fossero delle "regole" di semplificazione da tenere a mente (ad esempio eliminare i lati tra nodi equipotenziali) in modo da semplificare la risoluzione degli esercizi
grazie

Elettrotecnica e non solo (admin)
Un gatto tra gli elettroni (IsidoroKZ)
Esperienza e simulazioni (g.schgor)
Moleskine di un idraulico (RenzoDF)
Il Blog di ElectroYou (webmaster)
Idee microcontrollate (TardoFreak)
PICcoli grandi PICMicro (Paolino)
Il blog elettrico di carloc (carloc)
DirtEYblooog (dirtydeeds)
Di tutto... un po' (jordan20)
AK47 (lillo)
Esperienze elettroniche (marco438)
Telecomunicazioni musicali (clavicordo)
Automazione ed Elettronica (gustavo)
Direttive per la sicurezza (ErnestoCappelletti)
EYnfo dall'Alaska (mir)
Apriamo il quadro! (attilio)
H7-25 (asdf)
Passione Elettrica (massimob)
Elettroni a spasso (guidob)
Bloguerra (guerra)












