Buongiorno a tutti. Avrei bisogno di pilotare un inverter con un segnale analogico da 0-10V. Per fare ciò, però, vorrei utilizzare un sistema che pilota delle valvole proporzionali in PWM. Dovrei quindi, costruire un convertitore da PWM ad analogico 0-10V. L'ampiezza della mia PWMè di 24 V con una Vmedia di circa 8V a 0% e circa 22V a 100%.
GRAZIE PER IL VOSTRO AIUTO!!
Andrea.
convertitore PWM/0-10V
Moderatori:
carloc,
g.schgor,
BrunoValente,
IsidoroKZ
15 messaggi
• Pagina 1 di 2 • 1, 2
0
voti
Credo che una soluzione potrebbe essere un doppio OpAmp,
con il primo realizzi un filtro del PWM, col secondo sottrai gli 8V
dell'offset e stabilisci la scala 0-10V.
Sono impossibilitato per il momento a farti lo schema, ma
se ti serve, posso fartelo appena possibile (aspetto richiesta
con l'indicazione della frequenza del PWM).
con il primo realizzi un filtro del PWM, col secondo sottrai gli 8V
dell'offset e stabilisci la scala 0-10V.
Sono impossibilitato per il momento a farti lo schema, ma
se ti serve, posso fartelo appena possibile (aspetto richiesta
con l'indicazione della frequenza del PWM).
0
voti
Gentilissimo g.schor.
Innanzi tutto grazie mille per la risposta. Ho appena misurato frequenza della mia PWM ed è intorno ai 6 kHz.
uno schema di come poter realizzare il convertitore sarebbe una cosa fantastica.
saluti!!
Innanzi tutto grazie mille per la risposta. Ho appena misurato frequenza della mia PWM ed è intorno ai 6 kHz.
uno schema di come poter realizzare il convertitore sarebbe una cosa fantastica.
saluti!!
0
voti
Ecco un possibile schema (simulato in MicroCap9):
V3 rappresenta l'uscita PWM (divisa per 3 con
un partitore), X1 e X2 i 2 operazionali:
col primo viene ottenuto il valor medio, col secondo
la variazione da 0 a 10V, quando V3 varia da 2.5 a 7.5V.
E' sufficientemente chiaro?
V3 rappresenta l'uscita PWM (divisa per 3 con
un partitore), X1 e X2 i 2 operazionali:
col primo viene ottenuto il valor medio, col secondo
la variazione da 0 a 10V, quando V3 varia da 2.5 a 7.5V.
E' sufficientemente chiaro?
0
voti
Il simulatore MicroCap9 mette le alimentazioni di un OpAmp
a +15 e -15V per default (e io l'ho lasciato così, ma potrebbe
anche andar bene +12V e -12V)
LM358 si può usare ma va comunque alimentato con
alimentazione duale (per poter avere segnali negativi ed uno zero
"certo".
a +15 e -15V per default (e io l'ho lasciato così, ma potrebbe
anche andar bene +12V e -12V)
LM358 si può usare ma va comunque alimentato con
alimentazione duale (per poter avere segnali negativi ed uno zero
"certo".
0
voti
ok.
il problema è che al momeno non dispongo di un regolaore duale. (io pensavo di usare un lm7812)
c'è un modo di creare un'alimentazione duale con due almentatori di quel tipo?
comunque grazie mille per tuese interessantissime info.
andrea.
il problema è che al momeno non dispongo di un regolaore duale. (io pensavo di usare un lm7812)
c'è un modo di creare un'alimentazione duale con due almentatori di quel tipo?
comunque grazie mille per tuese interessantissime info.
andrea.
0
voti
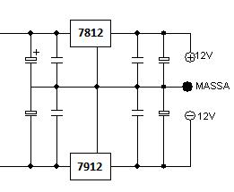
tra i miei vecchi appunti ho trovao questo alimentatore duale. potrebbe andare?
altro problema he mi viene in mente è che la PWM che dovei trasformare non ha la mssa in comune con il circuito (vero è che uso la stessa 24 V sia per limentare il convertitore che per alimentare la scheda che mi fornisce la PWM). potrebbe darmi dei problemi?
come sempre.......
GRAZIE!
altro problema he mi viene in mente è che la PWM che dovei trasformare non ha la mssa in comune con il circuito (vero è che uso la stessa 24 V sia per limentare il convertitore che per alimentare la scheda che mi fornisce la PWM). potrebbe darmi dei problemi?
come sempre.......
GRAZIE!
- Allegati
-
- Dual_Alim.jpg (8.05 KiB) Osservato 7213 volte
0
voti
OK per l'alimentatore duale.
Per la massa del PWM devi comunque mettere un partitore
per prelevare solo 1/3 del segnale, quindi non dovrebbe essere
difficile risolvere il problema di dove portare la massa comune.
Per la massa del PWM devi comunque mettere un partitore
per prelevare solo 1/3 del segnale, quindi non dovrebbe essere
difficile risolvere il problema di dove portare la massa comune.
15 messaggi
• Pagina 1 di 2 • 1, 2
Chi c’è in linea
Visitano il forum: Nessuno e 42 ospiti

Elettrotecnica e non solo (admin)
Un gatto tra gli elettroni (IsidoroKZ)
Esperienza e simulazioni (g.schgor)
Moleskine di un idraulico (RenzoDF)
Il Blog di ElectroYou (webmaster)
Idee microcontrollate (TardoFreak)
PICcoli grandi PICMicro (Paolino)
Il blog elettrico di carloc (carloc)
DirtEYblooog (dirtydeeds)
Di tutto... un po' (jordan20)
AK47 (lillo)
Esperienze elettroniche (marco438)
Telecomunicazioni musicali (clavicordo)
Automazione ed Elettronica (gustavo)
Direttive per la sicurezza (ErnestoCappelletti)
EYnfo dall'Alaska (mir)
Apriamo il quadro! (attilio)
H7-25 (asdf)
Passione Elettrica (massimob)
Elettroni a spasso (guidob)
Bloguerra (guerra)

