Ciao a tutti.
Nella casa in campagna ho questa situazione:
Originariamente il mio appartamento era accatastato come 2 unità separate con 2 contatori elettronici separati e 2 megnetotermici separati.
Ho proceduto all'accatastamento in 1 un'unica unità abitativa e ora vorrei eliminare 1 contatore con relativa disdetta all'Enel e mantenere quindi 1 solo contatore e 1 solo magnetotermico che coprano quello che a tutti gli effetti e' ora diventato un unico appartamento.
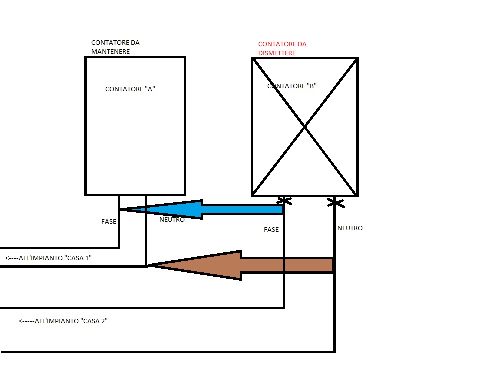
Una volta scelto il contatore che manterrò e' possibile unire la Fase e il Neutro di un impianto agli altri dell'altro impianto e farli entrare nell'unico contatore superstite?
Ho letto anche che dovrei sincerarmi che i 2 contatori abbiano la stessa fase, come posso fare ciò?
Allego un piccolo disegno e vi ringrazio sin d'ora.
Unire fisicamente 2 impianti Enel eliminando 1 contatore
Moderatori:
sebago,
MASSIMO-G,
lillo,
Mike
9 messaggi
• Pagina 1 di 1
0
voti
- Allegati
-
- CONTATORI TORRIGLIA_JPG.jpg (68.49 KiB) Osservato 27472 volte
1
voti
Se hai unito l'appartamento, devi avere un solo contatore...
Disdici una delle due forniture, magari prima sincerati che non sia una da 3 kW e l'altra da 1,5 kW, per non trovarti con poca potenza impegnata.
non serve...una volta staccato l'impianto dal contatore da eliminare, non c'è tensione e quindi non devi controllare le fasi...rispetta però fase e neutro.
Potresti in realtà farlo immediatamente, lasciando il secondo contatore inutilizzato, finché l'ENEL non te lo rimuove
Disdici una delle due forniture, magari prima sincerati che non sia una da 3 kW e l'altra da 1,5 kW, per non trovarti con poca potenza impegnata.
Ho letto anche che dovrei sincerarmi che i 2 contatori abbiano la stessa fase, come posso fare ciò?
non serve...una volta staccato l'impianto dal contatore da eliminare, non c'è tensione e quindi non devi controllare le fasi...rispetta però fase e neutro.
Potresti in realtà farlo immediatamente, lasciando il secondo contatore inutilizzato, finché l'ENEL non te lo rimuove
0
voti
MSIlvano ha scritto:Se hai unito l'appartamento, devi avere un solo contatore...
Disdici una delle due forniture, magari prima sincerati che non sia una da 3 kW e l'altra da 1,5 kW, per non trovarti con poca potenza impegnata.
Come lo posso controllare, nelle opzioni del contatore pigiando il tastino viene visualizzato?
MSIlvano ha scritto:Potresti in realtà farlo immediatamente, lasciando il secondo contatore inutilizzato, finché l'ENEL non te lo rimuove
Era proprio quello che volevo fare in modo da testare per bene l'impianto prima della rimozione del contatore, quindi procedo, stacco i fili dal contatore da eliminare e li faccio entrare insieme a quelli che già ci sono nel contatore da mantenere (chiaramente rispettando fase e neutro), giusto?
0
voti
Come lo posso controllare, nelle opzioni del contatore pigiando il tastino viene visualizzato?
Lo controlli dalla bolletta...guarda sui dati Cliente la potenza impegnata. Sulle bolletta e sul contatore è riportato anche lo stesso numero di 9 cifre che identifica GME e utente.
Era proprio quello che volevo fare in modo da testare per bene l'impianto prima della rimozione del contatore, quindi procedo, stacco i fili dal contatore da eliminare e li faccio entrare insieme a quelli che già ci sono nel contatore da mantenere (chiaramente rispettando fase e neutro), giusto?
Apri i due interruttori (stacchi la luce)
Scolleghi l'impianto dal contatore B e lo colleghi sotto al contatore A
Vedi che i cavi si infilino bene dentro al morsetto e stringi bene, per evitare che scaldi e si brucino.
0
voti
GCV ha scritto:Oppure fai una cassettina d'appoggio a valle del contatore rimasto.
No quello lo eviterei perché sono in un vano comune dedicato ai contatori del condominio.
comunque. grazie a tutti delle conferme, domattina procedo ;)
1
voti
Visto che qualcuno mi ha dato un voto per il post.
..mi spiego meglio....entro tre metri dal contatore va posta una protezione magnetotermica ,dimensionata in base alla sezione e la lunghezza della linea,va posto un differenziale se il montante passa insieme ad altri Fili(scatole comuni).Tre metri è la misura oltre la quale ,diciamo,si passa dal cablaggio alla linea elettrica,quindi in quanto linea va protetta.essa va posta in calotta singola,non come usano diverse persone in un quadro dove vi sono tutte le protezione del condominio.è importante perché la vostra proprietà inizia immediatamente sotto il contatore e di conseguenza ne siete responsabili(PAGATE IN CASO DI DANNI).Nel tuo caso non accoppierei i due montanti sotto un unico MT,nulla te lo vieta,ma sotto due interruttori distinti così,in caso di guasto avresti maggiore possibilita di sezionamento...se ho scordato qualcosa scusate.....grazie di nuovo...
-

elettroigor
2.063 1 5 12 - Expert free
- Messaggi: 780
- Iscritto il: 22 gen 2011, 0:02
0
voti
Questo esula un po dalle mie capacità, temo.
Quello che intendi sarebbe mettere due magnetotermici subito dopo l'uscita del contatore,
uno per linea?
Scusa ma sono particolarmente digiuono in materia ...
Quello che intendi sarebbe mettere due magnetotermici subito dopo l'uscita del contatore,
uno per linea?
Scusa ma sono particolarmente digiuono in materia ...
9 messaggi
• Pagina 1 di 1
Torna a Impianti, sicurezza e quadristica
Chi c’è in linea
Visitano il forum: Nessuno e 33 ospiti

Elettrotecnica e non solo (admin)
Un gatto tra gli elettroni (IsidoroKZ)
Esperienza e simulazioni (g.schgor)
Moleskine di un idraulico (RenzoDF)
Il Blog di ElectroYou (webmaster)
Idee microcontrollate (TardoFreak)
PICcoli grandi PICMicro (Paolino)
Il blog elettrico di carloc (carloc)
DirtEYblooog (dirtydeeds)
Di tutto... un po' (jordan20)
AK47 (lillo)
Esperienze elettroniche (marco438)
Telecomunicazioni musicali (clavicordo)
Automazione ed Elettronica (gustavo)
Direttive per la sicurezza (ErnestoCappelletti)
EYnfo dall'Alaska (mir)
Apriamo il quadro! (attilio)
H7-25 (asdf)
Passione Elettrica (massimob)
Elettroni a spasso (guidob)
Bloguerra (guerra)


