Cos'è ElectroYou | Login Iscriviti

ElectroYou - la comunità dei professionisti del mondo elettrico

Amplificatore differenziale

Elettronica lineare e digitale: didattica ed applicazioni

Moderatori: Foto Utentecarloc, Foto Utenteg.schgor, Foto UtenteBrunoValente, Foto UtenteIsidoroKZ

0
voti

[1] Amplificatore differenziale

Messaggioda Foto Utentestefano89 » 29 giu 2011, 22:12

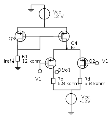
Ciao a tutti, ho un problema con gli amplificatori differenziali. Lo schema è il seguente:


Le tensioni d' ingresso V1, V2 hanno componente continua pari a zero. Poi si ha:
K_p = \mu_pC_{ox}\frac{W}{L} = 500 \frac{\mu A}{V^2}
V_{tp} = -2.5 V
\lambda_{1,2} = 0
\lambda_{3,4} = 0,08 V^{-1}

Mi si chiede di trovare la corrente Iss trascurando \lambda nel rapporto di specchio tra Q3, Q4, e poi il guadagno di modo comune A_{cm} tra l' uscita e l' ingresso v_{ic} assumendo che R1 possa essere modificato per avere Iss = 0.3 mA e includendo r_{o4} nello schema ai piccoli segnali.

Per cominciare, se viene trascurata la modulazione di canale Iref = Iss, inoltre si ha sempre V_{gs3} = V_{gs4}. Allora Iss = \frac{k_{p}}{2}(V_{gs3} - V_{tp})^2.Notanto che V_{g3} = V_{d3} = I_{ref}R1 si ottiene: Iss = \frac{k_{p}}{2}(I_{ref}R1 - Vdd - V_{tp})^2 = 250(I_{ref}R1 -9,5) = (I_{ref}R1)^2 - 19I_{ref}R1 + 9.5^2 che risolto in Iss mi dà l' unica soluzione 0.791 mA che risulta sbagliato.. Ma il procedimento di sempre così immediato..

Secondo voi dove sbaglio ?

Grazie a tutti!
Avatar utente
Foto Utentestefano89
0 5
New entry
New entry
 
Messaggi: 51
Iscritto il: 15 feb 2011, 11:57

1
voti

[2] Re: Amplificatore differenziale

Messaggioda Foto Utentecarloc » 30 giu 2011, 8:14

Non ti seguo molto nei passaggi che hai fatto.... :( :(

comunque ad occhio e croce,

hai scritto un'equazione in due incognite Iss e Id -sì che sono uguali lo hai detto, ma scrivilo anche- secondo me così ci si confonde...
dimenticati di Q4 per il momento, trova Iref nel circuito Vcc/Q3/R1...

comunque -come saprai- deve uscirti un'equazione di secondo grado...due soluzioni poi scartiamo quella che ti lascerebbe il MOS off

mischiare simboli e numeri non mi piace, si dovrebbe fare i calcoli simbolici e alla fine mettere i numeri, comunque si possono sì fare i conti in mA, kohm, V... ma in questo contesto \mu A/V^2non vanno d'accordo....

infine spero che stavamo parlando di questo schema, non di quello che hai postato :mrgreen:

(prendi il MOS e premi R R S per "rovesciarlo") ;-)
Se ti serve il valore di beta: hai sbagliato il progetto!
Avatar utente
Foto Utentecarloc
33,8k 6 11 13
G.Master EY
G.Master EY
 
Messaggi: 2153
Iscritto il: 7 set 2010, 19:23

0
voti

[3] Re: Amplificatore differenziale

Messaggioda Foto Utentestefano89 » 30 giu 2011, 16:11

Sì lo schema è quello che dici tu ovviamente. Per il resto mi viene certamente una eq. di secondo grado come ho scritto, ma la soluzione mi viene unica, niente di scandaloso :-)
Se ora scrivessi bene la formula di Iref avrei:
Iref = \frac{kp}{2}(V_{gs} - V_{tp})^2 con unità di misura [Iref] = [\frac{\mu A}{V^2}][V^2] = [\mu A]

Ripetendo il ragionamento di prima ho Vg3 = Vd3 = I_{ref}R1 mentre Vs3 = Vdd.
Allora si ha: Iref = \frac{kp}{2}(I_{ref}R1 - Vdd - V_{tp})^2 = 250(I_{ref}^2R_1^2 - 9.5I_{ref}R_12 + 9.5^2)
ed infine: I_{ref 1,2} = \frac{9.5R_12 \frac{+}{-} \sqrt{9.5^2R_1^24 - 4R_1^29.5^2}}{2R_1^2} = \frac{228*10^3}{2*144*10^6} = 791.66 \mu A
e quindi Iref = Iss = 791.66 \mu A che mi risulta sbagliato..
Ultima modifica di Foto Utentestefano89 il 30 giu 2011, 16:49, modificato 1 volta in totale.
Avatar utente
Foto Utentestefano89
0 5
New entry
New entry
 
Messaggi: 51
Iscritto il: 15 feb 2011, 11:57

1
voti

[4] Re: Amplificatore differenziale

Messaggioda Foto Utentecarloc » 30 giu 2011, 16:32

Pensando di fare i conti per un N-channel (cosa che farei anch'io per non confondermi con i segni di Id, Vt etc.etc...)

ho comunque alcune perplessità...

quale è l'equazione di secondo grado che stai tentando di risolvere? non è che ti sei dimenticato la Iref al primo membro? e anche kp che tra l'altro non compare nella soluzione...strano no?

Molto strano anche il determinante nullo, allora sarebbe il quadrato di un binomio... sarebbe inutile farlo (il detrminante)... basterebbe scrivere il binomio e trovare la sua radice per trovare non la soluzione unica... ma le due soluzioni coincidenti

poi uA, V ok... ma R1 allora in che unità l'hai messa?
Se ti serve il valore di beta: hai sbagliato il progetto!
Avatar utente
Foto Utentecarloc
33,8k 6 11 13
G.Master EY
G.Master EY
 
Messaggi: 2153
Iscritto il: 7 set 2010, 19:23

0
voti

[5] Re: Amplificatore differenziale

Messaggioda Foto Utentestefano89 » 30 giu 2011, 16:54

R_1 la conto in ohm. mentre kp praticamente non dà contributo perché se dividessi a dx e sx per 250, mi troverei a sx un termine \frac{iref}{250} che non influisce sul coefficiente "pesante" di Iref a dx...
Avatar utente
Foto Utentestefano89
0 5
New entry
New entry
 
Messaggi: 51
Iscritto il: 15 feb 2011, 11:57

2
voti

[6] Re: Amplificatore differenziale

Messaggioda Foto Utentecarloc » 30 giu 2011, 17:53

Beh intanto... CVD se metti uA e V la resistenza la devi mettere in Mohm... nel dubbio sempre meglio usare le unità base...

detto questo non sono d'accordo con l'approssimazione che hai fatto... kp non ti entra nell'espressione di Id???

io andrei per la via sicura (ancora facendo finta di avere un N-channel)....

I_{ref}=\frac{k_p}{2}(V_{GS}-V_T)^2=\frac{k_p}{2}(V_{cc}-R_1I_{ref}-V_T)^2

\frac{2}{k_p}I_{ref}=(V_{cc}-V_T)^2 -2(V_{cc}-V_T)R_1I_{ref}+R_1^2 I_{ref}^2

R_1^2I_{ref}^2-2\left(\frac{1}{k_p}+(V_{cc}-V_T)R_1\right)I_{ref}+(V_{cc}-V_T)^2=0

e se mettiamo V, kohm e mA...che andiamo sicuri...

12^2I_{ref}^2-2\left(\frac{1}{0.5}+(12-2.5)\times12\right)I_{ref}+(12-2.5)^2=0

144I_{ref}^2-232I_{ref}+90.25=0

che ha per soluzione minore (quella buona) I_{ref}=656.6\mu A

verifichiamo....

V_{GS}=12-12\times0.6566=4.1208\;V

I_{ref}=\frac{0.5}{2}\times(4.1208-2.5)^2=0.6567\;mA

... direi che ci siamo, l'approssimazione che avevi fatto 2 contro 114 ha fatto la differenza, probabilmente la confusione nelle unità di misura ti aveva fatto pensare fosse migliore...

due consigli...
1) non mischiare numeri e simboli... viene una gran confusione :( :(
2) se non sei molto sicuro di quello che fai usa sempre unità base... tanto i conti li fai con la calcolatrice (spero :mrgreen: )
Se ti serve il valore di beta: hai sbagliato il progetto!
Avatar utente
Foto Utentecarloc
33,8k 6 11 13
G.Master EY
G.Master EY
 
Messaggi: 2153
Iscritto il: 7 set 2010, 19:23

0
voti

[7] Re: Amplificatore differenziale

Messaggioda Foto Utentestefano89 » 30 giu 2011, 18:14

in effetti la questione dei Megaohm mi era proprio sfuggita e non ci sarei arrivato facilmente, grazie ancora!
ora provo a fare la seconda parte :)
Avatar utente
Foto Utentestefano89
0 5
New entry
New entry
 
Messaggi: 51
Iscritto il: 15 feb 2011, 11:57

0
voti

[8] Re: Amplificatore differenziale

Messaggioda Foto Utentestefano89 » 1 lug 2011, 12:28

Nel primo messaggio, ma corrente Iss diventa 0.6 mA anzichè 0.3 mA

Per la seconda parte ho pensato di fare così: A_{cm} = -\frac{g_mR_d}{1 +g_m2r_{04}}
con g_m = k_p(V_{gs2} - V_{tp})(1 + \lambda_2V_{ds2}) = k_p(V_{gs2} - V_{tp}) = k_p(V_{g2} - V_x - V_{tp}) dove V_x è il punto di contatto tra Q1,Q2 e Q4.
Inoltre V_{g2} = 0 per ipotesi, mentre V_x = -V_{ss} + R_dI_{ss}/2 = 14.04V
quindi g_m = 8.27 mS
Per quanto riguarda r_{o4} dovrebbe essere r_{o4} = \frac{1}{\lambda_4I_{ss}} = 20.83 kohm.

Allora A_{cm} = -\frac{56.234}{345.52} = -0.162

è corretto ?

EDIT: c'è un errore, nel calcolo della g_m ho usato V_x positiva, invece -V_x è negativa e quindi viene anche unag_m che non ha senso..
Ultima modifica di Foto Utentestefano89 il 1 lug 2011, 13:00, modificato 2 volte in totale.
Avatar utente
Foto Utentestefano89
0 5
New entry
New entry
 
Messaggi: 51
Iscritto il: 15 feb 2011, 11:57

0
voti

[9] Re: Amplificatore differenziale

Messaggioda Foto UtenteDirtyDeeds » 1 lug 2011, 12:38

carloc ha scritto:Beh intanto... CVD se metti uA e V la resistenza la devi mettere in Mohm... nel dubbio sempre meglio usare le unità base...


Eh, se usaste il calcolo delle grandezze non avreste questi problemi ;-)
It's a sin to write sin instead of \sin (Anonimo).
...'cos you know that cos ain't \cos, right?
You won't get a sexy tan if you write tan in lieu of \tan.
Take a log for a fireplace, but don't take log for \logarithm.
Avatar utente
Foto UtenteDirtyDeeds
55,9k 7 11 13
G.Master EY
G.Master EY
 
Messaggi: 7012
Iscritto il: 13 apr 2010, 16:13
Località: Somewhere in nowhere

0
voti

[10] Re: Amplificatore differenziale

Messaggioda Foto Utentestefano89 » 1 lug 2011, 16:36

aggiungo una ultima cosa, alla fine il rapporto A_{cm} è circa uguale a -\frac{R_d}{2r_{o4}} = -0.163, quindi indipendente dal valore di g_m.. Ma non capisco come continui ad essere sbagliato questo risultato..
Avatar utente
Foto Utentestefano89
0 5
New entry
New entry
 
Messaggi: 51
Iscritto il: 15 feb 2011, 11:57

Prossimo

Torna a Elettronica generale

Chi c’è in linea

Visitano il forum: Nessuno e 104 ospiti