Cos'è ElectroYou | Login Iscriviti

ElectroYou - la comunità dei professionisti del mondo elettrico

problema corrente a regime

Circuiti, campi elettromagnetici e teoria delle linee di trasmissione e distribuzione dell’energia elettrica

Moderatori: Foto Utenteg.schgor, Foto UtenteIsidoroKZ

0
voti

[1] problema corrente a regime

Messaggioda Foto UtenteMatteRACING » 5 lug 2011, 17:48

Ciao a tutti ragazzi,
inanzi tutto mi presento dato che questo è il mio primo messaggio: mi chiamo Matteo, ho quasi 22 anni e sono al terzo anno di ing.biomedica al PoliTO. Colgo l'occasione anche per farvi i complimenti perché nonostante non abbia ancora mai scritto su questo forum, leggo spesso diversi vostri articoli che reputo interessantissimi! Bravi!

Ora venendo alle questioni più pratiche, mi trovo alle prese con l'esame di elettrotecnica (e tra poco piu di 2 settimane anche con quello di elettronica :S ) e mentre ripassavo ho trovato su degli appunti una cosa che non mi torna...

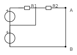
Vi allego una foto, ditemi voi se la iL a regime è corretta o meno e in caso positivo il perché...

(Tra i due nodi c'è un'induttore, solo che a regime si comporta come un c.c. e quindi... iL è ovviamente la corrente che ci circola dentro, ma immagino lo sappiate gia :D )

Listener.jpg
Listener.jpg (44.22 KiB) Osservato 3082 volte

Grazie mille
Saluti, Matteo
Avatar utente
Foto UtenteMatteRACING
-4 2
 
Messaggi: 25
Iscritto il: 5 lug 2011, 17:32

0
voti

[2] Re: problema corrente a regime

Messaggioda Foto UtenteIsidoroKZ » 5 lug 2011, 18:36

MatteRACING ha scritto:...leggo spesso diversi vostri articoli che reputo interessantissimi!


Se leggi diversi articoli qui sai che le immagini (quando necessarie) non devono essere piu` larghe di 400 pixel, e se sono schemi si fanno con fidocadj e si mette il codice nel messaggio. Sotto il menu help ci sono tutte le info.
Per usare proficuamente un simulatore, bisogna sapere molta più elettronica di lui
Plug it in - it works better!
Il 555 sta all'elettronica come Arduino all'informatica! (entrambi loro malgrado)
Se volete risposte rispondete a tutte le mie domande
Avatar utente
Foto UtenteIsidoroKZ
121,2k 1 3 8
G.Master EY
G.Master EY
 
Messaggi: 21059
Iscritto il: 17 ott 2009, 0:00

-1
voti

[3] Re: problema corrente a regime

Messaggioda Foto UtenteMatteRACING » 5 lug 2011, 18:46

ok sei molto gentile, ma gia che c'eri non potevi aiutarmi anche nella risoluzione del problema?!? :roll:
Avatar utente
Foto UtenteMatteRACING
-4 2
 
Messaggi: 25
Iscritto il: 5 lug 2011, 17:32

0
voti

[4] Re: problema corrente a regime

Messaggioda Foto UtenteRenzoDF » 5 lug 2011, 18:50

MatteRACING ha scritto:... sono al terzo anno di ing.biomedica al PoliTO.

Non ti metto subito un punto negativo per l'immagine solo perche' studi Biomedica ... e pure al PoliTO :mrgreen:
"Il circuito ha sempre ragione" (Luigi Malesani)
Avatar utente
Foto UtenteRenzoDF
55,9k 8 12 13
G.Master EY
G.Master EY
 
Messaggi: 13189
Iscritto il: 4 ott 2008, 9:55

0
voti

[5] Re: problema corrente a regime

Messaggioda Foto UtenteIsidoroKZ » 5 lug 2011, 18:51

No, perche' non vedo perche' dovrei scaricare una immagine poco leggibile, metterla sopra la finestra in cui scrivo la risposta, pensare la risposta, spostare l'immagine, cominciare a scrivere, riprendere l'immagine...

Se vuoi qualcosa dagli altri, comincia a rendere loro facile la vita.
Per usare proficuamente un simulatore, bisogna sapere molta più elettronica di lui
Plug it in - it works better!
Il 555 sta all'elettronica come Arduino all'informatica! (entrambi loro malgrado)
Se volete risposte rispondete a tutte le mie domande
Avatar utente
Foto UtenteIsidoroKZ
121,2k 1 3 8
G.Master EY
G.Master EY
 
Messaggi: 21059
Iscritto il: 17 ott 2009, 0:00

0
voti

[6] Re: problema corrente a regime

Messaggioda Foto UtenteMatteRACING » 5 lug 2011, 19:00

Ah, si fa cosi fatica a visualizzare le immagini?! Il mio post non ho problemi nel visualizzarlo...

Ad ogni qual modo, ho provato ad usare FIDOCAD...che ne dici?



PS complimenti per il comitato d'accoglienza hihihihiihih
Avatar utente
Foto UtenteMatteRACING
-4 2
 
Messaggi: 25
Iscritto il: 5 lug 2011, 17:32

0
voti

[7] Re: problema corrente a regime

Messaggioda Foto UtenteIsidoroKZ » 5 lug 2011, 19:09

Visto che non era difficile? E ricorda qui le abitudini non le decidi tu, se vuoi che qualcuno faccia qualcosa per te gli rendi la vita facile.



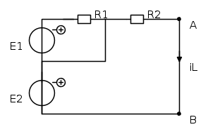
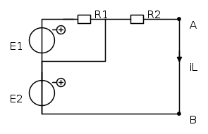
Ho cambiato leggermente la figura, metteno il positivo del generatore di tensione in forma un po' piu` bella. Adesso qual e` la domanda? Parli di una IL. Dov'e`? Metti sullo schema i nomi dei componenti e delle grandezze.
Per usare proficuamente un simulatore, bisogna sapere molta più elettronica di lui
Plug it in - it works better!
Il 555 sta all'elettronica come Arduino all'informatica! (entrambi loro malgrado)
Se volete risposte rispondete a tutte le mie domande
Avatar utente
Foto UtenteIsidoroKZ
121,2k 1 3 8
G.Master EY
G.Master EY
 
Messaggi: 21059
Iscritto il: 17 ott 2009, 0:00

-1
voti

[8] Re: problema corrente a regime

Messaggioda Foto UtenteMatteRACING » 5 lug 2011, 19:16

Lungi da me dettare regole anzi, so bene che quando si entra in una comunità sia essa virtuale o meno, lo si debba sempre fare "con due piedi in una scarpa"...però non ti nascondo che mi ha fatto sorridere il fatto di ricevere gia un -2 nella reputazione. Il fatto di aver postato una foto è non un circuito in fidocad è stato dettato solamente dalla mia volontà di ricevere una banale risposta per un banale problema in tempi celerissimi...ignorando, non lo nascondo, inoltre l'esistenza di fidocad e la regola che impone (giustamente di usarlo).

Ma al di la di quello, ho modificato nuovamente la prima immagine aggiungendo il nome ai due generatori (ti ringrazio per la correzione del simbolo) e ho aggiunto una iL che sarebbe la corrente che passa nel c.c. AB posto in loco ad un induttore (che come sappiamo si comporta appunto da c.c. a regime per correnti continue).

La domanda semplicemente era quale formula mi esprimeva (in forma letterale) iL...tutto li :)
Avatar utente
Foto UtenteMatteRACING
-4 2
 
Messaggi: 25
Iscritto il: 5 lug 2011, 17:32

1
voti

[9] Re: problema corrente a regime

Messaggioda Foto UtenteIsidoroKZ » 5 lug 2011, 19:21

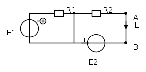
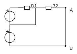
Ho provato a ridisegnare il circuito in questo modo:



Che tensione c'e` su R2? Che corrente la attraversa?
Per usare proficuamente un simulatore, bisogna sapere molta più elettronica di lui
Plug it in - it works better!
Il 555 sta all'elettronica come Arduino all'informatica! (entrambi loro malgrado)
Se volete risposte rispondete a tutte le mie domande
Avatar utente
Foto UtenteIsidoroKZ
121,2k 1 3 8
G.Master EY
G.Master EY
 
Messaggi: 21059
Iscritto il: 17 ott 2009, 0:00

1
voti

[10] Re: problema corrente a regime

Messaggioda Foto UtenteRenzoDF » 5 lug 2011, 19:23

MatteRACING ha scritto: Il fatto di aver postato una foto è non un circuito in fidocad è stato dettato solamente dalla mia volontà di ricevere una banale risposta per un banale problema in tempi celerissimi


Se problema e risposta sono cosi' "banali" perche' vieni a chiedere aiuto? :roll:

Ti informo comunque che gli aggettivi "banale" e "celere" qui sono banditi ;-)
"Il circuito ha sempre ragione" (Luigi Malesani)
Avatar utente
Foto UtenteRenzoDF
55,9k 8 12 13
G.Master EY
G.Master EY
 
Messaggi: 13189
Iscritto il: 4 ott 2008, 9:55

Prossimo

Torna a Elettrotecnica generale

Chi c’è in linea

Visitano il forum: Nessuno e 239 ospiti