
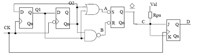
I FF hanno le uscite Q inizializzate a zero, la soluzione che trovo è:
Secondo voi è corretta?
Grazie
Moderatori:
carloc,
g.schgor,
BrunoValente,
IsidoroKZ

IsidoroKZ ha scritto:Secondo me e` giusto.
Visitano il forum: Nessuno e 199 ospiti