ciao.
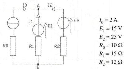
devo calcolare la potenza prodotta dal generatore ideale di tensione in questo circuito:
io ho pensato di applicare millman, da li trovare la tensione prodotta dal generatore di corrente e poi con P=V*I trovare il dato che mi serve (I è imposta dal generatore in questione). quadra? a me viene P = 107,8 W
Help elettrotecnica. generatore di corrente ideale
Moderatori:
g.schgor,
IsidoroKZ
10 messaggi
• Pagina 1 di 1
0
voti
Benvenuto sul forum.
Ti consiglio di utilizzare Fidocadj per postare schemi sul forum.
Una domanda:la potenza di quale generatore di tensione devi calcolare, E1 o E2?
Ti consiglio di utilizzare Fidocadj per postare schemi sul forum.
Una domanda:la potenza di quale generatore di tensione devi calcolare, E1 o E2?
0
voti
uboss ha scritto:Benvenuto sul forum.
Ti consiglio di utilizzare Fidocadj per postare schemi sul forum.
Una domanda:la potenza di quale generatore di tensione devi calcolare, E1 o E2?
scusa. di quello di corrente, non di tensione
0
voti
uboss ha scritto:Quanto ti viene la tensione dell'intero ramo con millman?
33,89 V
0
voti
uboss ha scritto:Giusto.
Poi continua con il tuo procedimento mostrando i risultati.
ok.
bilancio sul ramo del generatore di corrente: 33.89=V-R_0*I_0 ==> V = 53.89V
da qui con la formula per la potenza P=V*I_0 ottengo la potenza che mi serve P=53.89*2=107.78 W
0
voti
uboss ha scritto:Tutto giusto.
mi rimane un dubbio. se passivo tutti i generatori lasciando solo quello di corrente acceso, e calcolando la potenza prodotta in questa configurazione, mi viene un valore diverso. perché è sbagliato?
mi sembravano equivalenti i 2 metodi
1
voti
Il metodo da te descritto è una sorta di sovrapposizione degli effetti ma è completamente sbagliato per quanto riguarda le potenze.
Le potenze si calcolano con un espressione quadratica ed evidentemente non hanno un andamento lineare.
Proprio per questo motivo non è possibile applicare questo metodo.
Le potenze si calcolano con un espressione quadratica ed evidentemente non hanno un andamento lineare.
Proprio per questo motivo non è possibile applicare questo metodo.
10 messaggi
• Pagina 1 di 1
Torna a Elettrotecnica generale
Chi c’è in linea
Visitano il forum: Nessuno e 15 ospiti

Elettrotecnica e non solo (admin)
Un gatto tra gli elettroni (IsidoroKZ)
Esperienza e simulazioni (g.schgor)
Moleskine di un idraulico (RenzoDF)
Il Blog di ElectroYou (webmaster)
Idee microcontrollate (TardoFreak)
PICcoli grandi PICMicro (Paolino)
Il blog elettrico di carloc (carloc)
DirtEYblooog (dirtydeeds)
Di tutto... un po' (jordan20)
AK47 (lillo)
Esperienze elettroniche (marco438)
Telecomunicazioni musicali (clavicordo)
Automazione ed Elettronica (gustavo)
Direttive per la sicurezza (ErnestoCappelletti)
EYnfo dall'Alaska (mir)
Apriamo il quadro! (attilio)
H7-25 (asdf)
Passione Elettrica (massimob)
Elettroni a spasso (guidob)
Bloguerra (guerra)


