vorrei porvi una domanda tecnica riguardo SPD con tali dati caratteristici: classe t2, Uc=275v, Isn=20kA, Imax=40kA, Up=1,5kV, fusibile 100A GL
Una azienda, con impianto elettrico TT ha avuto grossi problemi di sovratensioni dovuti o 1) a fulminazione o 2) a interruzione del neutro lato MT (cio’ porterebbe ad uno sfasamento del centro stella e conseguentemente una o due fasi potrebbero portarsi dalla tensione stellata alla concatenata). Cio' ha portato al danneggiamento di molti apparecchi elettrici.
Nel Q.G. dell’azienda sono presenti 4 scaricatori, 3 per le fasi, 1 per il N
In seguito all’evento dannoso (1 o 2 da verificare ancora) gli scaricatori sulle 3 fasi si sono guastati (luce rossa), lo scaricatore sul neutro è rimasto sano (si vede anche in foto).
Ora, in seguito a problemi di sovratensioni NON impulsivi che sono perdurati per un certo tempo (anche qualche minuto) ipotizzando la causa dell’interruzione del neutro, è possibile che gli scaricatori sulle fasi si guastino?
oppure una ipotetica sovratensione per fulminazione ha danneggiato i fusibili degli scaricatori?
A questo punto mi verrebbe da pensare che se fosse stata una fulminazione, avremmo avuto la rottura anche dello scaricatore posto sul neutro...
Insomma credo che riuscendo a capire perkè gli spd si sono danneggiati, si risalirebbe alla causa della sovratensione ( 1) o 2) ) che ha danneggiato gli apparecchi elettrici...
Relazione spd/sovratensioni a frequenza di rete o impulsive
Moderatori:
sebago,
MASSIMO-G,
lillo,
Mike
8 messaggi
• Pagina 1 di 1
1
voti
mi sa che te la sei dimenticataluchino ha scritto:vorrei porvi una domanda tecnica riguardo SPD con tali dati caratteristici: classe t2, Uc=275v, Isn=20kA, Imax=40kA, Up=1,5kV, fusibile 100A GL
Una azienda, con impianto elettrico TT
cio’ porterebbe ad uno sfasamento del centro stella e conseguentemente una o due fasi potrebbero portarsi dalla tensione stellata alla concatenata
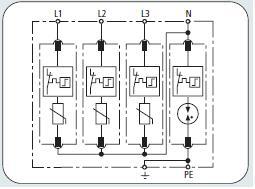
Nel Q.G. dell’azienda sono presenti 4 scaricatori, 3 per le fasi, 1 per il N
In seguito all’evento dannoso (1 o 2 da verificare ancora) gli scaricatori sulle 3 fasi si sono guastati (luce rossa), lo scaricatore sul neutro è rimasto sano (si vede anche in foto).
se la fornitura è trifase anche lo scaricatore lo sarà e da come si può vedere dall'immagine lo schema di principio di uno scaricatore il distacco del neutro non crea tensioni concatenate perché le cartucce sono connesse a stella creando un centro stella virtuale La cartuccia del neutro è rimasta sana perché negli scaricatori per reti TT è di costruzione spinterometrica moto più robusta tant'è che è la base di costruzione per gli scaricatori di classe I.
luchino ha scritto:oppure una ipotetica sovratensione per fulminazione ha danneggiato i fusibili degli scaricatori?
A questo punto mi verrebbe da pensare che se fosse stata una fulminazione, avremmo avuto la rottura anche dello scaricatore posto sul neutro...
Potrebbe sicuramente essere stata una fulminazione diretta e gli scaricatori di classe II non sono riusciti a limitare e la tensione residua è risultata molto più alta di quella di tenuta delle apparecchiature.....
- Allegati
-
- Immagine.JPG (11.43 KiB) Osservato 4450 volte
Ognuno è un genio.
Ma se si giudica un pesce dalla sua abilità di arrampicarsi sugli alberi,
lui passerà tutta la sua vita a credersi stupido.
- Albert Einstein
0
voti
grazie per la pronta risposta
mi preme sapere un vostro parere
secondo voi, ipotizzando una interruzione del neutro in cabina di media tensione, con conseguente innalzamento di alcune fasi (una o due) a valori di tensione prossimi ai 400V sulla rete trifase che serve l'azienda,
con tale tensione concatenata protrattasi per qualche minuto si puo' avere il danneggiamento degli scaricatori T2 con i parametri sopra descritti?
il fusibile potrebbe essere saltato? o per un qualche altro motivo?
anche se ho un dubbio che per ora non scrivo per non influenzare le risposte...
mi preme sapere un vostro parere
secondo voi, ipotizzando una interruzione del neutro in cabina di media tensione, con conseguente innalzamento di alcune fasi (una o due) a valori di tensione prossimi ai 400V sulla rete trifase che serve l'azienda,
con tale tensione concatenata protrattasi per qualche minuto si puo' avere il danneggiamento degli scaricatori T2 con i parametri sopra descritti?
il fusibile potrebbe essere saltato? o per un qualche altro motivo?
anche se ho un dubbio che per ora non scrivo per non influenzare le risposte...
0
voti
inoltre per Uc=275 dovrebbe intendersi la tensione di esercizio dello scaricatore, è possibile dunque che a valori prossimi a 400V per tempi prolungati si danneggi?
0
voti
Formulo due ipotesi:...
1- Fulminazione indiretta nelle immediate vicinanze della azienda , c una corrente di scarica x induzione molto elevata, al disopra del 80% del valore, quasi come una fulminazine diretta..gli scaricatori, del tipi II hanno assunto per logica, una corrente di scarica per un tempo determinato nel tempo x un valore di 300 microsecondi tale da portare al danneggiamento del dispositivo...
2- impulsi di linea in MT che si riversano sul lato BT x un tempo superiore ai 300 microsec...
Ps. in MT non c'e' neutro in centro-stella....non vi sono sconnessioni del neutro...
1- Fulminazione indiretta nelle immediate vicinanze della azienda , c una corrente di scarica x induzione molto elevata, al disopra del 80% del valore, quasi come una fulminazine diretta..gli scaricatori, del tipi II hanno assunto per logica, una corrente di scarica per un tempo determinato nel tempo x un valore di 300 microsecondi tale da portare al danneggiamento del dispositivo...
2- impulsi di linea in MT che si riversano sul lato BT x un tempo superiore ai 300 microsec...
Ps. in MT non c'e' neutro in centro-stella....non vi sono sconnessioni del neutro...
0
voti
Elettro ha scritto:Ps. in MT non c'e' neutro in centro-stella.
Ne sei sicuro?
Forse intendevi dire che il neutro non influenza il normale esercizio della linea MT.
Ognuno sta solo sul cuor della terra
trafitto da un raggio di sole:
ed è subito sera
Salvatore Quasimodo
trafitto da un raggio di sole:
ed è subito sera
Salvatore Quasimodo
0
voti
elettro ha scritto:Formulo due ipotesi:...
Mi spiego meglio, forse non sono stato molto chiaro...
Il Neutro che intendo io parte dalla cabina secondaria MT (che nel mio caso è un trasformatore a palo, siamo in aperta campagna praticamente), ora supponiamo che per errore di manovra di operai enel, oppure un uccello che si mangia il N insomma abbiamo una interruzione del neutro. Ora le azienda alimentate in BT da tale trasformatore (interruzione del N) possono avere alcune fasi che si portano a 400v.
Bene gli scaricatori che ho nominato prima a 400v si guastano? se Uc è a 275V...
non so se ho chiarito il concetto...;)
0
voti
inoltre per Uc=275 dovrebbe intendersi la tensione di esercizio dello scaricatore, è possibile dunque che a valori prossimi a 400V per tempi prolungati si danneggi?
Sì.
8 messaggi
• Pagina 1 di 1
Torna a Impianti, sicurezza e quadristica
Chi c’è in linea
Visitano il forum: Nessuno e 56 ospiti

Elettrotecnica e non solo (admin)
Un gatto tra gli elettroni (IsidoroKZ)
Esperienza e simulazioni (g.schgor)
Moleskine di un idraulico (RenzoDF)
Il Blog di ElectroYou (webmaster)
Idee microcontrollate (TardoFreak)
PICcoli grandi PICMicro (Paolino)
Il blog elettrico di carloc (carloc)
DirtEYblooog (dirtydeeds)
Di tutto... un po' (jordan20)
AK47 (lillo)
Esperienze elettroniche (marco438)
Telecomunicazioni musicali (clavicordo)
Automazione ed Elettronica (gustavo)
Direttive per la sicurezza (ErnestoCappelletti)
EYnfo dall'Alaska (mir)
Apriamo il quadro! (attilio)
H7-25 (asdf)
Passione Elettrica (massimob)
Elettroni a spasso (guidob)
Bloguerra (guerra)






