Elettronica lineare e digitale: didattica ed applicazioni
Moderatori:
carloc,
g.schgor,
BrunoValente,
IsidoroKZ
da
sbartoc » 11 nov 2011, 14:33
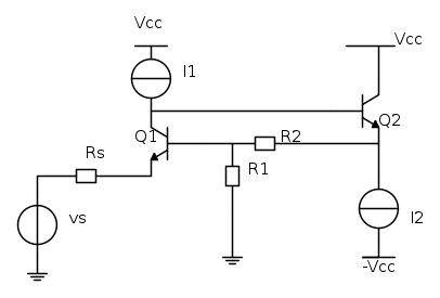
Salve, ho l'ennesimo esercizio da farvi vedere

..
Il primo dubbio che mi viene è: Sono in presenza di un Base Comune ed un Collettore Comune?
Il testo è allegato.
- Allegati
-
2011.06.21.pdf
- (24.46 KiB) Scaricato 109 volte
-

sbartoc
4 5
- New entry

-
- Messaggi: 51
- Iscritto il: 20 gen 2011, 14:23
Torna a Elettronica generale
Chi c’è in linea
Visitano il forum: Nessuno e 347 ospiti