Ciao a tutti..
in riferimento ad un altro post che ho inserito volevo domandare se:
avendo un alimentazione 12Vdc e un NTC far in modo che quando si superano i 40 gradi viene spenta una lampada 50W 230Vac... posso utilizzare un relè? e tra ntc e relè usare un comparatore?
comandare lampada 230V
Moderatori:
carloc,
g.schgor,
BrunoValente,
IsidoroKZ
11 messaggi
• Pagina 1 di 2 • 1, 2
0
voti
Sapendo a quale tensione vieni ad avere sulla ntc quando hai 40°C nell'ambiente utilizzerai un comparatore che superata quella tensione attivi la sua uscita a da quello dovresti riuscire a pilotare direttamente un relè.
0
voti
ok procedo per passi... dimensionamento lato NTC.
partendo da questo schema presente in un vostro progetto 1b

Ho che:
Val=12V
NTC a 40 gradi (soglia stabilita da me) = 3,471K (dato preso da http://de.wikipedia.org/wiki/Widerstand ... er#Tabelle) corretto?
e di conseguenza fisso R a 3,4k (farò una seria tra una 3k3 e una 100R...)
in questo modo so che quando Vout è maggiore o uguale a cica 6Vdc (precisamente 6,06) le lampade devono esser accese, se scende sotto i 6Vdc (e quindi si superano i 40 gradi) si deve spegnere...
corretto il ragionamento fin qui? con una Vout da 6V o poco inferiore, passando per il comparatore, riesco a pilotare un rele?
partendo da questo schema presente in un vostro progetto 1b

Ho che:
Val=12V
NTC a 40 gradi (soglia stabilita da me) = 3,471K (dato preso da http://de.wikipedia.org/wiki/Widerstand ... er#Tabelle) corretto?
e di conseguenza fisso R a 3,4k (farò una seria tra una 3k3 e una 100R...)
in questo modo so che quando Vout è maggiore o uguale a cica 6Vdc (precisamente 6,06) le lampade devono esser accese, se scende sotto i 6Vdc (e quindi si superano i 40 gradi) si deve spegnere...
corretto il ragionamento fin qui? con una Vout da 6V o poco inferiore, passando per il comparatore, riesco a pilotare un rele?
0
voti
ira83 ha scritto:corretto il ragionamento fin qui? con una Vout da 6V o poco inferiore, passando per il comparatore, riesco a pilotare un rele?
Sì dovresti riuscire a pilotare un relè, eventualmente sull'uscita del comparatore si metterà un transistor ma credo che non ne avrai bisogno...Per esempio all'uscita del comparatore potresti metterci un relè a 12Vdc con gli scambi adatti per la 230V 10A...Per esempio...
0
voti
ira83 ha scritto:ok procedo per passi... dimensionamento lato NTC.
Devi usare i dati dell'NTC che effettivamente ci sara` nel circuito, non di una generica trovata su wikipedia.
Hai letto anche il secondo e il terzo articolo della serie su NTC e termostati? Ci sono tutti i conti, e mi pare che si usi un trimmer per mettere a posto la temperatura e compensare le tolleranze.
Che cosa hai studiato di elettronica?
Per usare proficuamente un simulatore, bisogna sapere molta più elettronica di lui
Plug it in - it works better!
Il 555 sta all'elettronica come Arduino all'informatica! (entrambi loro malgrado)
Se volete risposte rispondete a tutte le mie domande
Plug it in - it works better!
Il 555 sta all'elettronica come Arduino all'informatica! (entrambi loro malgrado)
Se volete risposte rispondete a tutte le mie domande
0
voti
Edit TF: eliminata citazione inutile
si certo ma era tanto per fare il ragionamento logico... mmm vabbe forse e meglio che inizio a far tutto con conti giusti...
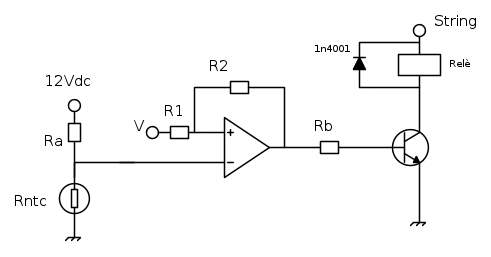
questo è lo schema che ho estratto dagli articoli che mi hai segnalato...
come NTC pensavo a questo http://www.pixsys.net/prodotti/sensori- ... asy-up-108 dove quindi la mia Rntc di soglia è di 5,834K (prelevato dai ntc 10k http://www.google.it/url?sa=t&rct=j&q=n ... RAOiwpQ7Iw)
il problema ora mi sorge poiché io non ho alimentazione + e - per il componente da voi segnalato (LM358)
V (la tensione sul "morsetto" + dell'operazionale può esser 12V? In tal caso Ra dev'esser relativamente piccola no?
si certo ma era tanto per fare il ragionamento logico... mmm vabbe forse e meglio che inizio a far tutto con conti giusti...
questo è lo schema che ho estratto dagli articoli che mi hai segnalato...
come NTC pensavo a questo http://www.pixsys.net/prodotti/sensori- ... asy-up-108 dove quindi la mia Rntc di soglia è di 5,834K (prelevato dai ntc 10k http://www.google.it/url?sa=t&rct=j&q=n ... RAOiwpQ7Iw)
il problema ora mi sorge poiché io non ho alimentazione + e - per il componente da voi segnalato (LM358)
V (la tensione sul "morsetto" + dell'operazionale può esser 12V? In tal caso Ra dev'esser relativamente piccola no?
0
voti
Che cosa sai e che cosa hai studiato di elettronica?
Non puoi prendere una NTC da una parte, e le caratteristiche di un'altra NTC (dello stesso valore) da un'altra parte: devono riferirsi allo stesso modello.
Dove c'e` scritto che serve una tensione di alimentazione + e - per il componente LM358?
Mi pare che quello schema non ci sia fra gli articoli che ti ho segnalato, se guardi nella terza parte gli schemi sono un pochino diversi.
Non puoi prendere una NTC da una parte, e le caratteristiche di un'altra NTC (dello stesso valore) da un'altra parte: devono riferirsi allo stesso modello.
Dove c'e` scritto che serve una tensione di alimentazione + e - per il componente LM358?
Mi pare che quello schema non ci sia fra gli articoli che ti ho segnalato, se guardi nella terza parte gli schemi sono un pochino diversi.
Per usare proficuamente un simulatore, bisogna sapere molta più elettronica di lui
Plug it in - it works better!
Il 555 sta all'elettronica come Arduino all'informatica! (entrambi loro malgrado)
Se volete risposte rispondete a tutte le mie domande
Plug it in - it works better!
Il 555 sta all'elettronica come Arduino all'informatica! (entrambi loro malgrado)
Se volete risposte rispondete a tutte le mie domande
0
voti
IsidoroKZ ha scritto:Che cosa sai e che cosa hai studiato di elettronica?
mi son diplomato giusto un po di anni fa... ora faccio tutt'altro lavoro e quindi posso dire di ricordare le basi.
IsidoroKZ ha scritto:Non puoi prendere una NTC da una parte, e le caratteristiche di un'altra NTC (dello stesso valore) da un'altra parte: devono riferirsi allo stesso modello.
ti ripeto che per il momento voglio solo fare una cosa basata su supposizioni. quando capirò come fare il circuito poi sceglierò i componenti piu adatti
IsidoroKZ ha scritto:Dove c'e` scritto che serve una tensione di alimentazione + e - per il componente LM358?
no perdon, non viene detto che l'alimentazione è + e - ma che:
Poiche` si e` a singola alimentazione e dovremo fornire in uscita un segnale riferito al negativo, e` molto opportuno utilizzare un operazionale la cui uscita possa scendere fino alla tensione di alimentazione negativa, tipo l'LM358, oppure qualunque altro operazionale single supply.
tratto da qui: http://www.electroyou.it/isidorokz/wiki ... o-circuito
IsidoroKZ ha scritto:Mi pare che quello schema non ci sia fra gli articoli che ti ho segnalato, se guardi nella terza parte gli schemi sono un pochino diversi.
Lo schema l'ho realizzato io, scusami ma la parte III mi era sfuggita... l'ho appena letta http://www.electroyou.it/isidorokz/wiki ... sionamento ma quindi secondo te, per far in modo che da 0-40 gradi il relè mi tenga accese 2 lampade 60W 230Vac, e per valori superiori a 40 gradi le spenga, su quale circuito mi conviene stare?
Per quanto riguarda il dimensionamento, sempre nella III partre, c'è da togliersi tanto di cappello basta seguirlo passo passo...
0
voti
Secondo me stai su uno dei circuiti della parte III, con un piccolo trimmer, in modo da poter compensare la varie tolleranze, altrimenti rischi di andare a 43 gradi e farti i pulcini arrosto.
Se guardi anche il thread, li` vedi come si era sviluppato il problema, e ci sono anche considerazioni su come piazzare l'NTC.
Poi devi comunque mettere un po' di isteresi, dalle parti di 0.3K-0.5K in modo da evitare che ci sia un continuo attacca/stacca.
Leggiti bene le prime tre parti della serie, mi pare che si siano quasi tutte le informazioni e considerazioni necessarie per fare un circuito del genere.
Se guardi anche il thread, li` vedi come si era sviluppato il problema, e ci sono anche considerazioni su come piazzare l'NTC.
Poi devi comunque mettere un po' di isteresi, dalle parti di 0.3K-0.5K in modo da evitare che ci sia un continuo attacca/stacca.
Leggiti bene le prime tre parti della serie, mi pare che si siano quasi tutte le informazioni e considerazioni necessarie per fare un circuito del genere.
Per usare proficuamente un simulatore, bisogna sapere molta più elettronica di lui
Plug it in - it works better!
Il 555 sta all'elettronica come Arduino all'informatica! (entrambi loro malgrado)
Se volete risposte rispondete a tutte le mie domande
Plug it in - it works better!
Il 555 sta all'elettronica come Arduino all'informatica! (entrambi loro malgrado)
Se volete risposte rispondete a tutte le mie domande
11 messaggi
• Pagina 1 di 2 • 1, 2
Chi c’è in linea
Visitano il forum: Google [Bot] e 134 ospiti

Elettrotecnica e non solo (admin)
Un gatto tra gli elettroni (IsidoroKZ)
Esperienza e simulazioni (g.schgor)
Moleskine di un idraulico (RenzoDF)
Il Blog di ElectroYou (webmaster)
Idee microcontrollate (TardoFreak)
PICcoli grandi PICMicro (Paolino)
Il blog elettrico di carloc (carloc)
DirtEYblooog (dirtydeeds)
Di tutto... un po' (jordan20)
AK47 (lillo)
Esperienze elettroniche (marco438)
Telecomunicazioni musicali (clavicordo)
Automazione ed Elettronica (gustavo)
Direttive per la sicurezza (ErnestoCappelletti)
EYnfo dall'Alaska (mir)
Apriamo il quadro! (attilio)
H7-25 (asdf)
Passione Elettrica (massimob)
Elettroni a spasso (guidob)
Bloguerra (guerra)





