buongiorno, vorrei chiedervi se e' possibile senza usare dei ic avere da 2 segnali verso gnd una uscita o positiva o negativa, pero' l unico obbligo e' che deve cambiare di stato solamente quando entrambi sono a gnd
se solo uno dei 2 non fosse verso gnd (magari aiutato da una leggera polarizzazione verso vcc da una resistenza da 10K)lo stato di uscita di questa "porta logica rudimentale" non verrebbe alterato.
grazie mille
porta logica rudimentale
Moderatori:
carloc,
g.schgor,
BrunoValente,
IsidoroKZ
0
voti
"La follia sta nel fare sempre la stessa cosa aspettandosi risultati diversi".
"Parla soltanto quando sei sicuro che quello che dirai è più bello del silenzio".
Rispondere è cortesia, ma lasciare l'ultima parola ai cretini è arte.
"Parla soltanto quando sei sicuro che quello che dirai è più bello del silenzio".
Rispondere è cortesia, ma lasciare l'ultima parola ai cretini è arte.
-

TardoFreak
73,9k 8 12 13 - -EY Legend-

- Messaggi: 15754
- Iscritto il: 16 dic 2009, 11:10
- Località: Torino - 3° pianeta del Sistema Solare
0
voti
mi sono errato nel fare la domanda,basta un ingresso che non sia a GND che la sua uscita non cambia poi in base a come e' l uscita usero un transistor con una resistenza pull up per eccitare un rele'
0
voti
sampei198 ha scritto:basta un ingresso che non sia a GND che la sua uscita non cambia
Una OR? Quella postata da
Se posti una mini tabella della verità con le condizioni logiche, meglio. Le funzioni logiche si spiegano a 0 e 1.
0
voti
una cosa cosi puo' andare?
l uscita che ha il 567 e invertita rispetto al normale, quando e' a 1 (vcc) deve diseccitare il rele' e quando e' a 0 eccita il rele'.
sono 2 ne567 messi a lavorare in parallelo, con un diodo di ritorno.
il 3 e' un interruttore che quando e' premuto va a massa e quando e rilasciato e' flottante.
sono giuste le resistenze che ho messo?
0
voti
Fammi capire.. Tu hai due ingressi collegati ad una stessa uscita (pin 8)? Se si, perché?
Il relè andrebbe messo sul collettore del bipolare.
Il diodo conduce sempre, e quando è chiuso l'interruttore, è interdetto. Così com'è non serve a niente. Tu vuoi che quando viene premuto si ecciti il relè??
La resistenza di pull-down sulla base del PNP non ci deve assolutamente essere, a meno che non sia un NPN
Io cambierei il circuito così
Ma collegare due entrate ad una stessa uscita, non mi sembra logico... Vedi l'ingresso intermedio..
Altra domanda (importante): qual è la tensione di output del pin 8??? E la tensione di alimentazione?
Infine, perché non usare una porta logica?
Il relè andrebbe messo sul collettore del bipolare.
il 3 e' un interruttore che quando e' premuto va a massa e quando e rilasciato e' flottante.
Il diodo conduce sempre, e quando è chiuso l'interruttore, è interdetto. Così com'è non serve a niente. Tu vuoi che quando viene premuto si ecciti il relè??
La resistenza di pull-down sulla base del PNP non ci deve assolutamente essere, a meno che non sia un NPN
Io cambierei il circuito così
Ma collegare due entrate ad una stessa uscita, non mi sembra logico... Vedi l'ingresso intermedio..
Altra domanda (importante): qual è la tensione di output del pin 8??? E la tensione di alimentazione?
Infine, perché non usare una porta logica?
0
voti
sono 2 circuiti diversi con la stessa funzione, ecco perche ho messo 2 pin 8.
volevo evitare ic per problemi di spazio sulla basetta , ecco il corcuito del 567
http://digilander.libero.it/i2viu/infra.html
l interruttore deve puando e' premuto essere a gnd, quando viene rilasciato deve fare diseccitare il rele'
come lo devono fare se una delle 8 entrate relative al pin 8 va alta
volevo evitare ic per problemi di spazio sulla basetta , ecco il corcuito del 567
http://digilander.libero.it/i2viu/infra.html
l interruttore deve puando e' premuto essere a gnd, quando viene rilasciato deve fare diseccitare il rele'
come lo devono fare se una delle 8 entrate relative al pin 8 va alta
0
voti
sampei198 ha scritto:sono 2 circuiti diversi con la stessa funzione ...
OK scusa e grazie per la precisazione.
l'interruttore deve, quando e' premuto, essere a gnd. Quando viene rilasciato deve fare diseccitare il rele'
Quello lo abbiamo corretto, per il momento.
Non posso aprire il datasheet dell'NE567 che non conosco come IC..
Volevo vedere il valore di caduta di tensione tra
e
, perché se questa è maggiore della
dei diodi, il PNP dovrebbe essere sempre acceso.. In tal caso a mio parere sarebbe meglio porre delle resistenze di pull-up sui catodi dei due diodi relativi ai pin 8.
Come ultima cosa ho pensato che mettere una resistenza in serie per ciascun anodo sarebbe stato meglio, un po' come i diodi LED..
Infine questo è lo schema a cui ho pensato.
R1 = 10k dovrebbe andar bene. Per R2 ··· R4 dovrebbero essere tutte uguali. Spero non ci siano errori particolari.
Ciao
0
voti
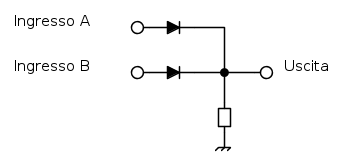
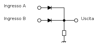
ma a questo modo basta che uno vada a gnd per rimanere eccitato, a me occorreva che se erano entrambi a gnd ok altrimenti diseccitava.
quarda alla fine vedo che lo spazio e' sempre e forse di piu con transistor che ic.non credi? ora ho trovato un ic cd 4071 lo possso fare con quello che dici ...mettendo a pull up gli ingressi con una resistenza da 10 k
da una prendo il segnale della precedente...cosa ti sembra?
quarda alla fine vedo che lo spazio e' sempre e forse di piu con transistor che ic.non credi? ora ho trovato un ic cd 4071 lo possso fare con quello che dici ...mettendo a pull up gli ingressi con una resistenza da 10 k
da una prendo il segnale della precedente...cosa ti sembra?
Chi c’è in linea
Visitano il forum: Nessuno e 398 ospiti

Elettrotecnica e non solo (admin)
Un gatto tra gli elettroni (IsidoroKZ)
Esperienza e simulazioni (g.schgor)
Moleskine di un idraulico (RenzoDF)
Il Blog di ElectroYou (webmaster)
Idee microcontrollate (TardoFreak)
PICcoli grandi PICMicro (Paolino)
Il blog elettrico di carloc (carloc)
DirtEYblooog (dirtydeeds)
Di tutto... un po' (jordan20)
AK47 (lillo)
Esperienze elettroniche (marco438)
Telecomunicazioni musicali (clavicordo)
Automazione ed Elettronica (gustavo)
Direttive per la sicurezza (ErnestoCappelletti)
EYnfo dall'Alaska (mir)
Apriamo il quadro! (attilio)
H7-25 (asdf)
Passione Elettrica (massimob)
Elettroni a spasso (guidob)
Bloguerra (guerra)





