Cos'è ElectroYou | Login Iscriviti

ElectroYou - la comunità dei professionisti del mondo elettrico

Applicare teoria studiata: Alimentatore

Elettronica lineare e digitale: didattica ed applicazioni

Moderatori: Foto Utentecarloc, Foto Utenteg.schgor, Foto UtenteBrunoValente, Foto UtenteIsidoroKZ

0
voti

[1] Applicare teoria studiata: Alimentatore

Messaggioda Foto UtenteMoriduri » 14 dic 2011, 21:57

Ciao! ho finito ora di studiare i filtri per raddrizzare una tensione da AC a DC!
Ho visto pochi esempi (quelli presenti sul libro) e ho provato a buttare giù un "progettino" di alimentatore a 1 diodo di giunzione, con condensatore derivato dalla resistenza messa in serie e messo in parallelo con la resistenza dell'utilizzatore (ossia quella di carico)!! :mrgreen:
In pratica il filtro è RC...
Non ho ancora effettuato i calcoli e i dimensionamenti, perché per ora non mi servono! volevo più che altro vedere se questa "configurazione" poteva funzionare e era sbagliata!!

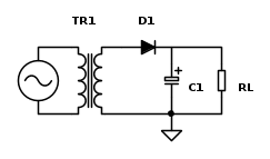
schema:


Può funzionare? anche se non livella del tutto la tensione.. non importa, basta che sia funzionante!
Avatar utente
Foto UtenteMoriduri
79 4
New entry
New entry
 
Messaggi: 82
Iscritto il: 9 dic 2011, 18:54

0
voti

[2] Re: Applicare teoria studiata: Alimentatore

Messaggioda Foto Utentesimo85 » 14 dic 2011, 22:06

La resistenza in serie al diodo direi che non serve. Il carico di per sè già limita la corrente di consumo, ed il diodo deve sopportare una corrente massima superiore a questa, altrimenti si rompe.
Avatar utente
Foto Utentesimo85
30,9k 7 12 13
Disattivato su sua richiesta
 
Messaggi: 9927
Iscritto il: 30 ago 2010, 4:59

0
voti

[3] Re: Applicare teoria studiata: Alimentatore

Messaggioda Foto Utentebelva87 » 14 dic 2011, 22:11

Segui il consiglio di Gohan, già con quel circuito il rendimento non è altissimo, in più dissipare inutilmente con la resistenza in serie.... funziona comunque, se puoi permetterti un diodo in più, fai un rettificatore con due diodi.
Avatar utente
Foto Utentebelva87
2.292 2 6 12
free expert
 
Messaggi: 1323
Iscritto il: 9 mag 2011, 15:01

0
voti

[4] Re: Applicare teoria studiata: Alimentatore

Messaggioda Foto UtenteMoriduri » 14 dic 2011, 22:21

perfetto! allora niente resistenza! xP ma non è che se ci attacco qualcosa che funziona in continua mi scoppia?? xP perché visto che non è un gran alimentatore magari non va bene per gli apparecchi che richiedono la continua!
Avatar utente
Foto UtenteMoriduri
79 4
New entry
New entry
 
Messaggi: 82
Iscritto il: 9 dic 2011, 18:54

0
voti

[5] Re: Applicare teoria studiata: Alimentatore

Messaggioda Foto Utentesimo85 » 14 dic 2011, 22:22

Scusa, secondo te il carico con che tipo di tensione e corrente deve funzionare? AC o DC?
Avatar utente
Foto Utentesimo85
30,9k 7 12 13
Disattivato su sua richiesta
 
Messaggi: 9927
Iscritto il: 30 ago 2010, 4:59

0
voti

[6] Re: Applicare teoria studiata: Alimentatore

Messaggioda Foto UtenteMoriduri » 14 dic 2011, 22:30

DC... però se la mia tensione d'uscita non è ben livellata, visto che è molto primordiale come alimentatore, non vorrei che non funzionasse a dovere e creasse problemi con un utilizzatore che è costruito per lavorare con una tensione stabile al 100%!
Avatar utente
Foto UtenteMoriduri
79 4
New entry
New entry
 
Messaggi: 82
Iscritto il: 9 dic 2011, 18:54

0
voti

[7] Re: Applicare teoria studiata: Alimentatore

Messaggioda Foto Utentesimo85 » 14 dic 2011, 22:33

Allora devi dimensionare bene il condensatore, e lì si che servono i calcoli.
Avrai sempre un ripple minimo di tensione, che dipende dal valore del condensatore e non solo..
Avatar utente
Foto Utentesimo85
30,9k 7 12 13
Disattivato su sua richiesta
 
Messaggi: 9927
Iscritto il: 30 ago 2010, 4:59

0
voti

[8] Re: Applicare teoria studiata: Alimentatore

Messaggioda Foto Utentesimo85 » 14 dic 2011, 23:09

Leggendo bene la tua risposta mi è venuto il dubbio che tu avessi frainteso a quale delle due resistenze mi riferivo.
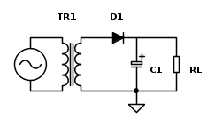
Questo è lo schema a cui facevo riferimento


Ciao.
Avatar utente
Foto Utentesimo85
30,9k 7 12 13
Disattivato su sua richiesta
 
Messaggi: 9927
Iscritto il: 30 ago 2010, 4:59

0
voti

[9] Re: Applicare teoria studiata: Alimentatore

Messaggioda Foto UtenteMoriduri » 14 dic 2011, 23:31

sisi tranquillo avevo capito giusto ;) comunque ho provato a fare i calcoli.. seguendo le formule sul mio libro verrebbe così:

usando un trasformatore 220 V - 25V

tensione massima inversa su diodo = 35,4V avendo usato la formula U_{i}=\sqrt{2}*U_{a} dove Ui è la tensione massima inversa.. e Ua è 25V

tensione sul carico = 11,25V avendo usato la formula U_{c}=\frac{\sqrt{2}}{\pi }*U_{a} dove Uc è la tensione sul carico

Condensatore = 1mF

Xc=\frac{1}{2\pi fC}=\frac{1}{2*3.141*50*(1*10^{-3})}=3.183 \Omega

seguendo la formula che mi dice che la reattanza del condensatore deve essere minore di \frac{1}{10}R

il periodo dei 50 Hz viene 0,02 secondi.. la carica/scarica del condensatore in 0,1 secondi
per calcolarmi \tau del condensatore ho usato come resistenza quella del diodo, calcolandola più o meno per 100 ohm.. come c'è scritto sul mio libro!

può essere giusto? :mrgreen:
Avatar utente
Foto UtenteMoriduri
79 4
New entry
New entry
 
Messaggi: 82
Iscritto il: 9 dic 2011, 18:54

0
voti

[10] Re: Applicare teoria studiata: Alimentatore

Messaggioda Foto UtenteIsidoroKZ » 14 dic 2011, 23:33

Non mi pare che vada bene, che libro e`?
Per usare proficuamente un simulatore, bisogna sapere molta più elettronica di lui
Plug it in - it works better!
Il 555 sta all'elettronica come Arduino all'informatica! (entrambi loro malgrado)
Se volete risposte rispondete a tutte le mie domande
Avatar utente
Foto UtenteIsidoroKZ
121,2k 1 3 8
G.Master EY
G.Master EY
 
Messaggi: 21059
Iscritto il: 17 ott 2009, 0:00

Prossimo

Torna a Elettronica generale

Chi c’è in linea

Visitano il forum: Nessuno e 44 ospiti