salve,
sto studiando macchine elettriche, vi scrivo per i seguenti chiarimenti:
1. il testo recita:
si consideri quindi una macchina elettrica a traferro costante con un unico avvolgimento, costituito da una sola matassa a passo diametrale di N spire in serie tra di loro, disposta sullo statore
dopo un po' :
..al prodotto delle spire in serie di ciascun polo dell’avvolgimento Nsp ( che nel caso presente è pari ad N/2 ) ...
...Se l’avvolgimento considerato è costituito da N spire in serie che realizzano p coppie polari (coppie di poli), essendo i(t) il valore istantaneo della corrente che le attraversa tutte ed N/2p le spire in serie per ciascun polo...
l'idea che mi sono fatto è che la matassa sia formata da N spire in serie e poi queste spire si riparticosco equamente tra i 2p poli.
Se per ogni polo i lati attivi della matassa trovano spazio tutti in una sola cava si parla di avvolgimento concentrato, se invece sono ancora divisi tra 2 o più cave nello stesso polo si parla di avvolgimento distribuito.
E' così?
2. Sia assegnato un avvolgimento del tipo riportato in fig. (VI.11) con più matasse in serie per polo (nel caso specifico 2) ciascuna di passo inferiore a In particolare si può immaginare di avere tutte matasse di uguale passo realizzate unendo i lati attivi 1 e 3, 2 e 4, 5 e 7, 6 e 8 rispettivamente (avvolgimento distribuito sfalsato).L’avvolgimento ha due matasse per polo ciascuna di N/2 spire (con N si sono indicate le spire in serie per polo)
mi potete dire come devo immaginare disposti i lati della matassa in questo caso?
come è realizzata la serie delle matasse?
grazie
Chiarimenti su costruzioni di macchine
Moderatori:
SandroCalligaro,
mario_maggi,
fpalone
6 messaggi
• Pagina 1 di 1
0
voti
antonio07 ha scritto: si può immaginare di avere tutte matasse di uguale passo realizzate unendo i lati attivi 1 e 3, 2 e 4, 5 e 7, 6 e 8
In pratica ti sei dato la risposta da solo.Ecco come si presenta.
antonio07 ha scritto:(avvolgimento distribuito sfalsato).
Si dice avvolgimento embricato.
0
voti
innanzitutto ti ringrazio.
ma dal tuo disegno mi pare di capire che ipotizzeresti di avere 1 sola matassa per polo mentre lui mi parla di 2 masse per polo.
In effetti il mio problema è proprio su cosa s'intenda per matassa...
grazie
ma dal tuo disegno mi pare di capire che ipotizzeresti di avere 1 sola matassa per polo mentre lui mi parla di 2 masse per polo.
In effetti il mio problema è proprio su cosa s'intenda per matassa...
grazie
Ultima modifica di
asdf il 2 gen 2012, 18:37, modificato 1 volta in totale.
Motivazione: Eliminato il quoting. Per rispondere premi su Rispondi e non su Cita.
Motivazione: Eliminato il quoting. Per rispondere premi su Rispondi e non su Cita.
0
voti
Perche' una matassa per polo?
Abbiamo due lati di mattassa, per polo!
Il mio disegno, se guardi attentamente, è uguale alla figura del tuo primo post, dove i cerchietti 1 e 2 rappresentano un polo ( per es. un polo N) costituiti da due lati di matassa( o lati attivi), i cerchetti 3 e 4 rappresentano un altro polo, ma di nome contrario al primo( polo S) e cosi' via..
Guarda il disegno qui sotto, ogni matassa ha due lati attivi, un lato concorre alla formazione del polo N(corrente entrante), l'altro del polo S(corrente uscente).
In definitiva si tratta di un avvolgimento a quattro poli, costituito da due gruppi di due matasse in serie.
Abbiamo due lati di mattassa, per polo!
Il mio disegno, se guardi attentamente, è uguale alla figura del tuo primo post, dove i cerchietti 1 e 2 rappresentano un polo ( per es. un polo N) costituiti da due lati di matassa( o lati attivi), i cerchetti 3 e 4 rappresentano un altro polo, ma di nome contrario al primo( polo S) e cosi' via..
Guarda il disegno qui sotto, ogni matassa ha due lati attivi, un lato concorre alla formazione del polo N(corrente entrante), l'altro del polo S(corrente uscente).
In definitiva si tratta di un avvolgimento a quattro poli, costituito da due gruppi di due matasse in serie.
0
voti
è chiaro che ho un po' di confusione al riguardo, io ero convinto che fossero in totale 2 poli di un macchina elettrica: uno rappresentato dai lati da 1 a 4 , l'altro dai restanti lati.
Lui in effetti parla di 2 matasse in serie per polo così, con riferimento al tuo precedente post, avevo inteso che le matasse in serie (così come le avevi rappresentate) fossero 2-4 e 1-3 per il primo polo e 6-8 e 4-7 per il 2°polo...
avevo capito che se per esempio una macchina ha 8 poli: le coppie polari sarebbero 1-5,2-6,3-7,4-8 ovvero i poli accoppiati dovrebbero essere essere fisicamente opposti e nn contigui come mi pare di capire siano qui..
-------------------------------------------------------------------------------------------------------------------------------
l'avvolgimento non è concentrato appunto perché un polo (N o S) non è rappresentato da una sola cava ma distribuito su più cave?
-------------------------------------------------------------------------------------------------------------------------------
come si disegnerebbe la seguente situazione:
..un avvolgimento trifase distribuito, costituito con tre avvolgimenti identici a p coppie polari, sfasati spazialmente tra di loro di 2*pi_greco/3 radianti elettrici...
grazie molte
Lui in effetti parla di 2 matasse in serie per polo così, con riferimento al tuo precedente post, avevo inteso che le matasse in serie (così come le avevi rappresentate) fossero 2-4 e 1-3 per il primo polo e 6-8 e 4-7 per il 2°polo...
avevo capito che se per esempio una macchina ha 8 poli: le coppie polari sarebbero 1-5,2-6,3-7,4-8 ovvero i poli accoppiati dovrebbero essere essere fisicamente opposti e nn contigui come mi pare di capire siano qui..
-------------------------------------------------------------------------------------------------------------------------------
l'avvolgimento non è concentrato appunto perché un polo (N o S) non è rappresentato da una sola cava ma distribuito su più cave?
-------------------------------------------------------------------------------------------------------------------------------
come si disegnerebbe la seguente situazione:
..un avvolgimento trifase distribuito, costituito con tre avvolgimenti identici a p coppie polari, sfasati spazialmente tra di loro di 2*pi_greco/3 radianti elettrici...
grazie molte
2
voti
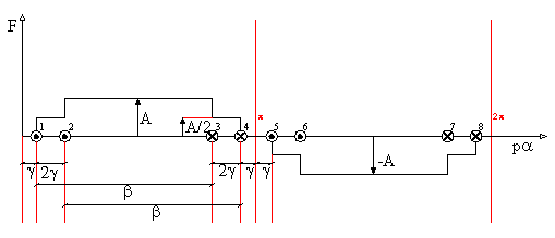
Facendo sempre riferimento al disegno del tuo primo post, relativo a una fase di avvolgimento "vista da sopra", ti ho disegnato lo schema frontale dello stesso avvolgimento, che comprende (come da tua richiesta) tutte e tre le fasi.
Ciao.
Ciao.
6 messaggi
• Pagina 1 di 1
Chi c’è in linea
Visitano il forum: Nessuno e 3 ospiti

Elettrotecnica e non solo (admin)
Un gatto tra gli elettroni (IsidoroKZ)
Esperienza e simulazioni (g.schgor)
Moleskine di un idraulico (RenzoDF)
Il Blog di ElectroYou (webmaster)
Idee microcontrollate (TardoFreak)
PICcoli grandi PICMicro (Paolino)
Il blog elettrico di carloc (carloc)
DirtEYblooog (dirtydeeds)
Di tutto... un po' (jordan20)
AK47 (lillo)
Esperienze elettroniche (marco438)
Telecomunicazioni musicali (clavicordo)
Automazione ed Elettronica (gustavo)
Direttive per la sicurezza (ErnestoCappelletti)
EYnfo dall'Alaska (mir)
Apriamo il quadro! (attilio)
H7-25 (asdf)
Passione Elettrica (massimob)
Elettroni a spasso (guidob)
Bloguerra (guerra)





