Salve a tutti ragazzi....ho trovato girando per il web questo video....e da ciò che ho capito il tizio del video se l'è costruito da solo...vorrei solo capire il principio su cui si basa come fa a "rilevare la posizione" del cambio...ecc...
il video è questo
Indicatore di cambio, display che indica la marcia inserita.
Moderatori:
carloc,
g.schgor,
BrunoValente,
IsidoroKZ
20 messaggi
• Pagina 1 di 2 • 1, 2
0
voti
Sensori ad effetto di hall.
http://docs-europe.electrocomponents.com/webdocs/0445/0900766b80445225.pdf
http://docs-europe.electrocomponents.com/webdocs/0445/0900766b80445225.pdf
0
voti
wow...e praticamente cosa fanno?...su cosa si basa il loro funzionamento....vorrei fare un sistema del genere...sperimentando un circuito....ma ovviamente devo prima capire come funziona il tutto
sai qualcosa in più riguardo questi sensori?
sai qualcosa in più riguardo questi sensori?
0
voti
prova a leggere questo articolo : http://www.electroyou.it/paolino/wiki/updowncounter spero che faccia a caso tuo 

-

milan1996pato2
851 3 10 13 - Sostenitore

- Messaggi: 1062
- Iscritto il: 4 ago 2011, 17:42
1
voti
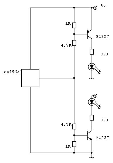
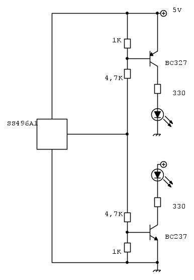
in questo modo avvicinando il nord di una calamita si accende un led, con il sud si accende l'altro, senza calamita tutti e due i led risultano spenti. Il valore della tensione in uscita dal sensore è normalmente (non interessato dal magnete) a 1/2 della tensione di alimentazione, tale valore varia verso lo zero o verso la tensione massima in funzione della forza e del verso del campo magnetico che lo interessa.
0
voti
quindi praticamente lui ha solo saldato un pezzo di ferro con un magnete posto all'estremità e quando il nord della calamita passa sul sensore ad esempio della 1° invia l'impulso al display di visualizzare il numero 1...e presumo ci siano sensori separati per 1,2,3,4,5 e R e va in N se non riceve impulso da nessun sensore...esatto???
0
voti
Si, ha usato i sensori al posto di normali pulsanti, è un buon metodo per avere un segnale di posizione senza utilizzare contatti elettromeccanici con tutti i problemi che ne deriverebbero in merito all' usura...
0
voti
ma sei io volessi realizzarlo per prova....visto che questa cosa dei sensori ad effetto hall (che tra l'altro non avevo mai sentito) mi incuriosisce abbastanza, come potrei fare un circuito come quello del video...cioè intendo compreso di display ecc....servirebbero dei sensori che fungono da pulsanti e presumo ci sia qualcosa che piloti il display che riconosce il segnale del sensore preposto, poi non capisco il tipo del video come crea l'effetto a "slide" display, con quale IC si potrebbe gestire un circuito del genere? cioè mantenendo fissa la N e modificando il carattere a seconda di quale entrata riceve l'impulso???
Edit: Dimenticavo...grazie 1000 Cox per l'aiuto e i chiarimenti....
Edit: Dimenticavo...grazie 1000 Cox per l'aiuto e i chiarimenti....
0
voti
Cox ha scritto:Cosa sai fare ? Cosa hai studiato o stai studiando ? Di quali attrezzature disponi ?
non ho capito le domande...comunque conosco l'elettronica di base e per ora sto cercando di andare avanti capendo il funzionamento degli integrati ecc...premetto che sono autodidatta e non ho fatto nessuna scuola...tutto ciò che so e che so fare lo devo a nottate al PC a leggere e studiare...mi interesso principalmente di elettronica applicata alle autovetture...le attrezzature di cui dispongo nel mio piccolo laboratorio non sono chissà quali cose...comunque dispongo di: PC, microscopio digitale, breadboard 3220punti, saldatore professionale con punta da 0,2mm, alimentatore stabilizzato con regolatore di tensione, compressore 25lt (può servire per pulire qualche circuito pieno di polvere
20 messaggi
• Pagina 1 di 2 • 1, 2
Chi c’è in linea
Visitano il forum: Nessuno e 41 ospiti

Elettrotecnica e non solo (admin)
Un gatto tra gli elettroni (IsidoroKZ)
Esperienza e simulazioni (g.schgor)
Moleskine di un idraulico (RenzoDF)
Il Blog di ElectroYou (webmaster)
Idee microcontrollate (TardoFreak)
PICcoli grandi PICMicro (Paolino)
Il blog elettrico di carloc (carloc)
DirtEYblooog (dirtydeeds)
Di tutto... un po' (jordan20)
AK47 (lillo)
Esperienze elettroniche (marco438)
Telecomunicazioni musicali (clavicordo)
Automazione ed Elettronica (gustavo)
Direttive per la sicurezza (ErnestoCappelletti)
EYnfo dall'Alaska (mir)
Apriamo il quadro! (attilio)
H7-25 (asdf)
Passione Elettrica (massimob)
Elettroni a spasso (guidob)
Bloguerra (guerra)



