Ho già realizzato in logica C MOS qualcosa di veramente sfizioso con 40106,4040 e 4051..sono una vera prelibatezza per chi suona,con 7-8 euro realizzi anche sequencer sfiziosi.
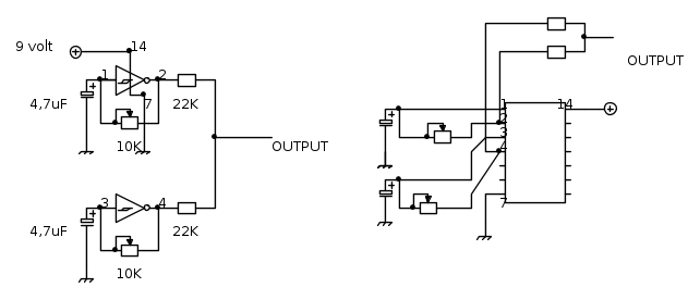
Venendo a noi..se io realizzo più trigger (con il 40106 ne posso fare ben 6) come potrei fare per sommare le uscite di ognuno?Mi spiego meglio,supponiamo che realizzo tre oscillatori ed ognuno di questi come uscita presenta rispettivamente Do Mi Sol(sarà un casino trovare la resistenza che mi dà la nota giusta ma non è questo il problema)e vorrei sentirle tutte e tre contemporaneamente,mica mi basta semplicemente indirizzare l'uscita di ogni singolo trigger all'uscita globale?
scusate per la qualità del circuito,ma è il primo che realizzo con fidocad inoltre per semplicità ho fatto solo due oscillatori

Elettrotecnica e non solo (admin)
Un gatto tra gli elettroni (IsidoroKZ)
Esperienza e simulazioni (g.schgor)
Moleskine di un idraulico (RenzoDF)
Il Blog di ElectroYou (webmaster)
Idee microcontrollate (TardoFreak)
PICcoli grandi PICMicro (Paolino)
Il blog elettrico di carloc (carloc)
DirtEYblooog (dirtydeeds)
Di tutto... un po' (jordan20)
AK47 (lillo)
Esperienze elettroniche (marco438)
Telecomunicazioni musicali (clavicordo)
Automazione ed Elettronica (gustavo)
Direttive per la sicurezza (ErnestoCappelletti)
EYnfo dall'Alaska (mir)
Apriamo il quadro! (attilio)
H7-25 (asdf)
Passione Elettrica (massimob)
Elettroni a spasso (guidob)
Bloguerra (guerra)






