Gentili Sig.,
capisco che sembra una cosa banale, ma vi vorrei porre una domanda.
Dovrei creare una chiave elettrica con tensione 12V composta da n°8 pulsanti e otto spie.
La combinazione vorrei ogni volta poterla cambiare in modo da non tenere sempre la stessa.
La combinazione mi deve attivare un rele naturalmente con bobina a 12V.
La combinazione dovrebbe funzionere più o meno in questo modo:
La pressione di più pulsanti contemporaneamente, mi deve eccitare la bobina del rèlè, ma se schiaccio assieme a questi un pulsante sbagliato, non mi deve aprire il contatto del rélè.
Es.
Combinazione 2, 4, 5 e 8. Se schiaccio e tengo premuti i pulsanti 2, 4, 5 e 8 si apre il rélè, mentre se schiaccio tutti i pulsanti contemporaneamente, non mi deve aprire il rélè.
Spero di essere stato chiaro.
Gentilmente mi potreste dare una mano a svilupparlo, naturalmente vorrei crearlo senza l'ausilio di EPROM ecc.
una cosa semplice
Saluti Bebo
chiave elettrica
Moderatore:
IsidoroKZ
10 messaggi
• Pagina 1 di 1
0
voti
Sì, la cosa è semplice.
Se si usano XOR con un ingresso da pulsante
e l'altro da un dip-switch (predisposto in modo negato
rispetto al segnale che deve essere dato dal pulsante).
Con l' AND di tutte le uscite si ha il consenso per l'apertura
(ovviamente solo se la combinazione dei pulsanti è
esattamente l'inverso di quanto impostato sui dip-switch)
Se si usano XOR con un ingresso da pulsante
e l'altro da un dip-switch (predisposto in modo negato
rispetto al segnale che deve essere dato dal pulsante).
Con l' AND di tutte le uscite si ha il consenso per l'apertura
(ovviamente solo se la combinazione dei pulsanti è
esattamente l'inverso di quanto impostato sui dip-switch)
2
voti
Non ho capito come vuole fare funzionare le spie. Per quanto riguarda la chiave a combinazione avrei pensato a questo utilizzando pulsanti con contatto in scambio e ponticelli.
0
voti
Ti ringrazio anticipatamente, per quanto riguarda le spie è solo un fatto estetico, perché si deve accendere la spia corrispondente al pulsante, cioè preemendo il pulsante 2, 4, 5 e 6 si dovranno accendere le spie corrispondenti. Mi consigliate di metterci dei diodi sulle spie per evitare che si accendano tutte?
Grazie
Grazie
-

tecnoimpel
0 2 - Messaggi: 3
- Iscritto il: 5 dic 2009, 17:48
2
voti
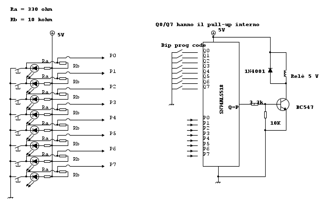
Questo comparatore sembra proprio l'ideale usando otto pulsanti, bisogna alimentarlo a 5 V, per poi utilizzare un carico a 12 si può pensare di servirsi dei contatti del relè a 5 V.
0
voti
Scusa
Cox ma dove hai trovato quell'integrato?
Per quanto abbia cercato non ne vedo traccia nei datasheet.
Questo per dire che, se l'integrato e' introvabile, il circuito serve a poco.
Per quanto abbia cercato non ne vedo traccia nei datasheet.
Questo per dire che, se l'integrato e' introvabile, il circuito serve a poco.
marco
0
voti
http://it.farnell.com/texas-instruments/sn74als518n/logic-comparator-id-8bit-20dip/dp/1749504
il ' 520 lavora negato e costa meno, il problema di questo circuito è che ha un bassissimo livello di sicurezza, prevede 36 combinazioni, quindi volendolo craccare ci si impiegano pochi secondi a provare tutte le combinazioni, per ottenere qualcosina di meglio bisognerebbe bloccare la digitazione dopo uno o qualche codice sbagliato e magari metterci un allarmino di tentata effrazione dopo un certo numero di errori di codice.
il ' 520 lavora negato e costa meno, il problema di questo circuito è che ha un bassissimo livello di sicurezza, prevede 36 combinazioni, quindi volendolo craccare ci si impiegano pochi secondi a provare tutte le combinazioni, per ottenere qualcosina di meglio bisognerebbe bloccare la digitazione dopo uno o qualche codice sbagliato e magari metterci un allarmino di tentata effrazione dopo un certo numero di errori di codice.
0
voti
Grazie, non riuscivo a trovarlo.
Io ho uno schema che forse e' piu' sicuro dal punto di vista del codice da inserire, ma richiede l'inserimento di sette cifre in successione e non mi pare sia quello che
tecnoimpel ( che, tra l'altro, non si e' piu' fatto vivo) ha richiesto.
Io ho uno schema che forse e' piu' sicuro dal punto di vista del codice da inserire, ma richiede l'inserimento di sette cifre in successione e non mi pare sia quello che
marco
0
voti
[10] Re: chiave elettrica
Si scusate ragazzi, ma ero troppo impegnato con il lavoro.
Ho visto con grande interesse l'ultima soluzione di Cox, e debbo dire che mi ha veramente colpito, tanto è vero che sono andato subito alla ricerca dei componenti. Veramente ottimo.
Ringrazio tutti coloro che si sono interessati, grazie veramente.
Ho visto con grande interesse l'ultima soluzione di Cox, e debbo dire che mi ha veramente colpito, tanto è vero che sono andato subito alla ricerca dei componenti. Veramente ottimo.
Ringrazio tutti coloro che si sono interessati, grazie veramente.

-

tecnoimpel
0 2 - Messaggi: 3
- Iscritto il: 5 dic 2009, 17:48
10 messaggi
• Pagina 1 di 1
Torna a Elettronica e spettacolo
Chi c’è in linea
Visitano il forum: Nessuno e 23 ospiti

Elettrotecnica e non solo (admin)
Un gatto tra gli elettroni (IsidoroKZ)
Esperienza e simulazioni (g.schgor)
Moleskine di un idraulico (RenzoDF)
Il Blog di ElectroYou (webmaster)
Idee microcontrollate (TardoFreak)
PICcoli grandi PICMicro (Paolino)
Il blog elettrico di carloc (carloc)
DirtEYblooog (dirtydeeds)
Di tutto... un po' (jordan20)
AK47 (lillo)
Esperienze elettroniche (marco438)
Telecomunicazioni musicali (clavicordo)
Automazione ed Elettronica (gustavo)
Direttive per la sicurezza (ErnestoCappelletti)
EYnfo dall'Alaska (mir)
Apriamo il quadro! (attilio)
H7-25 (asdf)
Passione Elettrica (massimob)
Elettroni a spasso (guidob)
Bloguerra (guerra)





