Cos'è ElectroYou | Login Iscriviti

ElectroYou - la comunità dei professionisti del mondo elettrico

Esercizi pre-esame ( trifase, adattamento, ecc...)

Circuiti, campi elettromagnetici e teoria delle linee di trasmissione e distribuzione dell’energia elettrica

Moderatori: Foto Utenteg.schgor, Foto UtenteIsidoroKZ

0
voti

[1] Esercizi pre-esame ( trifase, adattamento, ecc...)

Messaggioda Foto UtenteLoki88 » 14 feb 2012, 18:24

Salve a tutti, domani ho l'appello di elettrotecnica e non so come sono messo.
Vorrei chiedervi alcuni consigli e la cortesia di correggermi eventuali errori sugli esercizi, che vi posto di seguito.

Il primo è su una rete trifase, non sono sicuro della consegna, che è:



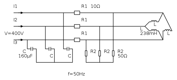
"Determinare il valore delle potenze attive e reattive del carico trifase in figura. [Sistema di alimentazione: terna simmetrica di tensioni] (i dati li ho scritti in figura)

Il mio dubbio è cosa si intenda con il sistema di alimentazione, è a stella o triangolo? Io l'ho assunto a stella e ho preso il valore efficace V come quello delle tensioni concatenate.
Altro dubbio è: le potenze del carico riguardano tutta la rete o semplicemente le induttanze terminali? Ho risolto l'esercizio pensando si riferisca all'intera rete.

Quindi ho considerato il circuito equivalente monofase, con un generatore di tensione sinusoidale avente per fasore: E_{1}=\frac{V}{\sqrt{3}} con fase nulla.

Quindi, per calcolare la corrente in ingresso, ho trasformato il triangolo di induttanze in una stella; la generica induttanza della stella è: \frac{L}{3}.
A questo punto la pulsazione: \omega = 2 \pi f = 314,16 \frac{rad}{s} in corrispondenza della quale si hanno le reattanze:
X_{L}= \omega \frac{L}{3} \approx 24.9 \Omega
X_{C}= \frac {}{\omega C} \approx 19.9 \Omega

Calcolo l'impedenza tra R_{2} e \frac{L}{3}:
Z_{1}=\frac{R_{2} j X_{L}}{R_{2}+jX_{L}} =10+j20 \Omega
poi quella equivalente:
Z_{eq}=\frac{-jX_{C} \left( R_{1}+Z_{1} \right)}{R_{1}+Z_{1}-jX_{C}} \approx 19.8-j20 \Omega
Quindi la corrente in ingresso:
I_{1} = \frac{E}{Z_{eq}} \approx 5.8+j5.8 A \approx 8.2 \cdot e^{j \pi / 4} A
Essendo il sistema simmetrico ed equilibrato:
P=3 E I cos \frac{\pi}{4}=\sqrt{3}VI \cos \frac{\pi}{4}\approx 4017 W
Q=3 E I sin\frac{\pi}{4}=\sqrt{3}VI \sin \frac{\pi}{4}\approx 4017 var

Un altro esercizio è il seguente:
Si richiede il valore di R_{2} che massimizzi la potenza assorbita da esso.


Io l'ho risolto cercando di verificare la condizione di adattamento.
Intanto so che: E = R_{1}I+2V_{2}+R_{2}I=R_{1}I+3R_{2}I
Quindi ho scritto la potenza su R2 come: P = 3R_{2} I^{2} = EI -R_{1}I^{2} dal quale ottengo che la potenza è massima per la corrente I = \frac{E}{2R_{1}} per cui la potenza risulta massima se 3R_{2} = R_{1} ovvero per R_{2}= \frac{1}{3} \Omega

Vi ringrazio per l'aiuto che mi darete. Se non vi dispiace poi aggiungo un esercizio con una linea di trasmissione. Grazie.
Avatar utente
Foto UtenteLoki88
25 1 2
 
Messaggi: 37
Iscritto il: 1 feb 2012, 10:52
Località: Teramo

0
voti

[2] Re: Esercizi pre-esame ( trifase, adattamento, ecc...)

Messaggioda mykismvc » 14 feb 2012, 18:39

Se posti l'esercizio con la linea di trasmissione potrei aiutarti su quello,visto che sto studiando questo argomento per l'esame di campi elettromagnetici :D
mykismvc
327 2 4 5
---
 

0
voti

[3] Re: Esercizi pre-esame ( trifase, adattamento, ecc...)

Messaggioda Foto UtenteLoki88 » 14 feb 2012, 18:56

Sto provando a risolverlo, ma non so bene come procedere al calcolo dell'impedenza vista in ingresso.
Ho calcolato il coefficiente di propagazione m e l'impedenza caratteristica, ma mi trovo di fronte delle tangenti iperboliche. Non so più se conviene procedere in questo modo o seguire altre vie. Hai qualche consiglio? Qui sotto riporto lo schema:

Avatar utente
Foto UtenteLoki88
25 1 2
 
Messaggi: 37
Iscritto il: 1 feb 2012, 10:52
Località: Teramo

0
voti

[4] Re: Esercizi pre-esame ( trifase, adattamento, ecc...)

Messaggioda mykismvc » 14 feb 2012, 19:05

Questo esercizio è un po' diverso da quelli che so fare io sulle linee di trasmissione senza perdite,(in riferimento all'esame di campi elettromagnetici ) :( ,gli esercizi che svolgo io hanno come scopo di passare da un circuito a parametri distribuiti come questo ad un circuito a parametri concentrati ed in quel caso io per tutta la parte sinistra del circuito avrei ricavato un circuito equivalente secondo Norton e fatto il parallelo tra l'impedenza di Norton e z2.
mykismvc
327 2 4 5
---
 

0
voti

[5] Re: Esercizi pre-esame ( trifase, adattamento, ecc...)

Messaggioda Foto UtenteLoki88 » 14 feb 2012, 19:10

Si, bhè, credo sia la stessa cosa che devo fare io, è quello il mio intendo, solo che non conoscendo la corrente in ingresso, non conosco la tensione totale in ingresso. Dovrei calcolare l'impedenza vista dai morsetti in ingresso e la corrente, per poi fare o thevenin e Norton. Il testo del problema vuole che si calcoli la potenza su Z_{3}
Avatar utente
Foto UtenteLoki88
25 1 2
 
Messaggi: 37
Iscritto il: 1 feb 2012, 10:52
Località: Teramo

0
voti

[6] Re: Esercizi pre-esame ( trifase, adattamento, ecc...)

Messaggioda mykismvc » 14 feb 2012, 19:25

Scusa ma non puoi trasportare la tensione ai capi di z2 attraverso la forma stazionaria per la tensione lungo una linea di trasmissione?
mykismvc
327 2 4 5
---
 

0
voti

[7] Re: Esercizi pre-esame ( trifase, adattamento, ecc...)

Messaggioda Foto UtenteLoki88 » 14 feb 2012, 19:30

Purtroppo non so cosa voglia dire quel che hai detto :(
Con le linee faccio pena...
Avatar utente
Foto UtenteLoki88
25 1 2
 
Messaggi: 37
Iscritto il: 1 feb 2012, 10:52
Località: Teramo

0
voti

[8] Re: Esercizi pre-esame ( trifase, adattamento, ecc...)

Messaggioda mykismvc » 14 feb 2012, 19:36

In questo esercizio quella che crea problemi è quella linea di trasmissione che in qualche modo deve sparire,io per le linee di trasmissioni senza perdite cosa faccio: Per la parte di circuito contenente generatore+resistenza generatore+linee di trasmissione applico un circuito equivalente di thevenin o Norton e così alla fine la linea di trasmissione non c'è più,adesso ti posto dei fogli dove ci sono le formule che utilizzo io.
Allegati
Thevenin_e_Norton.pdf
(44.08 KiB) Scaricato 272 volte
mykismvc
327 2 4 5
---
 

0
voti

[9] Re: Esercizi pre-esame ( trifase, adattamento, ecc...)

Messaggioda mykismvc » 14 feb 2012, 19:38

Se tu riuscissi ad applicare questo metodo,ovvero se questo metodo si potesse applicare anche al tuo caso,alla fine ti ritrovi con un circuito a parametri concentrati e quindi calcoli la potenza su z3
mykismvc
327 2 4 5
---
 

0
voti

[10] Re: Esercizi pre-esame ( trifase, adattamento, ecc...)

Messaggioda Foto UtenteRenzoDF » 14 feb 2012, 19:40

Per l'esercizio in trifase, pur non avendo controllato i conti, i tuoi passaggi sono corretti, e' chiaro che se non si sa cosa si intende per carico e' difficile rispondere; senza testo, completo di virgole, non si va da nessuna parte!

Per il secondo, avrei usato Thevenin, in quanto sia ETh che RTh si calcolavano senza "calcolo ferire";

\left\{ \begin{align}
  & 3V_{0}=10 \\ 
 & I_{cc}=\frac{10}{1} \\ 
\end{align} \right.

il tuo risultato e' comunque corretto.

BTW per i carichi a triangolo, non serve disegnare quelle opere d'arte elettriche, ;-)
... basta usare la normale configurazione usata nel "settore"

"Il circuito ha sempre ragione" (Luigi Malesani)
Avatar utente
Foto UtenteRenzoDF
55,9k 8 12 13
G.Master EY
G.Master EY
 
Messaggi: 13189
Iscritto il: 4 ott 2008, 9:55

Prossimo

Torna a Elettrotecnica generale

Chi c’è in linea

Visitano il forum: Nessuno e 34 ospiti