vorrei che mi risolviate il seguente esercizio con uno schema
con la pressione del pulsante SB1, si attiva la bobina K1. Premendo il pulsante SB2 si attiva K2 a condizione che K1 sia attivata. Il pulsante SB3 attiva lo stop del ciclo disattivando entrambe la bobina. dovremmo fare lo schema inserendo eventualmente altri componenti ad esempio per me ci vuole un autoritenuta e infine spiegare e fare la relazione mi aiuti!!! GRAZIE
esercizio di tdp m.a.t
Moderatori:
SandroCalligaro,
mario_maggi,
fpalone
22 messaggi
• Pagina 1 di 3 • 1, 2, 3
0
voti
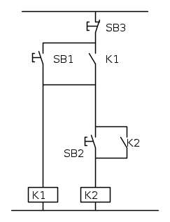
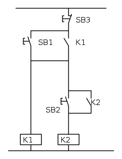
questo è lo schema però la prossima volta prova a disegnarne uno tu ok ? Io ti ho messo l'auto ritenuta di entrambi i contattori . Se c'è qualcosa che non ti è chiaro chiedi pure

Ultima modifica di
admin il 21 feb 2012, 16:24, modificato 1 volta in totale.
Motivazione: umanizzate le dimensioni dello schema funzionale
Motivazione: umanizzate le dimensioni dello schema funzionale
-

milan1996pato2
851 3 10 13 - Sostenitore

- Messaggi: 1062
- Iscritto il: 4 ago 2011, 17:42
0
voti
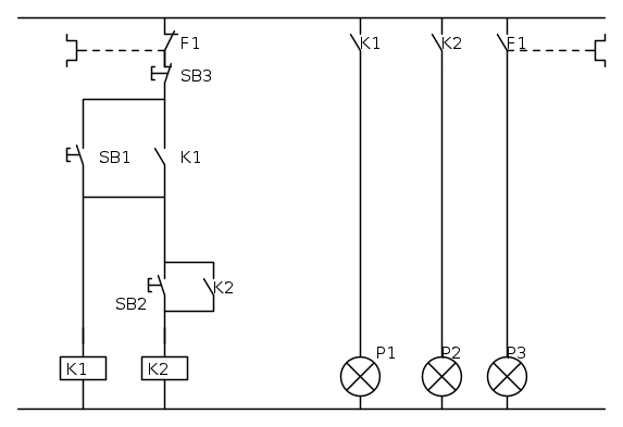
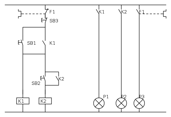
tu mi hai detto che vorresti anche fare una relazione ben fatta . Per la relazione con le lampade e il relè termico dovresti mettere questo schema nella tua relazione :
Mentre nella relazione spieghi come funziona il circuito : Premendo il pulsante SB1 si attiva il contattore K1 e premendo SB2 si può attivare K2 ( solo se è attivato K1 ) Per ritornare alla situazione iniziale si deve premere il pulsante SB3 . In caso di sovraccarico interviene il relè termico che toglie alimentazione al circuito di comando ...... poi provi tu a scrivermi un'idea della tua relazione ok ?

Mentre nella relazione spieghi come funziona il circuito : Premendo il pulsante SB1 si attiva il contattore K1 e premendo SB2 si può attivare K2 ( solo se è attivato K1 ) Per ritornare alla situazione iniziale si deve premere il pulsante SB3 . In caso di sovraccarico interviene il relè termico che toglie alimentazione al circuito di comando ...... poi provi tu a scrivermi un'idea della tua relazione ok ?

Ultima modifica di
admin il 21 feb 2012, 16:14, modificato 1 volta in totale.
Motivazione: accorciato lo schema funzionale
Motivazione: accorciato lo schema funzionale
-

milan1996pato2
851 3 10 13 - Sostenitore

- Messaggi: 1062
- Iscritto il: 4 ago 2011, 17:42
0
voti
credo e per fortuna dobbiamo fare solo i disegni con la sola spiegazione..grazie e appena faremmo altre prove mi faccio aiutare da te 

0
voti
fidati c'è gente che ne sa meglio di me comunque mi fa piacere 

-

milan1996pato2
851 3 10 13 - Sostenitore

- Messaggi: 1062
- Iscritto il: 4 ago 2011, 17:42
0
voti
vinco1991 ha scritto:[..].grazie e appena faremmo altre prove mi faccio aiutare da te
chiedi allora a
22 messaggi
• Pagina 1 di 3 • 1, 2, 3
Chi c’è in linea
Visitano il forum: Nessuno e 26 ospiti

Elettrotecnica e non solo (admin)
Un gatto tra gli elettroni (IsidoroKZ)
Esperienza e simulazioni (g.schgor)
Moleskine di un idraulico (RenzoDF)
Il Blog di ElectroYou (webmaster)
Idee microcontrollate (TardoFreak)
PICcoli grandi PICMicro (Paolino)
Il blog elettrico di carloc (carloc)
DirtEYblooog (dirtydeeds)
Di tutto... un po' (jordan20)
AK47 (lillo)
Esperienze elettroniche (marco438)
Telecomunicazioni musicali (clavicordo)
Automazione ed Elettronica (gustavo)
Direttive per la sicurezza (ErnestoCappelletti)
EYnfo dall'Alaska (mir)
Apriamo il quadro! (attilio)
H7-25 (asdf)
Passione Elettrica (massimob)
Elettroni a spasso (guidob)
Bloguerra (guerra)





