Sensore battimani
40 messaggi
• Pagina 1 di 4 • 1, 2, 3, 4
0
voti
Salve, so che l'argomento è stato più volte ribattuto, ma vorrei chiederVi se potreste cortesemente postare uno schema di circuito battimani, dovrei implementarlo in una lampada che funziona a 12Volt e dove ho utilizzato moduli led per l'illuminazione. Ve ne sarei molto grato poiché su internet ho trovato diversi schemi differenti gli uni dagli altri. Ho anche notato che il lasso di tempo nel quale il circuito resta chiuso varia e a me servirebbe che si chiudesse e si riaprisse solo con il dovuto segnale acustico. Rimettendomi alla vostra saggezza Vi ringrazio anticipatamente per le eventuali collaborazioni :)
2
voti
Ecco uno schema,
(Puoi utilizzare le tua lampada a LED al posto del relè)
E' però chiaro che questo è sensibile a qualsiasi suono
che superi un dato livello di intensità (quindi non
discrimina il battito delle mani rispetto ad altri "rumori")
(Puoi utilizzare le tua lampada a LED al posto del relè)
E' però chiaro che questo è sensibile a qualsiasi suono
che superi un dato livello di intensità (quindi non
discrimina il battito delle mani rispetto ad altri "rumori")
0
voti
Capisco e nel caso in cui volessi ottenere una maggiore precisione? Per esempio, se volessi far azionare il dispositivo con due battiti di seguito, come dovrei fare? Non pretendo una precisione estrema, ma tanto quanto le luci non si accendano ad ogni rumore di qualsiasi natura.
1
voti
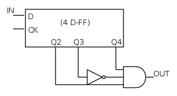
Un semplice riconoscimento della sequenza indicate
è ottenibile inviando il segnale proveniente dal rilevatore
di rumore ad uno shift-register (con adatto generatore di clock).
In principio così:
Se la sequenza è verificata, si ha un segnale di uscita in OUT-
è ottenibile inviando il segnale proveniente dal rilevatore
di rumore ad uno shift-register (con adatto generatore di clock).
In principio così:
Se la sequenza è verificata, si ha un segnale di uscita in OUT-
0
voti
Infatti, per rilevare la sequenza impulso,pausa, impulso
è possibile utilizzare il circuito indicato.
Se il suono segue questa sequenza nei tempo stabiliti,
si ha il comando.
è possibile utilizzare il circuito indicato.
Se il suono segue questa sequenza nei tempo stabiliti,
si ha il comando.
0
voti
Per accedere e anche spegnere una lampada con
un unico comando, occorre aggiungere un elemento
bistabile (un relè a passo oppure un FlipFlop), cioè
che cambi di stato, rimanendovi sino al comando
successivo.
un unico comando, occorre aggiungere un elemento
bistabile (un relè a passo oppure un FlipFlop), cioè
che cambi di stato, rimanendovi sino al comando
successivo.
40 messaggi
• Pagina 1 di 4 • 1, 2, 3, 4
Chi c’è in linea
Visitano il forum: Nessuno e 4 ospiti

Elettrotecnica e non solo (admin)
Un gatto tra gli elettroni (IsidoroKZ)
Esperienza e simulazioni (g.schgor)
Moleskine di un idraulico (RenzoDF)
Il Blog di ElectroYou (webmaster)
Idee microcontrollate (TardoFreak)
PICcoli grandi PICMicro (Paolino)
Il blog elettrico di carloc (carloc)
DirtEYblooog (dirtydeeds)
Di tutto... un po' (jordan20)
AK47 (lillo)
Esperienze elettroniche (marco438)
Telecomunicazioni musicali (clavicordo)
Automazione ed Elettronica (gustavo)
Direttive per la sicurezza (ErnestoCappelletti)
EYnfo dall'Alaska (mir)
Apriamo il quadro! (attilio)
H7-25 (asdf)
Passione Elettrica (massimob)
Elettroni a spasso (guidob)
Bloguerra (guerra)



