Qualcuno sa dirmi perché il mio oscillatore NON oscilla! azz Nel punto 1 la tensione rimane costantemente a un valore fisso nonostante io introduca un impulso per spostare il mio oscillatore dala posizione di equilibrio GRAZIE
Oscillatore a sfasamento
Moderatori:
carloc,
g.schgor,
BrunoValente,
IsidoroKZ
0
voti
Due note utili a ricevere risposte:
Evita di postare due thread sullo stesso argomento.
Disegna gli schemi usando FidoCadJ.
P.S. L'altro thread lo chiudo.
Evita di postare due thread sullo stesso argomento.
Disegna gli schemi usando FidoCadJ.
P.S. L'altro thread lo chiudo.
marco
3
voti
Aggiungo una terza nota: sarebbe utile riportare (in LaTeX!) i conti fatti per il dimensionamento dei componenti.
It's a sin to write
instead of
(Anonimo).
...'cos you know that
ain't
, right?
You won't get a sexy tan if you write
in lieu of
.
Take a log for a fireplace, but don't take
for
arithm.
instead of
(Anonimo)....'cos you know that
ain't
, right?You won't get a sexy tan if you write
in lieu of
.Take a log for a fireplace, but don't take
for
arithm.-

DirtyDeeds
55,9k 7 11 13 - G.Master EY

- Messaggi: 7012
- Iscritto il: 13 apr 2010, 16:13
- Località: Somewhere in nowhere
0
voti
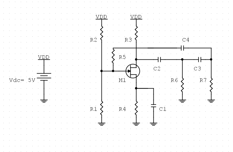
Inanzitutto grazie per la vostra risposta. Come da voi richiesto ho rifatto il circuito in FidoCadj e ho inserito i valori che ho messo sulla mia simulazione pspice. Vorrei che il mio socillatore oscillasse appunto a 100khz(cosa che attualmente non mi fa) dissippando 2mW di potenza cosa che mi porta. Ho rispettato condizioni di oscillazione e parametri ma non riesco sapete darmi indicazione voi? e . . . . dimenticavo scusate per i due thread ma l'altro l'avevo aperto tanto tempo fa da nn ricordarlo
Valori
R1=750 Ohm C1=50n V1=5V
R2=500 Ohm C2=1.161n
R3=16.240 kohm C3=1.161n
R4=374.825 kohm C4=1.161n
R5=260 Ohm
R6= 560 Ohm
R7= 560 Ohm
Valori
R1=750 Ohm C1=50n V1=5V
R2=500 Ohm C2=1.161n
R3=16.240 kohm C3=1.161n
R4=374.825 kohm C4=1.161n
R5=260 Ohm
R6= 560 Ohm
R7= 560 Ohm
Ultima modifica di
admin il 10 apr 2012, 16:18, modificato 1 volta in totale.
Motivazione: Inserita l'immagine in linea con il testo per evitare lo sconfinamento a destra
Motivazione: Inserita l'immagine in linea con il testo per evitare lo sconfinamento a destra
0
voti
Azz ho dimenticato valori capacità impostate :
C1=50uf
C2=1.161uF
C3=1.161uF
C4=1.161uF
V1=5V
Scusate per lo spam, Grazie
C1=50uf
C2=1.161uF
C3=1.161uF
C4=1.161uF
V1=5V
Scusate per lo spam, Grazie
2
voti
Disegnare il circuito in FidoCadj e poi postarlo come immagine, non serve.
Il file deve essere selezionato, copiato con Ctrl+C ed inserito tra i tag fcd con Ctrl+V.
Solo cosi' sara' possibile interagire con lo schema ed apportare modifiche direttamente senza doverlo ridisegnare.
Per questo ti e' stato chiesto di farlo.
Il file deve essere selezionato, copiato con Ctrl+C ed inserito tra i tag fcd con Ctrl+V.
Solo cosi' sara' possibile interagire con lo schema ed apportare modifiche direttamente senza doverlo ridisegnare.
Per questo ti e' stato chiesto di farlo.
marco
1
voti
0
voti
Qualcuno ha un idea buona da suggerirmi? Grazie si accettano consigli
0
voti
guarda, non so se i calcoli sono corretti, o se vi siano errori nel circuito, ti posso dire che anche a me nella simulazione in pspice non partiva l'oscillazione nonostante fosse tutto "corretto" e anche imponendo la condizione inizile su un condensatore non andava nulla.
Più che inserire un impulso imponi una condizione iniziale su un condensatore, se hai il manuale di pspice li trovi tutto (UIC Use initial condition).
Anche se a me in questo modo non andava, ho utilizzato un altro comando nell'analisi a transitorio (di cui ora non ricordo il nome, non sono dal mio PC)
http://www.elettronica.unige.it/CdS/Dati/Relazioni%20Finali/RF2542421.PDF
a pagina 7
Skip Initial Transient Solution, prova a spuntare questa voce nelle opzioni dell'analisi a transitorio
Più che inserire un impulso imponi una condizione iniziale su un condensatore, se hai il manuale di pspice li trovi tutto (UIC Use initial condition).
Anche se a me in questo modo non andava, ho utilizzato un altro comando nell'analisi a transitorio (di cui ora non ricordo il nome, non sono dal mio PC)
http://www.elettronica.unige.it/CdS/Dati/Relazioni%20Finali/RF2542421.PDF
a pagina 7
Skip Initial Transient Solution, prova a spuntare questa voce nelle opzioni dell'analisi a transitorio
-

darkweader
61 2 7 - Frequentatore

- Messaggi: 271
- Iscritto il: 8 mag 2011, 17:32
0
voti
Skip Initial Transient Solution, prova a spuntare questa voce nelle opzioni dell'analisi a transitorio
Provato ma nulla non oscilla per dinci!! Ho pure aumentato guadagno anello lavorando e aumentando la R3 ma nulla ugualmente. Non so proprio che fare . . .
aspetto nuovi suggerimenti
Provato ma nulla non oscilla per dinci!! Ho pure aumentato guadagno anello lavorando e aumentando la R3 ma nulla ugualmente. Non so proprio che fare . . .
Chi c’è in linea
Visitano il forum: Nessuno e 33 ospiti

Elettrotecnica e non solo (admin)
Un gatto tra gli elettroni (IsidoroKZ)
Esperienza e simulazioni (g.schgor)
Moleskine di un idraulico (RenzoDF)
Il Blog di ElectroYou (webmaster)
Idee microcontrollate (TardoFreak)
PICcoli grandi PICMicro (Paolino)
Il blog elettrico di carloc (carloc)
DirtEYblooog (dirtydeeds)
Di tutto... un po' (jordan20)
AK47 (lillo)
Esperienze elettroniche (marco438)
Telecomunicazioni musicali (clavicordo)
Automazione ed Elettronica (gustavo)
Direttive per la sicurezza (ErnestoCappelletti)
EYnfo dall'Alaska (mir)
Apriamo il quadro! (attilio)
H7-25 (asdf)
Passione Elettrica (massimob)
Elettroni a spasso (guidob)
Bloguerra (guerra)

