Ciao a tutti.
Mi servirebbe una mano per fare un semplice contatore decimale.
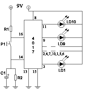
Sto seguendo l' esempio che allego ma non riesco a cavarci nulla di buono.
C'è da correggere qualcosa? o sono io incapace a fare i collegamenti?
Questa la componentistica:
R1 = 220 Ohm
R2 = 550 Ohm
C1 = 2,2 uF 100V
LD1-10 = Led
U1 = CD4017B
P1 = pulsante N.A
Grazie
Semplice contatore 4017
Moderatori:
carloc,
g.schgor,
BrunoValente,
IsidoroKZ
23 messaggi
• Pagina 1 di 3 • 1, 2, 3
1
voti
Uno schema di quel tipo non e` facilmente leggibile, perche' bisogna andare a prendere il datasheet dell'integrato per vedere la funzione di ogni piedino.
Mettere i valori dei componenti lontani dai componenti stessi e` poi un'altra scomodita`.
Inoltre non e` neanche modificabile facilmente, ad esempio vorrei spostare una resistenza, perche' e` una immagine, mentre qui sul forum si usa fidocad che permette la modifica.
Come prima modifica sposterei R1 sul filo di ritorno dei catodi verso il negativo. Prova a farlo e vediamo che cosa capita. Cosi` com'e` disegnato mi sembra che non possa proprio funzionare: da dove arriva quello schema?
Mettere i valori dei componenti lontani dai componenti stessi e` poi un'altra scomodita`.
Inoltre non e` neanche modificabile facilmente, ad esempio vorrei spostare una resistenza, perche' e` una immagine, mentre qui sul forum si usa fidocad che permette la modifica.
Come prima modifica sposterei R1 sul filo di ritorno dei catodi verso il negativo. Prova a farlo e vediamo che cosa capita. Cosi` com'e` disegnato mi sembra che non possa proprio funzionare: da dove arriva quello schema?
Per usare proficuamente un simulatore, bisogna sapere molta più elettronica di lui
Plug it in - it works better!
Il 555 sta all'elettronica come Arduino all'informatica! (entrambi loro malgrado)
Se volete risposte rispondete a tutte le mie domande
Plug it in - it works better!
Il 555 sta all'elettronica come Arduino all'informatica! (entrambi loro malgrado)
Se volete risposte rispondete a tutte le mie domande
-1
voti
L'ho preso in giro per la rete.
Ora non ho il sito sotto mano e non lo ritrovo.
In ogni caso grazie per la risposta
Ora non ho il sito sotto mano e non lo ritrovo.
In ogni caso grazie per la risposta
0
voti
gia a colpo d'occhio mi pare che manchi qualcosa.......i led collegati direttamente all'uscita di un C-mos senza resistenza di caduta è da kamikaze! metti un 470ohm in serie ad ogni led.
il piedino N°16 è il positivo di alimentazione, deve essere collegato al +V, (non è che abbiano usato questo strano collegamento per evitare di bruciare le uscite dei led?), comunque così non va bene.
fatto questo dovrebbe andare, sempre che non sia gia saltato.
il piedino N°16 è il positivo di alimentazione, deve essere collegato al +V, (non è che abbiano usato questo strano collegamento per evitare di bruciare le uscite dei led?), comunque così non va bene.
fatto questo dovrebbe andare, sempre che non sia gia saltato.
-

lelerelele
4.899 3 7 9 - Master

- Messaggi: 5505
- Iscritto il: 8 giu 2011, 8:57
- Località: Reggio Emilia
0
voti
lelerelele ha scritto:(non è che abbiano usato questo strano collegamento per evitare di bruciare le uscite dei led?)
Si`, proprio cosi`. La resistenza di limitazione e` messa sul positivo, pero` cosi` facendo riduce la tensione di alimentazione dell'integrato (e` un guaio ma neanche il maggiore). La cosa divertente e` che il pulsante di clock collega l'alimentazione a un condensatore scarico e in pratica fa un buco nell'alimentazione.
Per usare proficuamente un simulatore, bisogna sapere molta più elettronica di lui
Plug it in - it works better!
Il 555 sta all'elettronica come Arduino all'informatica! (entrambi loro malgrado)
Se volete risposte rispondete a tutte le mie domande
Plug it in - it works better!
Il 555 sta all'elettronica come Arduino all'informatica! (entrambi loro malgrado)
Se volete risposte rispondete a tutte le mie domande
0
voti
Ho provato a seguire i vostri consigli ed ho dato un'occhiata anche a questo link:
http://www.electroyou.it/phpBB2/viewtopic.php?f=1&t=33561&hilit=4017&start=20#p286477
Ma purtroppo nulla da fare.
Una cosa strana ho notato, che il pin 3 è sempre alimentato però se porto il reset sul + non si spegne(come se non resettasse nulla).
Grazie per gli aiuti, peò fatemi dire che dare un punteggio negativo a chi non ha scritto neanche 30 messaggi vuol dire che non state parlando col guru del forum ed è normale dire cavolate o prendere spunti da siti che non sono affidabili.
http://www.electroyou.it/phpBB2/viewtopic.php?f=1&t=33561&hilit=4017&start=20#p286477
Ma purtroppo nulla da fare.
Una cosa strana ho notato, che il pin 3 è sempre alimentato però se porto il reset sul + non si spegne(come se non resettasse nulla).
Grazie per gli aiuti, peò fatemi dire che dare un punteggio negativo a chi non ha scritto neanche 30 messaggi vuol dire che non state parlando col guru del forum ed è normale dire cavolate o prendere spunti da siti che non sono affidabili.
0
voti
Le resistenze mancano perché chi ha disegnato lo schema ha preferito usarne una sola, come già detto.
Un'altra cosa orribile è la rete R2 e C1 sul clock.
Vedi anche questo thread.
Un'altra cosa orribile è la rete R2 e C1 sul clock.
Vedi anche questo thread.
0
voti
Per la rete R2C1 sul clock (che montata così com'è assieme ad R1 sta bene come una birra di lattina, calda ad agosto in spiaggia) ci sarebbe da dire che, se l'integrato ha lo Schitt trigger interno come si può vedere allo schema di questo (il primo della lista), OK, ci può stare, ma secondo questo non sembra e quindi a prima vista mi viene da dire che io non mettereri nessun condensatore ne resistenza senza prima un trigger.. Ma c'è anche da chiedersi perché in un datasheet vecchio c'è, ed in uno più recente no? La risposta sarà ancora una volta (?)
In ogni caso il gruppetto R1 R2 C2 è proprio brutto..
Allora montalo.. Però dici che non funziona..
TardoFreak ha scritto:Nel data sheet si trova tutto. Anche gli errori.
In ogni caso il gruppetto R1 R2 C2 è proprio brutto..
erpomata ha scritto:dice che funziona
Allora montalo.. Però dici che non funziona..
0
voti
Ho smontato tutto e rimontato.
Nulla.
Il pin 3 rimane acceso(appena messa l'alimentazione) e non cicla.
Ho tolto sia R2 che il condensatore C1 come indicato nell'altro thread.
Ho messo una risistenza da 470 ohm(come si fa il simbolo?) sul pin 16(alimentazione) sia sull'output che va al led.
Nulla.
Il pin 3 rimane acceso(appena messa l'alimentazione) e non cicla.
Ho tolto sia R2 che il condensatore C1 come indicato nell'altro thread.
Ho messo una risistenza da 470 ohm(come si fa il simbolo?) sul pin 16(alimentazione) sia sull'output che va al led.
23 messaggi
• Pagina 1 di 3 • 1, 2, 3
Chi c’è in linea
Visitano il forum: Nessuno e 68 ospiti

Elettrotecnica e non solo (admin)
Un gatto tra gli elettroni (IsidoroKZ)
Esperienza e simulazioni (g.schgor)
Moleskine di un idraulico (RenzoDF)
Il Blog di ElectroYou (webmaster)
Idee microcontrollate (TardoFreak)
PICcoli grandi PICMicro (Paolino)
Il blog elettrico di carloc (carloc)
DirtEYblooog (dirtydeeds)
Di tutto... un po' (jordan20)
AK47 (lillo)
Esperienze elettroniche (marco438)
Telecomunicazioni musicali (clavicordo)
Automazione ed Elettronica (gustavo)
Direttive per la sicurezza (ErnestoCappelletti)
EYnfo dall'Alaska (mir)
Apriamo il quadro! (attilio)
H7-25 (asdf)
Passione Elettrica (massimob)
Elettroni a spasso (guidob)
Bloguerra (guerra)



