
Scritta led lampeggiante
Moderatori:
carloc,
g.schgor,
BrunoValente,
IsidoroKZ
0
voti
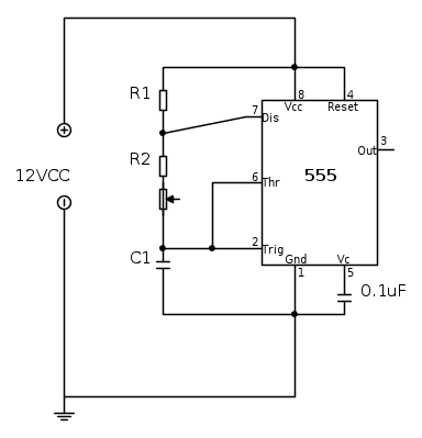
Salve a tutti, sto cercando di realizzare un piccolo circuitino: una scritta a led che lampeggi tutta, devo ancora decidere con che duty. Il problema sorge però al momento in cui ho dovuto collegare l'uscita del ne555 che ho intenzione di usare con i led. per esempio se la mia scritta fosse "CIAO" , ho fatto 4 calcoli che sarebbero 44 led. Il problema è come collegarli perche come ho letto in alcuni tread simili al mio, il problema è la corrente che l'n555 emette è max 200mA. Quindi si potrebbero usare dei transistor BJT ma non saprei come effettuare i collegamenti, riuscireste ad aiutarmi? grazie mille vi allego lo schema che ho disegnato fin ora con FCD :


-

RedEvil1991
14 5 - Frequentatore

- Messaggi: 104
- Iscritto il: 6 feb 2012, 21:10
2
voti
Ciao e benvenuto.
Se disegni lo schema in fidocadJ e poi lo posti come immagine, non rendi possibile agli altri di intervenire sullo stesso. Ti consiglio di leggere le istruzioni (help) per il giusto inserimento.
Per quanto attiene il tuo circuito, occorre conoscere l'esatto numero dei led da impiegare e le loro caratteristiche (tensione e corrente); serve anche sapere come verra' alimentato il tutto.
Solo con questi dati e' possibile configurare i componenti nel giusto modo.
Se disegni lo schema in fidocadJ e poi lo posti come immagine, non rendi possibile agli altri di intervenire sullo stesso. Ti consiglio di leggere le istruzioni (help) per il giusto inserimento.
Per quanto attiene il tuo circuito, occorre conoscere l'esatto numero dei led da impiegare e le loro caratteristiche (tensione e corrente); serve anche sapere come verra' alimentato il tutto.
Solo con questi dati e' possibile configurare i componenti nel giusto modo.
marco
1
voti
Ti ringrazio e mi scuso per non aver letto prima come postare i progetti fido :
Mi sono scordato delle due cose principali hai pienamente ragione , l'alimentazione non per batteria ma con alimentatore da 12v , mentre i led sono 44 di colore verde con tensione di 2V e 0,015 mA.
Mi sono scordato delle due cose principali hai pienamente ragione , l'alimentazione non per batteria ma con alimentatore da 12v , mentre i led sono 44 di colore verde con tensione di 2V e 0,015 mA.
Ultima modifica di
TardoFreak il 23 apr 2012, 22:44, modificato 1 volta in totale.
Motivazione: Eliminato quoting inutile
Motivazione: Eliminato quoting inutile
-

RedEvil1991
14 5 - Frequentatore

- Messaggi: 104
- Iscritto il: 6 feb 2012, 21:10
0
voti
Stando cosi' le cose, farei 9 stringhe di 5 led in serie messe tra loro in parallelo. (naturalmente una sara' di 4 led)
Ho visto pero' che nello schema non hai messo i valori dei componenti ne hai detto quale dovra' essere la frequenza di lampeggio.
Se configurati cosi', i led potrebbero anche essere pilotati direttamente dal 555 (ma sarebbe al limite) quindi inserirei un transistor.
Ho visto pero' che nello schema non hai messo i valori dei componenti ne hai detto quale dovra' essere la frequenza di lampeggio.
Se configurati cosi', i led potrebbero anche essere pilotati direttamente dal 555 (ma sarebbe al limite) quindi inserirei un transistor.
marco
0
voti
Si non ho inserito i valori perché devo ancora decidere che duty cicle utilizzare e periodi di TOFF e TON.
Quindi basterebbe inserire solamente un transistor all'uscita del piedino 3?
Riusciresti gentilmente a farmi vedere come collegheresti i led tramite FCD?
Grazie mille
Quindi basterebbe inserire solamente un transistor all'uscita del piedino 3?
Riusciresti gentilmente a farmi vedere come collegheresti i led tramite FCD?
Grazie mille
Ultima modifica di
TardoFreak il 23 apr 2012, 22:44, modificato 1 volta in totale.
Motivazione: Eliminato quoting inutile
Motivazione: Eliminato quoting inutile
-

RedEvil1991
14 5 - Frequentatore

- Messaggi: 104
- Iscritto il: 6 feb 2012, 21:10
0
voti
Va bene Grazie ancora.
Ultima modifica di
TardoFreak il 23 apr 2012, 22:45, modificato 1 volta in totale.
Motivazione: Eliminato quoting inutile
Motivazione: Eliminato quoting inutile
-

RedEvil1991
14 5 - Frequentatore

- Messaggi: 104
- Iscritto il: 6 feb 2012, 21:10
0
voti
"La follia sta nel fare sempre la stessa cosa aspettandosi risultati diversi".
"Parla soltanto quando sei sicuro che quello che dirai è più bello del silenzio".
Rispondere è cortesia, ma lasciare l'ultima parola ai cretini è arte.
"Parla soltanto quando sei sicuro che quello che dirai è più bello del silenzio".
Rispondere è cortesia, ma lasciare l'ultima parola ai cretini è arte.
-

TardoFreak
73,9k 8 12 13 - -EY Legend-

- Messaggi: 15754
- Iscritto il: 16 dic 2009, 11:10
- Località: Torino - 3° pianeta del Sistema Solare
0
voti
Su questo forum non e' gradito sollecitare le risposte; ti avevo promesso uno schema e te lo postero' non appena avro' il tempo di farlo.
Se poi hai troppa urgenza, puoi sempre rivolgerti altrove.
Se poi hai troppa urgenza, puoi sempre rivolgerti altrove.
marco
Chi c’è in linea
Visitano il forum: Nessuno e 59 ospiti

Elettrotecnica e non solo (admin)
Un gatto tra gli elettroni (IsidoroKZ)
Esperienza e simulazioni (g.schgor)
Moleskine di un idraulico (RenzoDF)
Il Blog di ElectroYou (webmaster)
Idee microcontrollate (TardoFreak)
PICcoli grandi PICMicro (Paolino)
Il blog elettrico di carloc (carloc)
DirtEYblooog (dirtydeeds)
Di tutto... un po' (jordan20)
AK47 (lillo)
Esperienze elettroniche (marco438)
Telecomunicazioni musicali (clavicordo)
Automazione ed Elettronica (gustavo)
Direttive per la sicurezza (ErnestoCappelletti)
EYnfo dall'Alaska (mir)
Apriamo il quadro! (attilio)
H7-25 (asdf)
Passione Elettrica (massimob)
Elettroni a spasso (guidob)
Bloguerra (guerra)
