Salve, sto facendo degli esercizi sugli amplificatori multi stadio nei quali sono stati inseriti anche dei diodi.
Quando calcolo il guadagno di tensione suppongo che il generato di segnale sinusoidale emetta PICCOLI segnali. In questo modo è possibile linearizzare il comportamento dei transistori.
E il diodo? Come si comporta?
Diodo per piccoli segnali
Moderatori:
carloc,
g.schgor,
BrunoValente,
IsidoroKZ
9 messaggi
• Pagina 1 di 1
0
voti
Il diodo, linearizzato nell'intorno del punto di lavoro, diventa una resistenza di valore


-

marioursino
5.687 3 9 13 - G.Master EY

- Messaggi: 1598
- Iscritto il: 5 dic 2009, 4:32
0
voti
non so se ho capito la domanda, ti rispondo in merito a quanto ho capito.
parto dall'idea che ti riferisci ad amplificatori audio.
per la curva caratteristica dei diodi penso non ci sia nulla da dire....http://it.wikipedia.org/wiki/Diodo
per l'uso negli amplificatori, direi quasi sicuramente che non sono usati per linearizzare la risposta, visto che essi stessi sono fortementi non lineari,
il loro uso è legato alle loro caratteristiche di tensione ginocchio e lo spostamento della stessa di 2.2mV per grado centigrado, se non erro.
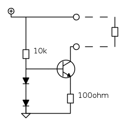
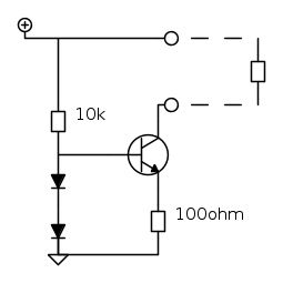
in particolare la curva nel ginocchio viene usata per creare una tensione intorno ad i 0.5/0.6V che è ovviamente molto stabile rispetto alla tensione di alimentazione ed è usato per ottenere generatori di corrente costante, tipo questo.
oppure sono usati per lo spostamento delle caratteristiche con il variare della temperatura, fissati sul dissipatore principale, dove sono dissipati i transistor finali di potenza, vanno a ridurre la loro tensione con l'aumentare della temperatura, e compensano le cadute di base dei finali che allo stesso modo andrebbero a condurre maggiormente proprio con il loro aumento di temperatura.
altro uso che posso prevedere è la protezione da cortocircuiti in uscita, ed in questo caso non importa la linearità del sistema ma solamente la limitazione di corrente.
spero di non avere dimenticato niente.
il diodo tunnel è usato per piccoli segnali, al disotto dela zona di conduzione del diodo normale, ma non so per cosa possa essere usato negli amplificatori.
parto dall'idea che ti riferisci ad amplificatori audio.
per la curva caratteristica dei diodi penso non ci sia nulla da dire....http://it.wikipedia.org/wiki/Diodo
per l'uso negli amplificatori, direi quasi sicuramente che non sono usati per linearizzare la risposta, visto che essi stessi sono fortementi non lineari,
il loro uso è legato alle loro caratteristiche di tensione ginocchio e lo spostamento della stessa di 2.2mV per grado centigrado, se non erro.
in particolare la curva nel ginocchio viene usata per creare una tensione intorno ad i 0.5/0.6V che è ovviamente molto stabile rispetto alla tensione di alimentazione ed è usato per ottenere generatori di corrente costante, tipo questo.
oppure sono usati per lo spostamento delle caratteristiche con il variare della temperatura, fissati sul dissipatore principale, dove sono dissipati i transistor finali di potenza, vanno a ridurre la loro tensione con l'aumentare della temperatura, e compensano le cadute di base dei finali che allo stesso modo andrebbero a condurre maggiormente proprio con il loro aumento di temperatura.
altro uso che posso prevedere è la protezione da cortocircuiti in uscita, ed in questo caso non importa la linearità del sistema ma solamente la limitazione di corrente.
spero di non avere dimenticato niente.

il diodo tunnel è usato per piccoli segnali, al disotto dela zona di conduzione del diodo normale, ma non so per cosa possa essere usato negli amplificatori.
-

lelerelele
4.899 3 7 9 - Master

- Messaggi: 5505
- Iscritto il: 8 giu 2011, 8:57
- Località: Reggio Emilia
0
voti
Per quanto ho capito la domanda era sul modello a piccoli segnali del diodo più che sull'utilizzo dei diodi negli amplificatori. Non so chi abbia frainteso.
-

marioursino
5.687 3 9 13 - G.Master EY

- Messaggi: 1598
- Iscritto il: 5 dic 2009, 4:32
0
voti
Per lelerelele : credo che abbia ragione marioursino anche se le tue risposte sono in linea di massima giuste,però mi pare che il famoso "ginocchio" nella caratteristica del diodo sia...una mera illusione ottica ! (e mi chiedo a questo punto se qualche superesperto del forum fustigherà te o me
) 

"Non farei mai parte di un club che accettasse la mia iscrizione" (G. Marx)
-

claudiocedrone
21,3k 4 7 9 - Master EY

- Messaggi: 15302
- Iscritto il: 18 gen 2012, 13:36
3
voti
I diodi discreti hanno un modello differenziale dato da una resistenza di valore
Il fattore eta e` dovuto al fatto che il diodo e` "lungo" e vale circa 2 (o un pochetto di meno). Se invece il diodo e` integrato, fatto con un transistor con B e C collegati insieme, come negli integrati, allora
.
Il fattore eta e` dovuto al fatto che il diodo e` "lungo" e vale circa 2 (o un pochetto di meno). Se invece il diodo e` integrato, fatto con un transistor con B e C collegati insieme, come negli integrati, allora
.Per usare proficuamente un simulatore, bisogna sapere molta più elettronica di lui
Plug it in - it works better!
Il 555 sta all'elettronica come Arduino all'informatica! (entrambi loro malgrado)
Se volete risposte rispondete a tutte le mie domande
Plug it in - it works better!
Il 555 sta all'elettronica come Arduino all'informatica! (entrambi loro malgrado)
Se volete risposte rispondete a tutte le mie domande
0
voti
Si infatti non volevo sapere perche si usano ma solamente cosa diventano in un intorno. Quindi diventano delle resistenze. Il mio professore però ha approssimato i diodi a dei corti dato che essi si trovano in conduzione.
Quindi per diodo in polarizzazione ON studio l'amplificazione con un diodo approssimato come corto. Se questo fosse OF sarebbe un aperto.
So che commetto un errore molto piu grande, ma ciò mi semplifica di parecchio il circuito.
È lecito fare questa approssimazione?
Quindi per diodo in polarizzazione ON studio l'amplificazione con un diodo approssimato come corto. Se questo fosse OF sarebbe un aperto.
So che commetto un errore molto piu grande, ma ciò mi semplifica di parecchio il circuito.
È lecito fare questa approssimazione?
-

tidusquall17
8 4 - Frequentatore

- Messaggi: 112
- Iscritto il: 3 feb 2011, 20:19
0
voti
E` lecito se accetti gli errori che risultano, e che dipendono dai livelli di impedenza del diodo rispetto alle impedenze che ci sono intorno.
Per usare proficuamente un simulatore, bisogna sapere molta più elettronica di lui
Plug it in - it works better!
Il 555 sta all'elettronica come Arduino all'informatica! (entrambi loro malgrado)
Se volete risposte rispondete a tutte le mie domande
Plug it in - it works better!
Il 555 sta all'elettronica come Arduino all'informatica! (entrambi loro malgrado)
Se volete risposte rispondete a tutte le mie domande
0
voti
IsidoroKZ ha scritto:E` lecito se accetti gli errori che risultano, e che dipendono dai livelli di impedenza del diodo rispetto alle impedenze che ci sono intorno.
Beh io accetto di tutto ahahah
-

tidusquall17
8 4 - Frequentatore

- Messaggi: 112
- Iscritto il: 3 feb 2011, 20:19
9 messaggi
• Pagina 1 di 1
Chi c’è in linea
Visitano il forum: Nessuno e 71 ospiti

Elettrotecnica e non solo (admin)
Un gatto tra gli elettroni (IsidoroKZ)
Esperienza e simulazioni (g.schgor)
Moleskine di un idraulico (RenzoDF)
Il Blog di ElectroYou (webmaster)
Idee microcontrollate (TardoFreak)
PICcoli grandi PICMicro (Paolino)
Il blog elettrico di carloc (carloc)
DirtEYblooog (dirtydeeds)
Di tutto... un po' (jordan20)
AK47 (lillo)
Esperienze elettroniche (marco438)
Telecomunicazioni musicali (clavicordo)
Automazione ed Elettronica (gustavo)
Direttive per la sicurezza (ErnestoCappelletti)
EYnfo dall'Alaska (mir)
Apriamo il quadro! (attilio)
H7-25 (asdf)
Passione Elettrica (massimob)
Elettroni a spasso (guidob)
Bloguerra (guerra)

