Non mi pare che si possa risolvere con apparecchiature in commercio.
Chi vuole ascoltare la TV in cuffia rimane isolato acusticamente dall'ambiente circostante.
Così finisce per non sentire telefono, citofono, rumori e suoni ambientali che magari servirebbe poter udire.
Avrei pensato di usare un microfono ambiente, anche non tanto efficace dal punto di vista della fedeltà e di trovare il modo di miscelarne il segnale captato con quello che esce dal segnale cuffie del TV, chiaramente questo non deve avere decadimenti di qualità nel manipolarlo in questa applicazione. La mia idea di base è quella di fare un semplice mixer affidandomi a degli op-amp, ma prima di mettermi a disegnare volevo sentire qualche autorevole parere del quale ringrazio in anticipo.
Mix segnale TV cuffie e mic ambiente
Moderatori:
carloc,
g.schgor,
BrunoValente,
IsidoroKZ
11 messaggi
• Pagina 1 di 2 • 1, 2
0
voti
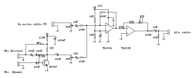
Avrei fatto questo bazzicando un po' in giro per il forum, dite che abbia qualche speranza di funzionare ?
chiaramente bisognerà duplicarlo per il secondo canale, alimentarlo e chiuderlo in un contenitore schermato.
chiaramente bisognerà duplicarlo per il secondo canale, alimentarlo e chiuderlo in un contenitore schermato.
1
voti
Mah, non credo che un TL082 sia abbastanza "potente" da pilotare il carico di una cuffia.
Dovresti cercare in rete un integrato amplificatore più adatto.
Il TL082 piuttosto lo userei come preamplificatore per il microfono.
Occhio che il TL082 "ragiona" con tensione di alimentazione duale.
Quindi devi polarizzare anche il secondo ingresso non invertente (che nel tuo schema vedo collegato a massa),
in modo che anch'esso abbia Vcc/2 ben filtrati, come hai già fatto per il primo ingresso.
Dovresti cercare in rete un integrato amplificatore più adatto.
Il TL082 piuttosto lo userei come preamplificatore per il microfono.
Occhio che il TL082 "ragiona" con tensione di alimentazione duale.
Quindi devi polarizzare anche il secondo ingresso non invertente (che nel tuo schema vedo collegato a massa),
in modo che anch'esso abbia Vcc/2 ben filtrati, come hai già fatto per il primo ingresso.
0
voti
Se ho ben capito, tu vorresti essere in qualche modo avvisato da un rumore esterno quando sei acusticamente isolato e guardi la TV.
Allora, non sarebbe piu' semplice un segnale visivo che ti avverta che nella stanza c'e' un rumore?
Allora, non sarebbe piu' semplice un segnale visivo che ti avverta che nella stanza c'e' un rumore?
marco
0
voti
Ciao
marco438 si forse sarebbe un po' meno bello, ma più semplice, hai già un'idea di come realizzarlo, diciamo che non mi piace molto, ma in effetti se come immagino si corre il rischio di pregiudicare il livello di fedeltà di magari ottime cuffie, il tuo suggerimento mi sembra sensato.
0
voti
Si, si ora seguendo il tuo spunto mi metto a fare uno schema con un trigger di schmitt per regolare la soglia di intervento, magari vedo anche per un filtro attivo, con un paio di operazionali dovrei cavarmela, faccio un po' da me e un po' di collage con i link che mi hai dato, dovrebbe essere relativamente semplice....
11 messaggi
• Pagina 1 di 2 • 1, 2
Chi c’è in linea
Visitano il forum: Nessuno e 92 ospiti

Elettrotecnica e non solo (admin)
Un gatto tra gli elettroni (IsidoroKZ)
Esperienza e simulazioni (g.schgor)
Moleskine di un idraulico (RenzoDF)
Il Blog di ElectroYou (webmaster)
Idee microcontrollate (TardoFreak)
PICcoli grandi PICMicro (Paolino)
Il blog elettrico di carloc (carloc)
DirtEYblooog (dirtydeeds)
Di tutto... un po' (jordan20)
AK47 (lillo)
Esperienze elettroniche (marco438)
Telecomunicazioni musicali (clavicordo)
Automazione ed Elettronica (gustavo)
Direttive per la sicurezza (ErnestoCappelletti)
EYnfo dall'Alaska (mir)
Apriamo il quadro! (attilio)
H7-25 (asdf)
Passione Elettrica (massimob)
Elettroni a spasso (guidob)
Bloguerra (guerra)



