Piedinatura modulo IR

Elettronica lineare e digitale: didattica ed applicazioni

Moderatori: Foto Utentecarloc, Foto Utenteg.schgor, Foto UtenteBrunoValente, Foto UtenteIsidoroKZ

Avatar utente
Foto Utentesottaceto
0 2
Messaggi: 7
Iscritto il: 15 dic 2009, 21:53
0
voti

[1] Piedinatura modulo IR

Messaggioda Foto Utentesottaceto » 10 mag 2012, 12:22

Salve a tutti!
Tempo fa prima di gettare un vecchio mouse a pallina ho prelevato il suo modulo IR.
Ora vorrei riutilizzarlo ma non conosco la piedinatura. Qualcuno di voi saprebbe aiutarmi?

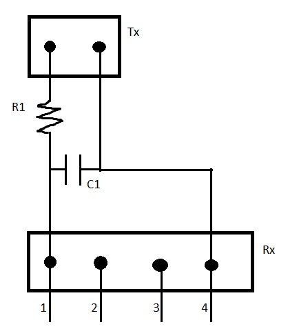
Ho allegato lo schema del circuito (scusatemi la grafica ma l'ho fatto al volo con paint) e ho numerato le uscite disponibili.

Immagino che la 1 e la 4 siano l'alimentazione. Quello che non mi è chiaro è la doppia uscita del Rx (me ne aspettavo una sola come ad esempio nei moduli TSOP)..



PS: Scusate volevo postarlo in "elettronica generale" ma ho letto male.
Immagine.jpg
Immagine.jpg (20.51 KiB) Visto 959 volte

Avatar utente
Foto Utentesimo85
30,9k 7 12 13
Disattivato su sua richiesta
Messaggi: 9927
Iscritto il: 30 ago 2010, 4:59
0
voti

[2] Re: Piedinatura modulo IR

Messaggioda Foto Utentesimo85 » 10 mag 2012, 13:09

Lo schema lo potevi fare con Fidocad invece di sudare sette camicie con Paint -:- :mrgreen:

Venendo al punto: cosa c'è scritto sul modulo? Sigla del componente? È una questione di vitale importanza..

La sigla serve ovviamente per sapere di che componete si tratta e cercarne il datasheet.

Ciao.

Avatar utente
Foto Utentesottaceto
0 2
Messaggi: 7
Iscritto il: 15 dic 2009, 21:53
0
voti

[3] Re: Piedinatura modulo IR

Messaggioda Foto Utentesottaceto » 10 mag 2012, 15:02

Wow carino questo fidocad, non lo conoscevo.. e ho letto solo ora fra le regole che è obbligatorio usarlo per postare gli schemi! Spiacente.

comunque sulla plastica del contenitore del Tx/Rx c'è scritto solo "S038" mentre sul rettangolino di silicio dove è saldato c'è scritto "1994V0" ma non ho trovato datasheet a riguardo. Forse faccio prima a cestinarlo!
Ultima modifica di Foto Utenteadmin il 10 mag 2012, 15:06, modificato 1 volta in totale.
Motivazione: eliminata citazione integrale inutile del messaggio che precede. Si deve usare il tasto Rispondi per non duplicare il forum!


Torna a “Elettronica generale”