Ciao a tutti
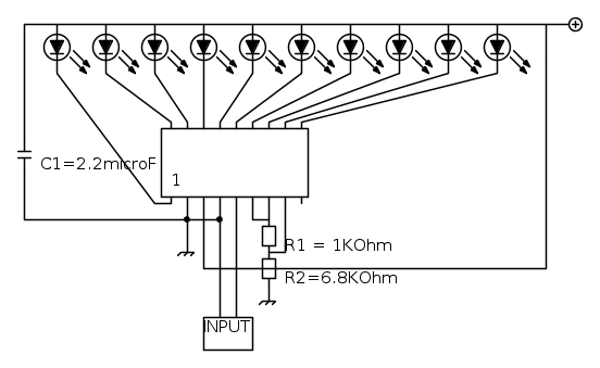
Ho realizzato uun VUmeter con un semplice schema qui sotto mostrato ma non funziona.
Ho dimenticato di inserire che l'alimentazione è una batteria da 9V
Grazie a tutti
VUmeter con LM3915
Moderatori:
carloc,
g.schgor,
BrunoValente,
IsidoroKZ
10 messaggi
• Pagina 1 di 1
0
voti
Non lo posso aprire in questo momento, ma sul datasheet dovrebbe esserci uno schema di esempio etc.
Sei sicuro di averlo letto a fondo con attenzione?
Cosa c'è collegato a INPUT?
Sei sicuro di averlo letto a fondo con attenzione?
Cosa c'è collegato a INPUT?
0
voti
Ciao e grazie mille per la risposta.
Io ho scaricato il datasheet e l'ho letto tutto, ma ho usato lo schema che presentava all'inizio! L'input è una cassa di uni stereo ma ho provato anche con il jack collegato solo massa e positivo dx! Grazie ancora! Le resistenze sono state calcolate con la formula trovata nel datasheet!
Diake
Io ho scaricato il datasheet e l'ho letto tutto, ma ho usato lo schema che presentava all'inizio! L'input è una cassa di uni stereo ma ho provato anche con il jack collegato solo massa e positivo dx! Grazie ancora! Le resistenze sono state calcolate con la formula trovata nel datasheet!
Diake
0
voti
Per aiutarvi ho aggionto alcune immagini..
Scusate per le saldature ma non sono ancora molto pratico
Grazie mille per l'aiuto
Diake
Scusate per le saldature ma non sono ancora molto pratico
Grazie mille per l'aiuto
Diake
- Allegati
-
- IMG_0341 2_450x600.JPG (93.69 KiB) Osservato 6255 volte
-
- IMG_0340 2_450x600.JPG (69.06 KiB) Osservato 6255 volte
-
- IMG_0339 2_450x600.JPG (40.42 KiB) Osservato 6255 volte
0
voti
Se lo hai collegato cosi` non puo` funzionare, le alimentazioni sono sbagliate. Mettile a posto e poi misura la tensione su Ref OUT.
Per usare proficuamente un simulatore, bisogna sapere molta più elettronica di lui
Plug it in - it works better!
Il 555 sta all'elettronica come Arduino all'informatica! (entrambi loro malgrado)
Se volete risposte rispondete a tutte le mie domande
Plug it in - it works better!
Il 555 sta all'elettronica come Arduino all'informatica! (entrambi loro malgrado)
Se volete risposte rispondete a tutte le mie domande
0
voti
GLi anodi dei diodi dove sono collegati sul data sheet? E nel tuo schema?
Per usare proficuamente un simulatore, bisogna sapere molta più elettronica di lui
Plug it in - it works better!
Il 555 sta all'elettronica come Arduino all'informatica! (entrambi loro malgrado)
Se volete risposte rispondete a tutte le mie domande
Plug it in - it works better!
Il 555 sta all'elettronica come Arduino all'informatica! (entrambi loro malgrado)
Se volete risposte rispondete a tutte le mie domande
0
voti
Grande! ecco dov'era il problema. Era tutto il pomeriggio che mi arrovellavo!
Grazie ecco il nuovo schema:
Modifico e misro la tensione.
Poi ti dico
Diake
Grazie ecco il nuovo schema:
Modifico e misro la tensione.
Poi ti dico
Diake
0
voti
Perfetto... Ora funziona ma solo con il circuito amplificato dello stereo. se folessi farlo funzionare anche con l'uscita jack dell'ipod dovrei amplificarlo?
Grazie mille comunque la misura che mi hai chiesto è 6.5V
Solo una domanda, Perche senza collegamento allo stereo rimane acceso il penultimo LED?
Grazie Mille
Diake
Grazie mille comunque la misura che mi hai chiesto è 6.5V
Solo una domanda, Perche senza collegamento allo stereo rimane acceso il penultimo LED?
Grazie Mille
Diake
0
voti
Ciao a tuuti di nuovp.
Nel tempo libero mi è venuto in mente di far funzionare questo VUmeter con il jack dell'ipod. Avrei bisogno di un amplificatore ma non so di quanti Watt! Potreste darmi un'idea?
Ho poi risolto il problema del tensione perché ho capito finalmente i dati del datasheet.
Grazie mille
Diake
Nel tempo libero mi è venuto in mente di far funzionare questo VUmeter con il jack dell'ipod. Avrei bisogno di un amplificatore ma non so di quanti Watt! Potreste darmi un'idea?
Ho poi risolto il problema del tensione perché ho capito finalmente i dati del datasheet.
Grazie mille
Diake
10 messaggi
• Pagina 1 di 1
Chi c’è in linea
Visitano il forum: Nessuno e 115 ospiti

Elettrotecnica e non solo (admin)
Un gatto tra gli elettroni (IsidoroKZ)
Esperienza e simulazioni (g.schgor)
Moleskine di un idraulico (RenzoDF)
Il Blog di ElectroYou (webmaster)
Idee microcontrollate (TardoFreak)
PICcoli grandi PICMicro (Paolino)
Il blog elettrico di carloc (carloc)
DirtEYblooog (dirtydeeds)
Di tutto... un po' (jordan20)
AK47 (lillo)
Esperienze elettroniche (marco438)
Telecomunicazioni musicali (clavicordo)
Automazione ed Elettronica (gustavo)
Direttive per la sicurezza (ErnestoCappelletti)
EYnfo dall'Alaska (mir)
Apriamo il quadro! (attilio)
H7-25 (asdf)
Passione Elettrica (massimob)
Elettroni a spasso (guidob)
Bloguerra (guerra)





