La mia richiesta è che tale circuito piloti un ingresso logico che in pratica si spegne se a livello LO e resta acceso a livello HI.
Io ho imbroccato una certa strada, ma non sono sicuro sia la più conveniente e vorrei qualche conferma prima di andare avanti: sono un po' arrugginito di elettronica (teoria) e sulla pratica diciamo che sto facendo da autodidatta quando ho un po' di tempo.
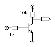
La prima cosa a cui avevo ingenuamente pensato (a dire il vero subito mi era venuto più naturale pensare a un MOSFET a svuotamento, ma schemi con BJT sembrano più comuni nell'uso) era di utilizzare un transistor come interruttore. Per cui avevo pensato di fare i conti per mandarlo in saturazione (in teoria, nella pratica...
che dipenda dalla mia
che voglio monitorare. Se ho fatto le sostituzioni giuste dovrei fissare la
.Però, se non sbaglio, uno schema del genere è invertente quindi non sarebbe compatibile col mio ingresso logico che opererebbe al contrario: basso quando
maggiore della soglia. Per questo avevo pensato a un secondo stadio invertitore, ma magari sto "ammazzando una zanzara con un cannone". Questo era il mio ragionamento semplicistico, probabilmente sbagliato,
A differenza di me dicono di aver pensato anche all'isteresi: cioè che tal circuito stacca il relé (il quale ovviamente do per scontato che tiene collegato il carico) sotto 10V e non riattacca entro 10,6V se la R di emettitore è 33 ohm. Quindi se intuisco bene: il filtro (condensatore più R di emettitore) serve a evitare le possibili oscillazioni di Vcc (isteresi) e usano il darligton solo perché altrimenti il guadagno non sarebbe sufficiente ad azionare il relé (la cui resistenza interna è la mia
che per me è solo una pull-up dell'ingresso logico). Il diodo zener invece mi sembra il punto fondamentale: se ho capito bene abbassa la tensione a valori poco superiori alla
in modo da azzerare la corrente di base quando Vcc cala sotto la soglia. Non sono così sicuro 
Elettrotecnica e non solo (admin)
Un gatto tra gli elettroni (IsidoroKZ)
Esperienza e simulazioni (g.schgor)
Moleskine di un idraulico (RenzoDF)
Il Blog di ElectroYou (webmaster)
Idee microcontrollate (TardoFreak)
PICcoli grandi PICMicro (Paolino)
Il blog elettrico di carloc (carloc)
DirtEYblooog (dirtydeeds)
Di tutto... un po' (jordan20)
AK47 (lillo)
Esperienze elettroniche (marco438)
Telecomunicazioni musicali (clavicordo)
Automazione ed Elettronica (gustavo)
Direttive per la sicurezza (ErnestoCappelletti)
EYnfo dall'Alaska (mir)
Apriamo il quadro! (attilio)
H7-25 (asdf)
Passione Elettrica (massimob)
Elettroni a spasso (guidob)
Bloguerra (guerra)



