ciao a tutti
volevo qualche aiutino per finire un progetto scolastico
devo far oscillare 36 diodi led ad una determinata frequenza
e devo utilizzare un integrato c-mos 40106 e 3 BJT 2N2222A
e mi servono tutte le resistenze però non sono tanto bravo in elettronica e mi serve un aiutino per calcolare le resistenze
e mi servirebbe anche lo schema elettrico
grazie a tutti
Progetto scolastico.
Moderatori:
carloc,
g.schgor,
BrunoValente,
IsidoroKZ
0
voti
Ultima modifica di
Lele_u_biddrazzu il 7 giu 2012, 21:48, modificato 1 volta in totale.
Motivazione: Titolo cambiato con uno più significativo. Titolo originale: "aiuto!".
Motivazione: Titolo cambiato con uno più significativo. Titolo originale: "aiuto!".
3
voti
Non ti offendere ma la tua richiesta è un poco assurda: scusate io a casa ho delle lampadine, dei pulsanti ed un relè; ma non so bene che fili usare... Non ti sembra che manchi qualcosa? E' normale no che avendo questi tre elementi, tutto il resto sia sottinteso ed il mio problema non necessità ulteriori specifiche?
Ahhh, già, dimenticavo: l'elettronica in un quarto d'ora. Sto diventando vecchio, sono abituato alla vecchia maniera.
Ahhh, già, dimenticavo: l'elettronica in un quarto d'ora. Sto diventando vecchio, sono abituato alla vecchia maniera.
-

Candy
32,5k 7 10 13 - CRU - Account cancellato su Richiesta utente
- Messaggi: 10123
- Iscritto il: 14 giu 2010, 22:54
0
voti
ho 16 anni e sono in 3° superiore.
non so nulla dell'elettronica e sto chiedendo un aiuto perché non lo so fare
non so nulla dell'elettronica e sto chiedendo un aiuto perché non lo so fare
0
voti
so che la tensione che devo usare è di 9V perché dopo dobbiamo attaccare il progetto ad una pila
0
voti
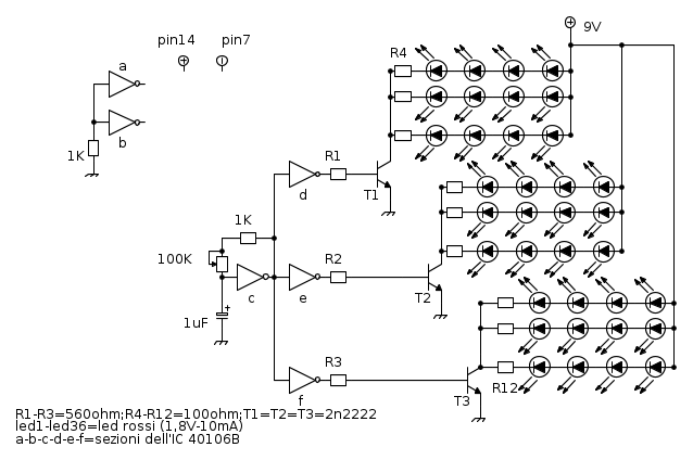
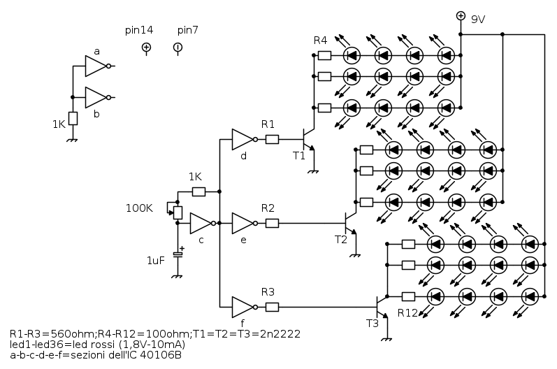
questo è uno schema che potrebbe fare al caso tuo,la frequenza la puoi variare tramite il potenziometro,e quando è tutto inserito hai una frequenza di 2Hz,alle sezioni rimaste libere dell'IC conviene collegare gli ingressi a massa onde evitare che lasciate libere possano fluttuare creando problemi;un'ultima raccomandazione,cerca di capire da solo come funziona il circuito,altrimenti è fatica sprecata
Edit marco438: i valori dei led non concordano con quelli delle resistenze tenuto conto della tensione data.
Edit marco438: i valori dei led non concordano con quelli delle resistenze tenuto conto della tensione data.
1
voti
Secondo me basta così:
2
voti
Concordo con [user]gohan[/user]; in tal modo si potrebbero regolare i tre oscillatori su frequenze diverse al fine di ottenere un effetto un po' particolare.
marco
Chi c’è in linea
Visitano il forum: Nessuno e 79 ospiti

Elettrotecnica e non solo (admin)
Un gatto tra gli elettroni (IsidoroKZ)
Esperienza e simulazioni (g.schgor)
Moleskine di un idraulico (RenzoDF)
Il Blog di ElectroYou (webmaster)
Idee microcontrollate (TardoFreak)
PICcoli grandi PICMicro (Paolino)
Il blog elettrico di carloc (carloc)
DirtEYblooog (dirtydeeds)
Di tutto... un po' (jordan20)
AK47 (lillo)
Esperienze elettroniche (marco438)
Telecomunicazioni musicali (clavicordo)
Automazione ed Elettronica (gustavo)
Direttive per la sicurezza (ErnestoCappelletti)
EYnfo dall'Alaska (mir)
Apriamo il quadro! (attilio)
H7-25 (asdf)
Passione Elettrica (massimob)
Elettroni a spasso (guidob)
Bloguerra (guerra)





.





