Cos'è ElectroYou | Login Iscriviti

ElectroYou - la comunità dei professionisti del mondo elettrico

Circuito con amplificatore e capacità

Elettronica lineare e digitale: didattica ed applicazioni

Moderatori: Foto Utentecarloc, Foto Utenteg.schgor, Foto UtenteBrunoValente, Foto UtenteIsidoroKZ

0
voti

[1] Circuito con amplificatore e capacità

Messaggioda Foto Utentegiozh » 16 giu 2012, 12:16

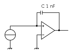
ho il seguente circuito


Con l'amplificatore che satura a +-5V


con la seguente corrente in ingresso (scusate se l'ho disegnata con fidodadj) per 0<t</infty:



Supponendo che per t<0 C sia scarico, devo trovare la tensione in uscita al circuito.
per come stavo ragionando io, non essendoci una resistenza, il condensatore si carica seguendo il segnale.
Quando il gradino in ingresso torna a zero, la capacità non si scarica non avendo modo di farlo, e mantiene l'uscita precedente. quando arriva un nuovo imulso, la tensione d'uscita scende ulteriorimente. Tutto questo finché l'amp op non satura negativamente e da quel punto in poi, la tensione d'uscita rimane costante a -5
giusto?
Avatar utente
Foto Utentegiozh
0 4
New entry
New entry
 
Messaggi: 83
Iscritto il: 9 lug 2010, 16:17

1
voti

[2] Re: Circuito con amplificatore e capacità

Messaggioda Foto Utentecarloc » 16 giu 2012, 12:27

:ok:

...e ora il grafico dell'uscita e quanto ci mette ad arrivare a -5V?
Se ti serve il valore di beta: hai sbagliato il progetto!
Avatar utente
Foto Utentecarloc
33,8k 6 11 13
G.Master EY
G.Master EY
 
Messaggi: 2153
Iscritto il: 7 set 2010, 19:23


Torna a Elettronica generale

Chi c’è in linea

Visitano il forum: Nessuno e 115 ospiti