salve, ho un problema con un compito di elettronica. Ho un BJT pnp a collettore comune e un BJT npn a emettitore comune collegati (in mezzo c'è un condensatore). Il circuito per piccoli segnali è lo stesso per i due BJT? nei libri non tratta nulla sul BJT pnp, potete aiutarmi?
il progetto prevede un guadagno del circuito di 80 V/V con una resistenza d'ingresso di 10 kohm. come devo procedere? non avendo altre specifiche di progetto devo supporre per forza qualcosa giusto??? es: come divido l'amplificazione tra il primo e il secondo stadio???
grazie mille, attendo risposte!
Progettazione amplificatore di tensione con BJT
Moderatori:
carloc,
g.schgor,
BrunoValente,
IsidoroKZ
19 messaggi
• Pagina 1 di 2 • 1, 2
0
voti
Fai lo schema con Fidocad.
Il circuito equivalente per piccoli segnali è lo stesso sia per i BJT npn che per i pnp.
Il circuito equivalente per piccoli segnali è lo stesso sia per i BJT npn che per i pnp.
-

angelsanct
196 1 5 - Frequentatore

- Messaggi: 112
- Iscritto il: 30 lug 2011, 21:46
0
voti
come devo procedere????ho le caratteristiche di guadagno e di corrente ic dei due BJT oltre al valore Va e a Vbe
0
voti
Quanto vale il guadagno di tensione di un collettore comune?
Poi servirebbe sapere tutto sulla scuola, corso e materia, e libro di testo.
Poi servirebbe sapere tutto sulla scuola, corso e materia, e libro di testo.
Per usare proficuamente un simulatore, bisogna sapere molta più elettronica di lui
Plug it in - it works better!
Il 555 sta all'elettronica come Arduino all'informatica! (entrambi loro malgrado)
Se volete risposte rispondete a tutte le mie domande
Plug it in - it works better!
Il 555 sta all'elettronica come Arduino all'informatica! (entrambi loro malgrado)
Se volete risposte rispondete a tutte le mie domande
0
voti
IsidoroKZ ha scritto:Quanto vale il guadagno di tensione di un collettore comune?
Poi servirebbe sapere tutto sulla scuola, corso e materia, e libro di testo.
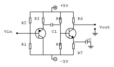
ho postato il circuito e le domande proprio per capire come considerare il BJT pnp perché non ho nessun esercizio svolto con questo componente. non è un corso di scuola, è l'esercizio di un esame universitario sul progetto di un amplificatore di tensione con guadagno di 80 V/V...devo dimensionare tutti i componenti.......l'unica specifica è la Rin del circuito =10kOhm
quali passi devo fare per arrivare alla soluzione? una volta trovati i valori delle resistenze, da cosa dipende il valore del condensatore C1 visto che non ho nessuna specifica sulla frequenza di lavoro?
io ho affrontato il problema in questo modo:
1) ho diviso il circuito in due stadi, sapendo che A0= 80 è possibile ottenerlo con A1*A2 dove A1 è il guadagno del primo stadio (quello col BJT pnp) e A2 è il guadagno del secondo stadio (quello col BJT npn).
2)considero il circuito in AC quindi i condensatori diventano dei cc e i generatori +5 e -5 V vanno a massa.
3) Rin=10kOhm mi porta a fare il circuito eq di thevenin del primo stadio e a considerare Rin come Rth= R1\\R2 e Vth= [R2/(R1+R2)]*Vin
3) trovati i valori di R1 ed R2 nel primo stadio mi rimane da trovare il valore di R3 che dipende dal guadagno che voglio impostare al primo stadio ricordando che A0=A1*A2. il valore di R3 si trova facendo il circuito eq del BJT pnp a collettore comune (siamo sicuri che sia uguale al circ eq dell npn????)
4)A seconda del guadagno del primo stadio (impostato per calcolare R3) ricavo il guadagno del secondo stadio con A2=A0/A1. a questo punto non ho piu nessuna specifica e devo impostare le 4 resistenze (attraverso il circ eq per piccoli segnali) in modo che sia rispettata la specifica sul guadagno imposta da me precedentemente.
è il procedimento giusto o sto facendo baggianate???????????
0
voti
Il modello di piccolo segnale del pnp e` identico a quello dell'npn. Sono solo le tensioni e le correnti di polarizzazione che vanno al contrario.
La topologia con pnp in CC come primo stadio e npn in CE come secondo stadio e` imposta?
Hai delle richieste sulla dinamica?
Quanto guadagna uno stadio a collettore comune?
In che ateneo, facolta`, corso di laurea sei? Materia e libro di testo?
La topologia con pnp in CC come primo stadio e npn in CE come secondo stadio e` imposta?
Hai delle richieste sulla dinamica?
Quanto guadagna uno stadio a collettore comune?
In che ateneo, facolta`, corso di laurea sei? Materia e libro di testo?
Per usare proficuamente un simulatore, bisogna sapere molta più elettronica di lui
Plug it in - it works better!
Il 555 sta all'elettronica come Arduino all'informatica! (entrambi loro malgrado)
Se volete risposte rispondete a tutte le mie domande
Plug it in - it works better!
Il 555 sta all'elettronica come Arduino all'informatica! (entrambi loro malgrado)
Se volete risposte rispondete a tutte le mie domande
0
voti
La topologia con pnp in CC come primo stadio e npn in CE come secondo stadio e` imposta?il circuito è dato dal docente non creato da me.
Hai delle richieste sulla dinamica? nessuna richiesta sulla dinamica
Quanto guadagna uno stadio a collettore comune? non ne ho la piu pallida idea
In che ateneo, facolta`, corso di laurea sei? Materia e libro di testo? facoltà di cagliari, ing elettronica. corso di elettronica 1 della laurea triennale. libri consigliati Microelettronica (Jaeger) e Circuiti per la Microelettronica (Sedra Smith)
Hai delle richieste sulla dinamica? nessuna richiesta sulla dinamica
Quanto guadagna uno stadio a collettore comune? non ne ho la piu pallida idea
In che ateneo, facolta`, corso di laurea sei? Materia e libro di testo? facoltà di cagliari, ing elettronica. corso di elettronica 1 della laurea triennale. libri consigliati Microelettronica (Jaeger) e Circuiti per la Microelettronica (Sedra Smith)
0
voti
Cerca sul Sedra o sullo Jaeger le configurazioni base dei transistori bipolari, in particolare il guadagno di un collettore comune e di un emettitore comune. E` vero che il guadagno totale e` dato (circa) da A1 per A2, ma ci sono delle limitazioni sui guadagni dei singoli stadi.
Poi devi simularlo con spice?
Poi devi simularlo con spice?
Per usare proficuamente un simulatore, bisogna sapere molta più elettronica di lui
Plug it in - it works better!
Il 555 sta all'elettronica come Arduino all'informatica! (entrambi loro malgrado)
Se volete risposte rispondete a tutte le mie domande
Plug it in - it works better!
Il 555 sta all'elettronica come Arduino all'informatica! (entrambi loro malgrado)
Se volete risposte rispondete a tutte le mie domande
0
voti
non so usare spice, mai aperto!!! non riesco nemmeno a disegnare i circuiti......
sullo jaeger dice che ci sono limitazioni che riguardano gm*la resistenza di carico...ma io non ho una resistenza di carico....non ci capisco piu nulla!
sto facendo bene o gia qui c'è qualcosa di sbagliato???
sullo jaeger dice che ci sono limitazioni che riguardano gm*la resistenza di carico...ma io non ho una resistenza di carico....non ci capisco piu nulla!
sto facendo bene o gia qui c'è qualcosa di sbagliato???
0
voti
Certo che hai una resistenza di carico nel CC: e` il parallelo di R3 con R4, R5 e l'impedenza di ingresso dello stadio CE.
Ma lo jaeger (non ce l'ho sottomano adesso) non dice proprio nulla sul guadagno dei CC? Quanto puo` valere al massimo?
Hai seguito il corso di elettronica applicata o circuiti elettronici? Mi pare strano che vi facciano progettare un circuito senza avervi spiegato quali sono i blocchi base da usare nelle costruzioni.
Nel tuo circuito equivalente ci sono alcune cose che non vanno. Hai segnato inzialmente Vin, poi passi a un equivalente Thevenin, ma se non sai la resistenza di sorgente non c'e` verso di fare quell'equivalente Thevenin.
La seconda cosa e` il modello: sembra che abbia fatto un emettitore comune: quello e` un collettore comune, il circuito equivalente va collegato in un altro modo.
Sei proprio sicuro che a Elettronica 1 non abbiano spiegato le configurazioni base dei transistori?
Ma lo jaeger (non ce l'ho sottomano adesso) non dice proprio nulla sul guadagno dei CC? Quanto puo` valere al massimo?
Hai seguito il corso di elettronica applicata o circuiti elettronici? Mi pare strano che vi facciano progettare un circuito senza avervi spiegato quali sono i blocchi base da usare nelle costruzioni.
Nel tuo circuito equivalente ci sono alcune cose che non vanno. Hai segnato inzialmente Vin, poi passi a un equivalente Thevenin, ma se non sai la resistenza di sorgente non c'e` verso di fare quell'equivalente Thevenin.
La seconda cosa e` il modello: sembra che abbia fatto un emettitore comune: quello e` un collettore comune, il circuito equivalente va collegato in un altro modo.
Sei proprio sicuro che a Elettronica 1 non abbiano spiegato le configurazioni base dei transistori?
Per usare proficuamente un simulatore, bisogna sapere molta più elettronica di lui
Plug it in - it works better!
Il 555 sta all'elettronica come Arduino all'informatica! (entrambi loro malgrado)
Se volete risposte rispondete a tutte le mie domande
Plug it in - it works better!
Il 555 sta all'elettronica come Arduino all'informatica! (entrambi loro malgrado)
Se volete risposte rispondete a tutte le mie domande
19 messaggi
• Pagina 1 di 2 • 1, 2
Chi c’è in linea
Visitano il forum: Nessuno e 33 ospiti

Elettrotecnica e non solo (admin)
Un gatto tra gli elettroni (IsidoroKZ)
Esperienza e simulazioni (g.schgor)
Moleskine di un idraulico (RenzoDF)
Il Blog di ElectroYou (webmaster)
Idee microcontrollate (TardoFreak)
PICcoli grandi PICMicro (Paolino)
Il blog elettrico di carloc (carloc)
DirtEYblooog (dirtydeeds)
Di tutto... un po' (jordan20)
AK47 (lillo)
Esperienze elettroniche (marco438)
Telecomunicazioni musicali (clavicordo)
Automazione ed Elettronica (gustavo)
Direttive per la sicurezza (ErnestoCappelletti)
EYnfo dall'Alaska (mir)
Apriamo il quadro! (attilio)
H7-25 (asdf)
Passione Elettrica (massimob)
Elettroni a spasso (guidob)
Bloguerra (guerra)



