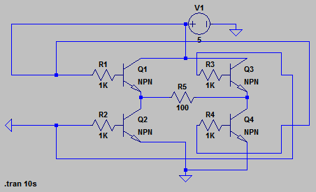
Stavo cercando di capire meglio come utilizzare i transistor BJT NPN e soprattutto i loro limiti, e proprio per cercare di capire ho provato a creare un ponte ad H (o H-Bridge) basato solo su NPN con una resistenza per carico.
Armato di simulatore LtSpice IV (allego file della simulazione) ho creato il circuito collegando il segnale "motore avanti" sempre a VCC e "motore indietro" sempre a GND per semplificare l'analisi iniziale.
Primo mistero: con mia amara sorpresa ho notato che R1 conduce 0.36mA mentre R4 conduce 4.1mA...
Domanda: perché Q1 non va in saturazione (e di conseguenza R1 conduce solo 0.36mA)?
Ciao e grazie a tutti
Immagine circuito:
Allegato LtSpice:
http://arduino.cc/forum/index.php?action=dlattach;topic=113423.0;attach=21728

Elettrotecnica e non solo (admin)
Un gatto tra gli elettroni (IsidoroKZ)
Esperienza e simulazioni (g.schgor)
Moleskine di un idraulico (RenzoDF)
Il Blog di ElectroYou (webmaster)
Idee microcontrollate (TardoFreak)
PICcoli grandi PICMicro (Paolino)
Il blog elettrico di carloc (carloc)
DirtEYblooog (dirtydeeds)
Di tutto... un po' (jordan20)
AK47 (lillo)
Esperienze elettroniche (marco438)
Telecomunicazioni musicali (clavicordo)
Automazione ed Elettronica (gustavo)
Direttive per la sicurezza (ErnestoCappelletti)
EYnfo dall'Alaska (mir)
Apriamo il quadro! (attilio)
H7-25 (asdf)
Passione Elettrica (massimob)
Elettroni a spasso (guidob)
Bloguerra (guerra)





Occhio che se continui di questo passo qui ti linciano 


