Ciao a tutti sono antonio e sono nuovo del forum.
Ho letto alcuni articoli e mi sono sembrati molto esplicativi, sopratutto per uno che si sta
avvicinando a questo mondo.
IO sto preparando la mia tesi di laurea specialistica in ingegneria aerospaziale e come tema
sto sviluppando un esperimento scientifico con diverse celle solari.
La mia domanda è questa:
vorrei usare un micro per rilevare la tensione da una cella solare (ne ho 15 in realtà) e vorrei capire bene
come dovrei impostare il circuito.
Il micro va messo direttamente in collegamento con la cella? o serve un circuito di condizionamento
appropriato? Ad alcune celle vorrei applicare delle resistenze, questo come complica il problema?
Vi ringrazio per l'aiuto!
Rilevare la tensione da una cella solare
Moderatore:
Paolino
-
antonioceci549
0 2 - Messaggi: 10
- Iscritto il: 6 ago 2012, 11:13
0
voti
[1] Rilevare la tensione da una cella solare
-
AjKDAP
1.255 2 6 9 - Expert EY

- Messaggi: 796
- Iscritto il: 17 mag 2006, 0:13
- Località: nella coda dei pronti
- Contatta:
0
voti
[2] Re: Rilevare la tensione da una cella solare
Ciao, cosa devi fare dopo aver letto la tensione della cella? Ti serve una misura precisa per poi effettuare altre operazioni oppure devi ad esempio controllare il superamento di una certa soglia?
Ti chiedo questo per vedere se effettivamente ti serve un microcontrollore oppure no.
Se decidi di usarlo dovrai sceglierne uno con un ADC interno con la risoluzione in bit relativa al grado di precisione che ti interessa.
Per quando riguarda i componenti esterni devi realizzare come minimo un partitore di tensione per fornire al microcontrollore una tensione minore o uguale alla sua massima tensione di alimentazione quando le celle forniscono la loro tensione massima.
Ciao
Ti chiedo questo per vedere se effettivamente ti serve un microcontrollore oppure no.
Se decidi di usarlo dovrai sceglierne uno con un ADC interno con la risoluzione in bit relativa al grado di precisione che ti interessa.
Per quando riguarda i componenti esterni devi realizzare come minimo un partitore di tensione per fornire al microcontrollore una tensione minore o uguale alla sua massima tensione di alimentazione quando le celle forniscono la loro tensione massima.
Ciao
-
antonioceci549
0 2 - Messaggi: 10
- Iscritto il: 6 ago 2012, 11:13
0
voti
[3] Re: Rilevare la tensione da una cella solare
Allora io ho 15 celle che possono al max generare 2,7 volt. A queste celle devo applicare delle resistenze diverse per poter creare una curva IV. Una volta che il micro legge la tensione la deve inviare al computer di bordo del satellite con protocollo uart che poi la spedisce a terra. Poi per alimentare il micro volevo usare delle batterie.
-
AjKDAP
1.255 2 6 9 - Expert EY

- Messaggi: 796
- Iscritto il: 17 mag 2006, 0:13
- Località: nella coda dei pronti
- Contatta:
0
voti
[4] Re: Rilevare la tensione da una cella solare
Ah, mi ero dimenticato di specificare che se la tensione da misurare è inferiore o uguale a quella di alimentazione del microcontrollore non serve nessun partitore di tensione.
Se ad esempio decidi di utilizzare un micro con ADC a 10bit e tensione di alimentazione 3.3V avrai una risoluzione di 3.3V / 10bit = 3.3V / 1024 = 3.22mV
Ovviamente se devi monitorare più celle, la soluzione più semplice secondo me è avere a disposizione più ADC.
Se ad esempio decidi di utilizzare un micro con ADC a 10bit e tensione di alimentazione 3.3V avrai una risoluzione di 3.3V / 10bit = 3.3V / 1024 = 3.22mV
Ovviamente se devi monitorare più celle, la soluzione più semplice secondo me è avere a disposizione più ADC.
-
antonioceci549
0 2 - Messaggi: 10
- Iscritto il: 6 ago 2012, 11:13
0
voti
[5] Re: Rilevare la tensione da una cella solare
Si infatti l'idea è questa, usare un micro con almeno 15 adc per misurare le tensioni. Anche questo volevo fare usare un micro che sia alimentato ad esempio a 3.3V. Ma poi tra le celle e il micro devo mettere qualcosa?
-
AjKDAP
1.255 2 6 9 - Expert EY

- Messaggi: 796
- Iscritto il: 17 mag 2006, 0:13
- Località: nella coda dei pronti
- Contatta:
0
voti
[6] Re: Rilevare la tensione da una cella solare
Non necessariamente, ma magari qualche protezione per delle possibili sovratensioni? Non so come si comportano le celle solari.
Devi solamente tener presente che non puoi superare la tensione di alimentazione del micro.
Devi solamente tener presente che non puoi superare la tensione di alimentazione del micro.
-
antonioceci549
0 2 - Messaggi: 10
- Iscritto il: 6 ago 2012, 11:13
0
voti
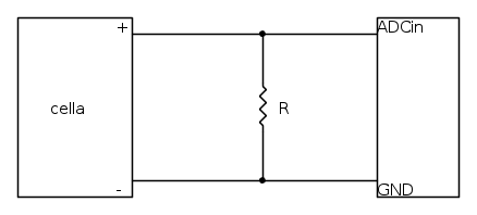
[7] Re: Rilevare la tensione da una cella solare
Ma in genere le celle possono andare al max a 2,7 volt. Oltre non dovrebbero andare. Io quindi ho i due capi della cella. A questi vado ad applicare una certa resistenza R. Voglio leggere la tensione che si ha dopo la resistenza R. Al micro devo far arrivare tutti e due i capi? O uno al micro e l'altro alla terra?
Vorrei anche mettere delle termocoppie che mi leggono la temperatura nella zona delle celle. Vale lo stesso discorso fatto prima? Cioè devo collegarle alle ADC?
Vorrei anche mettere delle termocoppie che mi leggono la temperatura nella zona delle celle. Vale lo stesso discorso fatto prima? Cioè devo collegarle alle ADC?
-
AjKDAP
1.255 2 6 9 - Expert EY

- Messaggi: 796
- Iscritto il: 17 mag 2006, 0:13
- Località: nella coda dei pronti
- Contatta:
0
voti
[8] Re: Rilevare la tensione da una cella solare
Non ho capito bene, dici che applichi una resistenza ai capi della cella, ovvero applichi un carico alla cella si?
E successivamente vuoi misurare la tensione ai capi della resistenza?
Cosi?
E successivamente vuoi misurare la tensione ai capi della resistenza?
Cosi?
-
antonioceci549
0 2 - Messaggi: 10
- Iscritto il: 6 ago 2012, 11:13
0
voti
[9] Re: Rilevare la tensione da una cella solare
Esatto!!!!! Grande!!! Devo fare proprio questo! Esistono micro che fanno una cosa del genere?
-
antonioceci549
0 2 - Messaggi: 10
- Iscritto il: 6 ago 2012, 11:13
0
voti
[10] Re: Rilevare la tensione da una cella solare
Davvero è così semplice la faccenda? Poi una volta letto il dato il micro deve impacchettare i dati e spedirli a terra attraverso il bus dati. I micro possono fare queste cose? Lo so le mie domande sembreranno stupide ma sto cercando di trovare più info possibili sull'argomento!
Grazie ancora a tutti!
Grazie ancora a tutti!

Elettrotecnica e non solo (admin)
Un gatto tra gli elettroni (IsidoroKZ)
Esperienza e simulazioni (g.schgor)
Moleskine di un idraulico (RenzoDF)
Il Blog di ElectroYou (webmaster)
Idee microcontrollate (TardoFreak)
PICcoli grandi PICMicro (Paolino)
Il blog elettrico di carloc (carloc)
DirtEYblooog (dirtydeeds)
Di tutto... un po' (jordan20)
AK47 (lillo)
Esperienze elettroniche (marco438)
Telecomunicazioni musicali (clavicordo)
Automazione ed Elettronica (gustavo)
Direttive per la sicurezza (ErnestoCappelletti)
EYnfo dall'Alaska (mir)
Apriamo il quadro! (attilio)
H7-25 (asdf)
Passione Elettrica (massimob)
Elettroni a spasso (guidob)
Bloguerra (guerra)

