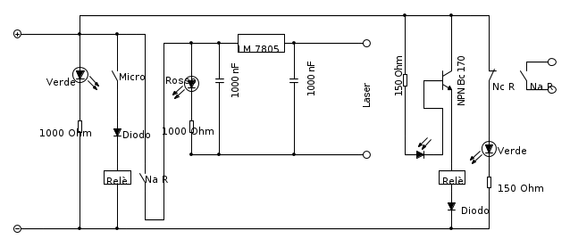
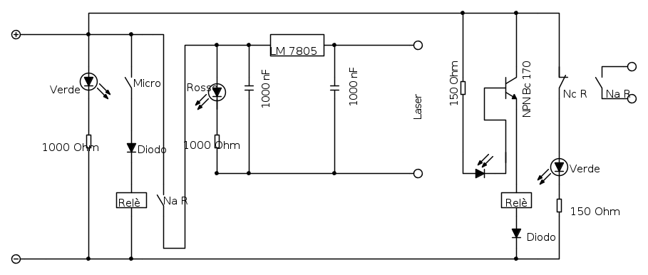
Buogiorno a tutti, ho costruito questo circuito per poter alimentare un laser con queste caratteristiche:
Potenza diodo laser: 5 mW.
• Potenza ottica di uscita: inferiore a 5 mW.
• Classe: 3R
•Lunghezza d'onda emissione: 670 nm
• Tensione di alimentazione: 3 V (3 - 6 Vcc)
•Divergenza: < 2 mrad
•Diametro fascio emesso: 3 mm
•Lente: plastica
Nello schema trovere anche la parte ricevente che ho già testato ed è perfettamente funzionante.
Il dubbio mi nasce "essendo un neofita" sulla parte dell'alimentazione del laser.... Li date un'occhiata e mi fate sapere cortesemente?
Grazie
Barriera Laser
Moderatori:
carloc,
g.schgor,
BrunoValente,
IsidoroKZ
0
voti
[1] Barriera Laser
2
voti
[2] Re: Barriera Laser
Ci sono vari punti da discutere.
1) Perché i diodi in serie alle bobine dei relé? Non è meglio in antiparallelo?
2) Al collegamento del 7805 manca quello centrale, ossia il GND, altrimenti non funziona. In più, i collegamenti di GND vanno tutti assieme.
3) Il relè sta meglio sul Collettore del bipolare, non così sull'Emettitore. Ed ancora, il diodo in antiparallelo sulla bobina.
4) Tensione di entrata del circuito? Non si sà nulla a riguardo.
Per il momento non vedo molto altro..
1) Perché i diodi in serie alle bobine dei relé? Non è meglio in antiparallelo?
2) Al collegamento del 7805 manca quello centrale, ossia il GND, altrimenti non funziona. In più, i collegamenti di GND vanno tutti assieme.
3) Il relè sta meglio sul Collettore del bipolare, non così sull'Emettitore. Ed ancora, il diodo in antiparallelo sulla bobina.
4) Tensione di entrata del circuito? Non si sà nulla a riguardo.
Per il momento non vedo molto altro..
-1
voti
[4] Re: Barriera Laser
Avete ragione dimenticanza mia la tensione di e
trata é 12 volt nel circuito Lm é collegato
scusate ragazzi ma questo é il mio primo circuito
trata é 12 volt nel circuito Lm é collegato
scusate ragazzi ma questo é il mio primo circuito
-1
voti
[6] Re: Barriera Laser
Ecco continuo a dimenticarsi le cose... Si sono 12 volt stabilizzati
si le ho lette.... Ma ora non sono a casa... Appena torno a casa rispondo...
si le ho lette.... Ma ora non sono a casa... Appena torno a casa rispondo...
-
Sparafucile
4.371 4 8 - Master EY

- Messaggi: 650
- Iscritto il: 22 gen 2012, 18:57
2
voti
[8] Re: Barriera Laser
Ciao Tecnica,
Insieme con i commenti di [user]gohan[/user] e
marco438 vorrei anch'io domandarti, se il laser e' allimentato da un' regolatore elettronico suo.
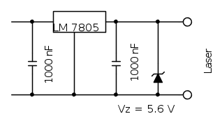
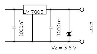
Finalmente vorrei suggerirti la complicazione seguente, che salverebbe il laser nel caso, se brucia il LM7805.
Sparafucile
Insieme con i commenti di [user]gohan[/user] e
Finalmente vorrei suggerirti la complicazione seguente, che salverebbe il laser nel caso, se brucia il LM7805.
Sparafucile
6
voti
[9] Re: Barriera Laser
Tecnica ha scritto:• Potenza ottica di uscita: inferiore a 5 mW.
• Classe: 3R
Probabilmente è superfluo dirlo ma non si sa mai. Lavora con gli occhiali adeguati, un diodo in classe 3R è roba piuttosto pericolosa, gli bastano pochi istanti (anche di riflesso) per danneggiarti irrimediabilmente gli occhi.
0
voti
[10] Re: Barriera Laser
Eccomi qui..... allora si effettivamente ho fatto diversi errori nel disegno.... perché oggi ho iniziato ad utilizzare Fidocad... e ho fatto un po' le cose di fretta... ma in sostanza il circuito funziona almeno i 5,4 volt in uscita li ho e la parte ricevente funziona bene...
si i condensatori sono effettivamente da 100 nF e i gnd sono tutti assieme anche quello del LM.
Il mio problema nasce dal fatto che mercoledi mi arriva il laser da provare ed essendo nuovo e con poca malizia "vedi diodi in parallelo" ho paura di buttare via 22 euro....
Infatti io chiedevo se il ramo dei 5 volt in uscita vi sembrava corretto per le caratteristiche di quel Laser.
Grazie a tutti per avermi fatto notare gli errori.
si i condensatori sono effettivamente da 100 nF e i gnd sono tutti assieme anche quello del LM.
Il mio problema nasce dal fatto che mercoledi mi arriva il laser da provare ed essendo nuovo e con poca malizia "vedi diodi in parallelo" ho paura di buttare via 22 euro....
Infatti io chiedevo se il ramo dei 5 volt in uscita vi sembrava corretto per le caratteristiche di quel Laser.
Grazie a tutti per avermi fatto notare gli errori.

Elettrotecnica e non solo (admin)
Un gatto tra gli elettroni (IsidoroKZ)
Esperienza e simulazioni (g.schgor)
Moleskine di un idraulico (RenzoDF)
Il Blog di ElectroYou (webmaster)
Idee microcontrollate (TardoFreak)
PICcoli grandi PICMicro (Paolino)
Il blog elettrico di carloc (carloc)
DirtEYblooog (dirtydeeds)
Di tutto... un po' (jordan20)
AK47 (lillo)
Esperienze elettroniche (marco438)
Telecomunicazioni musicali (clavicordo)
Automazione ed Elettronica (gustavo)
Direttive per la sicurezza (ErnestoCappelletti)
EYnfo dall'Alaska (mir)
Apriamo il quadro! (attilio)
H7-25 (asdf)
Passione Elettrica (massimob)
Elettroni a spasso (guidob)
Bloguerra (guerra)






