Gurdjeff ha scritto:... fino a qui i passaggi logici sono corretti? (in modo da sapere se addentrarmi nei calcoli diretti)?
Se scrivi in quel modo non ti capisce nessuno, una delle regole del forum è usare Latex per le formule; per FidoCadJ puoi usare Mappa Caratteri sotto Accessori -> Utilità di Sistema (per Windows) e copiare i caratteri del font Courier New che dispone di tutte le lettere greche e tante altre.
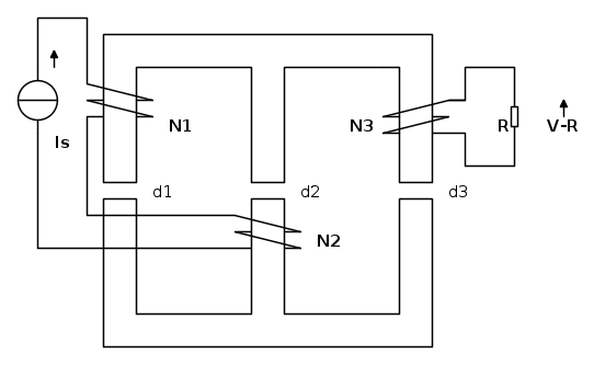
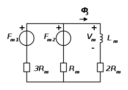
Poi, come ti dicevo, se vuoi seguire la strada di Thevenin non puoi non indicare nello schema equivalente un bipolo magnetico che rappresenti il terzo avvolgimento, io come ti dicevo lo vedo come un "induttore magnetico",
che non ha nulla a che vedere con quello elettrico, ma che tiene conto della caduta magnetica del terzo ramo che non è solo quella della "resistenza magnetica" associata alla riluttanza, ma che bensì dipende dalla derivata della corrente magnetica ovvero del flusso ϕ3 ... e quindi presenta un comportamento simile a quello del bipolo induttivo nei circuiti elettrici.
Lo schema equivalente lo disegnerei quindi in questo modo
===============================================
Edit 1 -> In attesa della soluzione di
Gurdjeff, ... vado avanti con la mia "estensione idraulica" ... ovvero nella ricerca del "misterioso" bipolo equivalente,
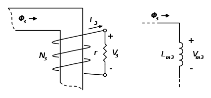
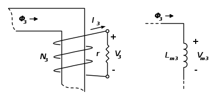
ovvero un nuovo (pseudo)induttore che chiamo "magnetico", che mima, nel circuito equivalente magnetico, il comportamento di un normale induttore in un circuito elettrico e che definisco in modo duale come
costante di proporzionalità fra derivata della "corrente magnetica" (flusso) e tensione magnetica Vm 
Il valore di questo pseudoinduttore può essere ricavato da Lenz e Ohm

come

con una "curiosa" unità di misura
![\left[ {{L}_{m3}} \right]=\frac{1}{\Omega }=\text{S} \left[ {{L}_{m3}} \right]=\frac{1}{\Omega }=\text{S}](/forum/latexrender/pictures/1d40cd65ae7ea59441a8fb17de3def9d.png)
nel nostro caso particolare

come per il suo duale, in regime magnetico stazionario, l'induttore magnetico corrisponderà ad un cortocircuito, e parimenti in regime sinusoidale porterà ad una reattanza magnetica
Xm=ωLm.
Nel nostro caso, dopo la definizione di questo "nuovo bipolo" potremo quindi usare Millman per trovare la tensione magnetica fra i due nodi della rete magnetica, senza preoccuparci di cosa ci stia "dietro", ovvero eliminando, per il momento, il terzo avvolgimento ed il resistore ad esso collegato

e il flusso nel terzo ramo come

calcolando infine la tensione elettrica incognita ai morsetti della resistenza elettrica
r=10 Ω con

=============================================================
Edit 2 ... come dicevo in [3] io,
"risolvendo in evoluzione libera", ovvero senza forzamenti esterni, avrei risolto con la classica relazione dei circuiti mutuamente accoppiati

calcolando L33 ed esprimendo L31 ed L32 attraverso i due rispettivi fattori
α di proporzionalità

con

passando al regime sinusoidale e ricordando Lenz

ed infine

=============================================================
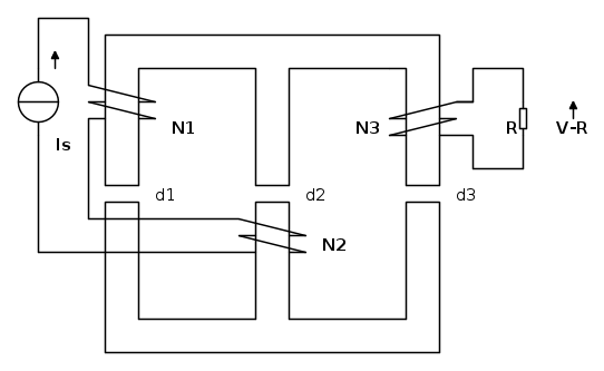
Edit 3 ... forse qualcuno sperava che evitassi di usare anche le mie solite "arti egizie" ma, visto che ho un po' di tempo, affronto il problema anche secondo
Ahmes 
Il metodo del Grande scriba, come ben sapete, impone la scelta di un casuale ma "conveniente" falso valore della grandezza incognita per risalire alla falsa forzante, al fine di determinare il fattore di conversione
k con il quale il "falso" verrà trasformato in "vero" (il metodo può essere applicato in quanto la forzante
Is=1 A è unica, anche se la sua azione è ripartita sulle prime due colonne del circuito magnetico).
Scegliamo quindi una falsa corrente
If nel terzo avvolgimento (uscente dal morsetto superiore) verso il resistore
r, che implicherà la falsa tensione indotta
Vf nello stesso (
"a carico")

a questo punto indicando con
Isf la falsa corrente incognita forzante associata, avremo che Millman ci permette di scrivere

mentre con Lenz, particolarizzando per il regime sinusoidale

e quindi

per determinare infine il
k che coincide, in questo caso, con la corrente
I3 cercata in
r
