Ciao a tutti, avrei una questione per voi. Dunque io ho un semaforo che vorrei appendere alla parete di camera mia, il problema è che non saprei come realizzare il circuito, in modo tale che questo funzioni come un vero e proprio semaforo (verde per "x" secondi, giallo per "y" secondi e rosso per "z" secondi per poi ripartire dal verde).
Le lampade fra di loro sono così collegate: Ho un filo che parte da l'ultimo porta lampada (quello della rossa), che si collega alle altre due luci, poi da ciascuna delle tre lampade parte parte un filo a se (quindi per intenderci mi escono 4 fili).
Faccio presente che vorrei attaccarlo a 220 V.
Potreste illustrarmi il circuito da seguire?
Di quali componenti necessito?
Vi ringrazio in anticipo per l'attenzione.
Circuito per semaforo
Moderatori:
g.schgor,
IsidoroKZ
4 messaggi
• Pagina 1 di 1
0
voti
1 x 4017 modulo 2 (0, 1, 2, 0, 1, 2 ecc.)
1 x 555 per il clock del 4017
3 x optotriac per pilotare le tre lampade
NB i tempi di accensione devono essere uguali, diversamente tre monostabili in cascata (3 x 555) invece del 4017
1 x 555 per il clock del 4017
3 x optotriac per pilotare le tre lampade
NB i tempi di accensione devono essere uguali, diversamente tre monostabili in cascata (3 x 555) invece del 4017
2
voti
franx ha scritto:NB i tempi di accensione devono essere uguali, diversamente tre monostabili in cascata (3 x 555) invece del 4017
Anche se non sono uguali, puoi dividere i tre tempi in frazioni di 10, collegando piu' uscite consecutive del 4017 ad un unica luce.
Ad esempio, 4/10 per il verde, 2/10 per l'arancio e 4/10 per il rosso. Il clock, per avere frazioni di Hertz che con il 555 sono difficili da ottenere, puoi "allungarlo" con un altro contatore tipo 4040, che dividera' per fattore
.Quindi, mettendo il caso di volere far oscillare il 555 a x Hz, dividi questa frequenza per
, dove n sono i bit di uscita che usi per il contatore "riduttore" 4040, e l'uscita la mandi al 4017 che per 4 colpi di clock fara' accendere il verde, per 2 colpi di clock l'arancio e per altri 4 il rosso.I numeri li ho messi come esempio, tutto è adattabile a quello che vuoi fare (come tempistica) tenendo conto che puoi distribuire, con un 4017, solo in frazioni di 10 il tempo di ogni luce rispetto al tempo totale del ciclo.

-

rusty
4.075 2 9 11 - Utente disattivato per decisione dell'amministrazione proprietaria del sito
- Messaggi: 1578
- Iscritto il: 25 gen 2009, 13:10
5
voti
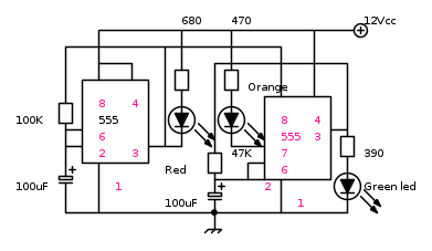
Questo e' il circuito piu' semplice per la funzione semaforo:
Naturalmente, nel tuo caso, andra' implementato con fotoaccoppiatori per il pilotaggio delle lampade; ti servira' comunque una bassa tensione in continua per l'alimentazione del circuito (qualunque schema tu scelga).
Naturalmente, nel tuo caso, andra' implementato con fotoaccoppiatori per il pilotaggio delle lampade; ti servira' comunque una bassa tensione in continua per l'alimentazione del circuito (qualunque schema tu scelga).
marco
4 messaggi
• Pagina 1 di 1
Torna a Elettrotecnica generale
Chi c’è in linea
Visitano il forum: Nessuno e 22 ospiti

Elettrotecnica e non solo (admin)
Un gatto tra gli elettroni (IsidoroKZ)
Esperienza e simulazioni (g.schgor)
Moleskine di un idraulico (RenzoDF)
Il Blog di ElectroYou (webmaster)
Idee microcontrollate (TardoFreak)
PICcoli grandi PICMicro (Paolino)
Il blog elettrico di carloc (carloc)
DirtEYblooog (dirtydeeds)
Di tutto... un po' (jordan20)
AK47 (lillo)
Esperienze elettroniche (marco438)
Telecomunicazioni musicali (clavicordo)
Automazione ed Elettronica (gustavo)
Direttive per la sicurezza (ErnestoCappelletti)
EYnfo dall'Alaska (mir)
Apriamo il quadro! (attilio)
H7-25 (asdf)
Passione Elettrica (massimob)
Elettroni a spasso (guidob)
Bloguerra (guerra)




