Ciao a tutti. Mentre sto scrivendo per il mio blog un articolo riguardante la versione aggiornata di un famoso amplificatore in classe A di John Linsley Hood pubblicato su Wireless World del 1969 (vedi figura sottostante) - di cui, non essendo riuscito a rintracciare alcuna analisi in rete, mi sono rassegnato a farne una per conto mio - sono pervenuto ad un primo circuito "evoluto" dello stadio di uscita che mi sembra un po' troppo bello pensare che nessuno ci abbia pensato prima magari per applicazioni diverse da quelle audio... e che pertanto chiedo ad altri se hanno già visto qualcosa di simile.
Schema originale del JLH del 1969:
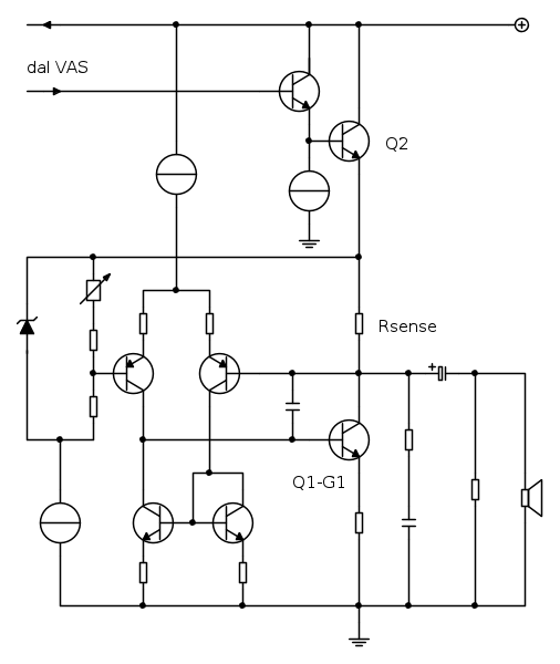
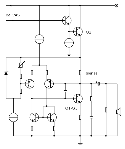
Schema "partorito" duante lo studio di quanto sopra:
Cio che è emerso dallo studio del primo schema (e di cui non so quanto fosse consapevole l'autore ai tempi in cui lo realizzò) è che lo stadio di uscita si comporta in effetti come DUE stadi di uscita (uno in corrente e uno in tensione) lavoranti sullo stesso carico e con interazioni piuttosto interessanti che, nella versione che sto elaborando, ho deciso di rendere esplicite facendo sì che lo stadio di uscita in corrente (quello basato su Tr1 del primo schema ) diventi un vero e proprio servoregolatore di corrente autonono dall'altro amplificatore (un inseguitore di tensione) tranne per il carico (l'altoparlante) che continua ad essere comune per entrambi.
Le interazioni interessanti sono:
1) l'insegutore di tensione vede un carico molto più leggero di quello reale con conseguente maggiore linearità a causa del fatto che comunque la sua corrente di riposo (è un classe A) è regolata sempre sul carico reale e non su quello apparente.
2) Nel caso il carico sia parzialmente o totalmente reattivo, il servoregolatore di corrente finisce per "ripulirne" parte della reattività comportandosi in pratica, per l'inseguitore di tensione, come una sorta di PFC che, sebbene non aumenti l'efficienza del circuito nel suo insieme, comunque ne aumenta la stabilità.
Ora quello che mi piacerebbe sapere è se da qualche altra parte sia stato adottato un approccio simile (un amplificatore più o meno convenzionale servito alla sua uscita anche da un PFC che riduca a più miti consigli eventuali carichi balordi) oppure se è stato tralasciato per qualche motivo, ritenendo assai poco probabile l'eventualità che semplicemente nessuno ci abbia mai pensato prima.
Grazie fin da ora per ogni info!
Ciao
Piercarlo
PS - Il motivo fondamentale che mi ha spinto a rielaborare lo stadio di uscita originale è che in questo la corrente di riposo, dipendendo fortemente dalle caratteristiche dei finali (soprattutto dal loro beta), vien di fatto lasciata decidere al buon Dio, cosa niente affatto raccomandabile con nessun amplificatore!
Parere su stadio di uscita per amplificatori
Moderatori:
carloc,
g.schgor,
BrunoValente,
IsidoroKZ
5 messaggi
• Pagina 1 di 1
7
voti
Ho avuto una settimana hectic e non e` ancora finita
, il tuo post mi ha richiesto di prendere carta e penna e fare dei conti, che non ho ancora finito.
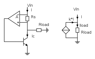
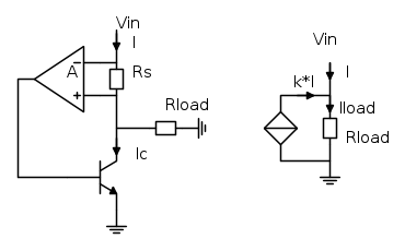
La parte di sotto dello schema lo vedrei in questo modo, schema a sinistra
Al posto di differenziali e specchi vari ho messo inizialmente un amplificatore da "strumentazione" che pilota il bipolare. La corrente assorbita dal bipolare, per piccole variazioni, vale
. La transconduttanza del BJT, e quindi il valore di k, cambia con la corrente, e quindi si ha una non linearita`, ma tanto il circuito originale non pilota il BJT a bassa impedenza ma in corrente, al posto, ma un po' di casini ci sono comunque a causa de ß.
Semplificandosi un po' la vita si puo` analizzare il circuito di destra, con k costante, parte destra dello schema.
Questo diventa facile da analizzare perche'
ma anche
A questo punto sostituendo si ottiene che
il che vuol dire che il circuito aumenta il valore del carico visto dal circuito di pilotaggio di un fattore 1+k.
Potremmo scatenare
PietroBaima per farne l'analisi come sistema retroazionato.
Adesso scappo, stasera sono a cena con due splendide fanciulle, una brunetta e una biondina che mi vogliono molto bene!
La parte di sotto dello schema lo vedrei in questo modo, schema a sinistra
Al posto di differenziali e specchi vari ho messo inizialmente un amplificatore da "strumentazione" che pilota il bipolare. La corrente assorbita dal bipolare, per piccole variazioni, vale
. La transconduttanza del BJT, e quindi il valore di k, cambia con la corrente, e quindi si ha una non linearita`, ma tanto il circuito originale non pilota il BJT a bassa impedenza ma in corrente, al posto, ma un po' di casini ci sono comunque a causa de ß. Semplificandosi un po' la vita si puo` analizzare il circuito di destra, con k costante, parte destra dello schema.
Questo diventa facile da analizzare perche'
ma anche
A questo punto sostituendo si ottiene che
il che vuol dire che il circuito aumenta il valore del carico visto dal circuito di pilotaggio di un fattore 1+k.Potremmo scatenare
Adesso scappo, stasera sono a cena con due splendide fanciulle, una brunetta e una biondina che mi vogliono molto bene!
Per usare proficuamente un simulatore, bisogna sapere molta più elettronica di lui
Plug it in - it works better!
Il 555 sta all'elettronica come Arduino all'informatica! (entrambi loro malgrado)
Se volete risposte rispondete a tutte le mie domande
Plug it in - it works better!
Il 555 sta all'elettronica come Arduino all'informatica! (entrambi loro malgrado)
Se volete risposte rispondete a tutte le mie domande
0
voti
IsidoroKZ ha scritto: Adesso scappo, stasera sono a cena con due splendide fanciulle, una brunetta e una biondina che mi vogliono molto bene!
Sei più che perdonato per la fuga!
Ciao
Piercarlo
0
voti
Appunto aggiuntivo:
Che, sia pure per altra via (più confusa, lo dico subito), è lo stesso risultato che ho trovato io e che, per quanto riguarda il circuito originale gli permette di raggiungere un guadagno di anello non da urlo (30 dB) ma assai più "commestibile" dei miserrimi 12 dB che avrebbe avuto se l'inseguitore di tensione in uscita fosse stato caricato da un normale generatore di corrente costante. Sul fatto che che comunque distorce "caldo" non ci piove, anzi: al confronto le valvole ci fanno la figura dei frigoriferi... per dire il meno.
Ciao
Piercarlo
IsidoroKZ ha scritto: A questo punto sostituendo si ottiene cheil che vuol dire che il circuito aumenta il valore del carico visto dal circuito di pilotaggio di un fattore 1+k.
Che, sia pure per altra via (più confusa, lo dico subito), è lo stesso risultato che ho trovato io e che, per quanto riguarda il circuito originale gli permette di raggiungere un guadagno di anello non da urlo (30 dB) ma assai più "commestibile" dei miserrimi 12 dB che avrebbe avuto se l'inseguitore di tensione in uscita fosse stato caricato da un normale generatore di corrente costante. Sul fatto che che comunque distorce "caldo" non ci piove, anzi: al confronto le valvole ci fanno la figura dei frigoriferi... per dire il meno.
Ciao
Piercarlo
0
voti
Mettendo a frutto parte del tempo che sto passando a casa in malattia, ho prodotto un po' di simulazioni "oscilloscopiche" del comportamento (piuttosto curioso) della versione orginale del JLH del 1969 (a cui si riferisce il primo dei due schemi postati con il primo messaggio).
L'articolo del mio blog in cui sono incorporate queste illustraizoni sta andando un po' per le lunghe ma, chi lo volesse, può già ammirarle (e pensarci un po' su...) in fondo a questa pagina:
http://circuiti-schemi-audio-progetti.blogspot.it/2012/08/jhl-2012-un-classe-per-i-giorni-nostri.html
Non vogliatene troppo all'estensore del testo in caso incappiate in qualche corbelleria: nonostante tutto bevo ancora poco!
Ciao
Piercarlo
L'articolo del mio blog in cui sono incorporate queste illustraizoni sta andando un po' per le lunghe ma, chi lo volesse, può già ammirarle (e pensarci un po' su...) in fondo a questa pagina:
http://circuiti-schemi-audio-progetti.blogspot.it/2012/08/jhl-2012-un-classe-per-i-giorni-nostri.html
Non vogliatene troppo all'estensore del testo in caso incappiate in qualche corbelleria: nonostante tutto bevo ancora poco!
Ciao
Piercarlo
5 messaggi
• Pagina 1 di 1
Chi c’è in linea
Visitano il forum: Nessuno e 89 ospiti

Elettrotecnica e non solo (admin)
Un gatto tra gli elettroni (IsidoroKZ)
Esperienza e simulazioni (g.schgor)
Moleskine di un idraulico (RenzoDF)
Il Blog di ElectroYou (webmaster)
Idee microcontrollate (TardoFreak)
PICcoli grandi PICMicro (Paolino)
Il blog elettrico di carloc (carloc)
DirtEYblooog (dirtydeeds)
Di tutto... un po' (jordan20)
AK47 (lillo)
Esperienze elettroniche (marco438)
Telecomunicazioni musicali (clavicordo)
Automazione ed Elettronica (gustavo)
Direttive per la sicurezza (ErnestoCappelletti)
EYnfo dall'Alaska (mir)
Apriamo il quadro! (attilio)
H7-25 (asdf)
Passione Elettrica (massimob)
Elettroni a spasso (guidob)
Bloguerra (guerra)




