Una serie di eventi sfortunati e un po' di disattenzione mi hanno causato alcuni problemi,
alimentando la breadboard in un punto sbagliato, praticamente ho collegato l'alimentatore "dopo il 7805"
ovviamente ho visto tutto spegnersi, e credo di aver bruciato il micro.
1)come posso testare il funzionamento del micro?
qui entrano in gioco gli eventi sfortunati, mi è caduto il PC dal tavolo e ora AVR studio sembra non funzionare più, non riesco nenache più a connettere l'stk500 (perfettamete funzionante) al PC
2)
Ho sostituito il microcontrollore, ho sostituito i transistor e i display funzionano...
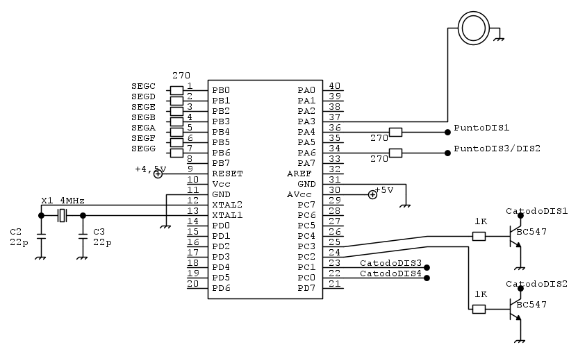
faccio una premessa, prima che tutto ciò accadesse, in uscita dal circuito di alimentazione (7805 per intenderci) avevo 4,5V, e li avevo anche in ogni punto di alimentazione delle breadboard (sono 3),
ora praticamente ho 4 volt ed il 7805 inizia a scaldare molto, cosa che prima non faceva assolutamente, aggiungo che ho anche sostituito tutti i componenti del circuito di alimentazione (avevo un altro circuito funzionante su millefori)
Qualche consiglio su come capire dove sta il problema?
Problema Circuito
Moderatori:
carloc,
g.schgor,
BrunoValente,
IsidoroKZ
2 messaggi
• Pagina 1 di 1
0
voti
darkweader ha scritto:come posso testare il funzionamento del micro?
Non c'è bisogno di testarene il funzionamento. Lo hai bruciato. Se prima che accadesse tutto questo avevi 4.5V significa che sul pin di Vin ne avevi circa 6 - 7V, contro i 5.5V massimi ammessi.
Ho sostituito il microcontrollore, ho sostituito i transistor e i display funzionano...
I display a sette segmenti e transistori non era il caso di sostituirli. L'unico poveretto che hai mandato all'altro mondo è il microcontrollore, oltre al PC quasi.
darkweader ha scritto:ora praticamente ho 4 volt ed il 7805 inizia a scaldare molto [..]
Non credo che tu abbia fatto fuori il regolatore accidentalmente applicando i 6 - 7V sul pin di Vout. Se il regolatore scalda è perché hai un cortocircuito accidentale da qualche parte, quindi un eccessiva circolazione di corrente. Direi che dopo aver sbagliato i collegamenti di alimentazione, e dopo aver fatto cadere il PC, ti consiglio nuovamente di controllare bene tutti i collegamenti.
Non è comunque detto che tu abbia mandato il regolatore a farsi un giro assieme al microcontrollore.
Fai più attenzione!
2 messaggi
• Pagina 1 di 1
Chi c’è in linea
Visitano il forum: Nessuno e 70 ospiti

Elettrotecnica e non solo (admin)
Un gatto tra gli elettroni (IsidoroKZ)
Esperienza e simulazioni (g.schgor)
Moleskine di un idraulico (RenzoDF)
Il Blog di ElectroYou (webmaster)
Idee microcontrollate (TardoFreak)
PICcoli grandi PICMicro (Paolino)
Il blog elettrico di carloc (carloc)
DirtEYblooog (dirtydeeds)
Di tutto... un po' (jordan20)
AK47 (lillo)
Esperienze elettroniche (marco438)
Telecomunicazioni musicali (clavicordo)
Automazione ed Elettronica (gustavo)
Direttive per la sicurezza (ErnestoCappelletti)
EYnfo dall'Alaska (mir)
Apriamo il quadro! (attilio)
H7-25 (asdf)
Passione Elettrica (massimob)
Elettroni a spasso (guidob)
Bloguerra (guerra)


