salve a tutti
vorrei capire come iniziare a "giocare con un PIC".Mi spiego subito .
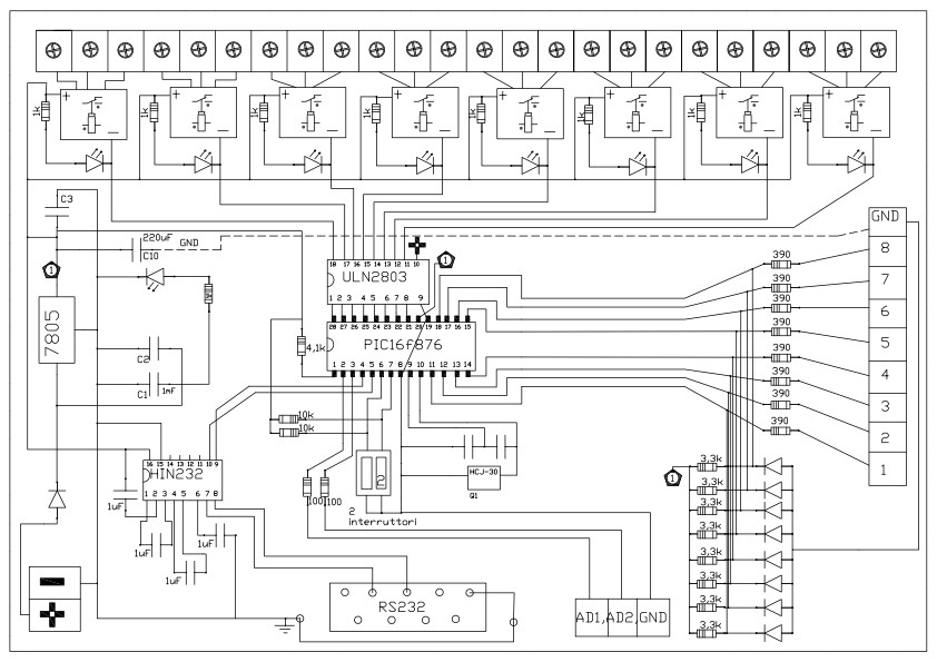
Ho tra le mani una scheda controllatata da un PIC (allego di seguito immagini e schema) , come noterete la comunicazione con PC avviene attraverso una porta seriale rs232 . . girovagando sulla sere ho scaricato compilatori ed IDE in dettaglio : MPLAB IDE e picC 9.83 . . . Preferisco il C poiché è l'unico linguaggio che so utilizzare . il problema è che quando collego questa scheda con PIC al computer non mi viene rivelato niente e quindi anche se compilo un semplice programma come accendere un led in una delle uscite non posso trasferirlo sul PIC . Non capisco se è sbagliato il circuito, se non sono capace io a scaricare il codice sul PIC oppure se si deve per forza avere bisogno di un programmatore,cioè ho sentito parlare di pickit ma onestamente non so qual è il suo utilizzo....sono davvero alle prime armi e vorrei davvero poter iniziare a fare esperienza con questi controller.. spero che qualcuno mi sappia aiutare grazie
pic16f876 inizi!!!
Moderatore:
Paolino
19 messaggi
• Pagina 1 di 2 • 1, 2
0
voti
purtroppo no , l'ho presa all'interno di uno scatolone pieno di schede di ogni tipo . In una società che si occupa di telecomunicazioni a livello industriale . (ovviamente mi è stata regalata) . Quello che ho capito è che questa scheda era destinata ad essere una di tante derivazioni di una rete controllata da un unico punto di accesso . Per intenderci ogni scheda veniva installata in un piano (o in una stanza) , ognuna programmata per i propri compiti come illuminazione intelligente,attivazione serrande motorizzate ecc . E tutte venivano poi controllate da un unico server . comunque non è il mio caso,io ho solo questo e vorrei programmarlo e imparare . Credo di aver capito studiando meglio l'argomento che è fondamentale un programmatore,quale mi consiglieresti? e comunque devo apportare qualche modifica alla scheda,cioè tirarmi fuori i 5 o 6 piedini che servono poi al programmatore?? Il + e - sullo schema indica l'alimentazione,suppongo vada bene a 5v giusto? cioè mi pare di capire che quest'alimentazione serva solo per alimentare gli integrati,(e non per programmare il PIC) quindi non credo sia necessario i 13v . giusto? davvero perdona 'incompetenza ma per meglio imparare devo obbligatoriamente iniziare ad accendere qualche led e successivamente imparerò sempre meglio tutte le funzioni del PIC ecc .
-

eldiablo84
3 5 - New entry

- Messaggi: 56
- Iscritto il: 1 ott 2012, 23:06
0
voti
Putroppo quella scheda non la puoi programmare, non ha un connettore ISCP ed i pin dedicati anche alla programmazione del dispositivo non sono collegati a niente di utile per questo scopo.
L'unica cosa che puoi fare è collegarla al computer attraverso una porta seriale RS232 (puoi anche usare un convertitore USB > RS232), inviare un dato di 8bit alla volta per fare quello per cui il circuito è stato montato, ma niente MPLAB etc.
Se vuoi cominciare con i PIC e microcontrollori in generale, esistono altre soluzioni.
L'unica cosa che puoi fare è collegarla al computer attraverso una porta seriale RS232 (puoi anche usare un convertitore USB > RS232), inviare un dato di 8bit alla volta per fare quello per cui il circuito è stato montato, ma niente MPLAB etc.
Se vuoi cominciare con i PIC e microcontrollori in generale, esistono altre soluzioni.
0
voti
Guardandola si potrebbe usare come demoboard.
Prevedi un flat per la programmazione ICSP (come ti ha detto l'ottimo Gohan) o eventualmente (se il PIC è su zoccolo) lo puoi programmare in separata sede con i vari programmatori PICKIT2/3 e zoccolo adattatore.
ciao
Antonio
Prevedi un flat per la programmazione ICSP (come ti ha detto l'ottimo Gohan) o eventualmente (se il PIC è su zoccolo) lo puoi programmare in separata sede con i vari programmatori PICKIT2/3 e zoccolo adattatore.
ciao
Antonio
0
voti
inanzi tutto grazie per le risposte .
Ok ho capito, si il PIC è in separata sede, allora inizierò a vedere un po come programmarlo,dite che sia più conveniente comprare programmatori o magari si può riuscire a costruirlo da se ? comunque ho una domanda ancora :
se il PIC sia già programmato per uno scopo,o no,non lo so,ma a questo punto collegato al PC attraverso la sua seriale mi dovrebbe almeno dare un segno di vita giusto??
mi spiego,rovistando all'interno della stessa scatola dove ho trovato questo circuito ho trovato un cd contenente un programma "rudimentale" creato dalla stessa persona che ha realizzato il circuito, che in pratica gestisce un numero n di periferiche , e ogni periferica sarebbe un circuito simile . Ma questo programma nemmeno riconosce niente quando collego la scheda al PC,e se attraverso il programma cerco di interrogare la periferica mi da errore di runtime 5 . mmm non capisco . comunque cerco di trasformarlo in una demoboard programmabile dall'esterno . Sono sempre lieto di ricevere qualsiasi consiglio utile e grazie ancora
Ok ho capito, si il PIC è in separata sede, allora inizierò a vedere un po come programmarlo,dite che sia più conveniente comprare programmatori o magari si può riuscire a costruirlo da se ? comunque ho una domanda ancora :
se il PIC sia già programmato per uno scopo,o no,non lo so,ma a questo punto collegato al PC attraverso la sua seriale mi dovrebbe almeno dare un segno di vita giusto??
mi spiego,rovistando all'interno della stessa scatola dove ho trovato questo circuito ho trovato un cd contenente un programma "rudimentale" creato dalla stessa persona che ha realizzato il circuito, che in pratica gestisce un numero n di periferiche , e ogni periferica sarebbe un circuito simile . Ma questo programma nemmeno riconosce niente quando collego la scheda al PC,e se attraverso il programma cerco di interrogare la periferica mi da errore di runtime 5 . mmm non capisco . comunque cerco di trasformarlo in una demoboard programmabile dall'esterno . Sono sempre lieto di ricevere qualsiasi consiglio utile e grazie ancora
-

eldiablo84
3 5 - New entry

- Messaggi: 56
- Iscritto il: 1 ott 2012, 23:06
0
voti
Io ti consiglio di comprartelo almeno un pickit2 o meglio il 3.
Costano poco e non danno problemi.
Se vuoi fare qualche test puoi provare con qualche compilatore tipo mikrobasic che è free fino ad un tot di dimensione di codice ma ti permette di fare dei test con dei programmini già fatti che sono negli esempi e nel manuale adattandoli ai collegamenti della tua scheda.
ciao e buon divertimento
Antonio
Costano poco e non danno problemi.
Se vuoi fare qualche test puoi provare con qualche compilatore tipo mikrobasic che è free fino ad un tot di dimensione di codice ma ti permette di fare dei test con dei programmini già fatti che sono negli esempi e nel manuale adattandoli ai collegamenti della tua scheda.
ciao e buon divertimento
Antonio
0
voti
oookk seguirò il tuo consiglio . . . e volendo evitare di acquistare anche la sua basetta è sufficiente che mi tiro fuori giusto i piedini che servono al programmatore giusto?? e un'altra cosa,è possibile compire in C++ oltre che C assembler ecc??? sarei piu pratico con il C++ ma posso adattarmi al C se proprio non c'è altro .
-

eldiablo84
3 5 - New entry

- Messaggi: 56
- Iscritto il: 1 ott 2012, 23:06
19 messaggi
• Pagina 1 di 2 • 1, 2
Torna a Realizzazioni, interfacciamento e nozioni generali.
Chi c’è in linea
Visitano il forum: Nessuno e 9 ospiti

Elettrotecnica e non solo (admin)
Un gatto tra gli elettroni (IsidoroKZ)
Esperienza e simulazioni (g.schgor)
Moleskine di un idraulico (RenzoDF)
Il Blog di ElectroYou (webmaster)
Idee microcontrollate (TardoFreak)
PICcoli grandi PICMicro (Paolino)
Il blog elettrico di carloc (carloc)
DirtEYblooog (dirtydeeds)
Di tutto... un po' (jordan20)
AK47 (lillo)
Esperienze elettroniche (marco438)
Telecomunicazioni musicali (clavicordo)
Automazione ed Elettronica (gustavo)
Direttive per la sicurezza (ErnestoCappelletti)
EYnfo dall'Alaska (mir)
Apriamo il quadro! (attilio)
H7-25 (asdf)
Passione Elettrica (massimob)
Elettroni a spasso (guidob)
Bloguerra (guerra)

